ZHCSET0D December   2015  – December 2019 TPS2H000-Q1

PRODUCTION DATA.  

  1. 特性
  2. 应用
  3. 说明
    1.     Device Images
      1.      典型应用原理图
      2.      驱动具有可调节电流限制的电容性负载
  4. 修订历史记录
  5. Device Comparison Table
  6. Pin Configuration and Functions
    1.     Pin Functions
  7. Specifications
    1. 7.1 Absolute Maximum Ratings
    2. 7.2 ESD Ratings
    3. 7.3 Recommended Operating Conditions
    4. 7.4 Thermal Information
    5. 7.5 Electrical Characteristics
    6. 7.6 Switching Characteristics
    7. 7.7 Typical Characteristics
  8. Detailed Description
    1. 8.1 Overview
    2. 8.2 Functional Block Diagram
    3. 8.3 Feature Description
      1. 8.3.1 Pin Current and Voltage Conventions
      2. 8.3.2 Accurate Current Sense
      3. 8.3.3 Adjustable Current Limit
      4. 8.3.4 Inductive-Load Switching-Off Clamp
      5. 8.3.5 Fault Detection and Reporting
        1. 8.3.5.1 Diagnostic Enable Function
        2. 8.3.5.2 Multiplexing of Current Sense
        3. 8.3.5.3 Fault Table
        4. 8.3.5.4 STx and FAULT Reporting
      6. 8.3.6 Full Diagnostics
        1. 8.3.6.1 Short-to-GND and Overload Detection
        2. 8.3.6.2 Open-Load Detection
          1. 8.3.6.2.1 Channel On
          2. 8.3.6.2.2 Channel Off
        3. 8.3.6.3 Short-to-Battery Detection
        4. 8.3.6.4 Reverse Polarity Detection
        5. 8.3.6.5 Thermal Fault Detection
          1. 8.3.6.5.1 Thermal Shutdown
      7. 8.3.7 Full Protections
        1. 8.3.7.1 UVLO Protection
        2. 8.3.7.2 Loss-of-GND Protection
        3. 8.3.7.3 Protection for Loss of Power Supply
        4. 8.3.7.4 Reverse-Current Protection
        5. 8.3.7.5 MCU I/O Protection
    4. 8.4 Device Functional Modes
      1. 8.4.1 Working Modes
  9. Application and Implementation
    1. 9.1 Application Information
    2. 9.2 Typical Application
      1. 9.2.1 Design Requirements
      2. 9.2.2 Detailed Design Procedure
      3. 9.2.3 Application Curves
  10. 10Power Supply Recommendations
  11. 11Layout
    1. 11.1 Layout Guidelines
    2. 11.2 Layout Examples
      1. 11.2.1 Without a GND Network
      2. 11.2.2 With a GND Network
  12. 12器件和文档支持
    1. 12.1 接收文档更新通知
    2. 12.2 社区资源
    3. 12.3 商标
    4. 12.4 静电放电警告
    5. 12.5 Glossary
  13. 13机械、封装和可订购信息

封装选项

机械数据 (封装 | 引脚)
散热焊盘机械数据 (封装 | 引脚)
订购信息

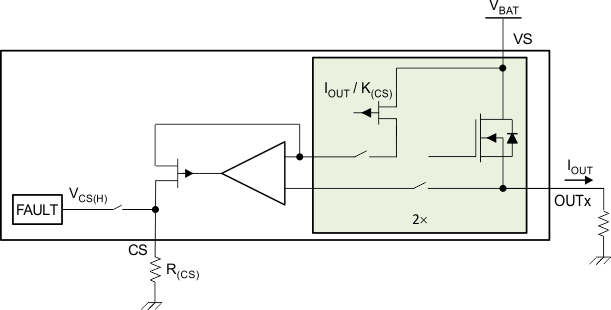
Accurate Current Sense

High-accuracy current sense is implemented in the version-B device. It allows a better real-time monitoring effect and more-accurate diagnostics without further calibration.

One integrated current mirror can source 1 / K(CS) of the load current, and the mirrored current flows into the external current sense resistor to become a voltage signal. The current mirror is shared by the dual channels. K(CS) is the ratio of the output current and the sense current. It is a constant value across the temperature and supply voltage. Each device is calibrated accurately during production, so post-calibration is not required. See Figure 26 for more details.

TPS2H000-Q1 CS-blk-dgrm_SLVSD74.gifFigure 26. Current-Sense Block Diagram

When a fault occurs, the CS pin also works as a fault report with a pullup voltage, VCS(H). See Figure 27 for more details.

TPS2H000-Q1 CS-voltage-out_SLVSCV8.gifFigure 27. Current-Sense Output-Voltage Curve

Use Equation 1 to calculate R(CS).

Equation 1. TPS2H000-Q1 eq01-Rcs_SLVSCV8.gif

Take the following points into consideration when calculating R(CS).

  • Ensure VCS is within the current-sense linear region (VCS, IOUTx(lin)) across the full range of the load current. Check R(CS) with Equation 2.
  • Equation 2. TPS2H000-Q1 eq02-Rcs-lin_SLVSCV8.gif
  • In fault mode, ensure ICS is within the source capacity of the CS pin (ICS(H)). Check R(CS) with Equation 3.
  • Equation 3. TPS2H000-Q1 eq03-Rcs-fault_SLVSCV8.gif