ZHCSIU6G September   2018  – June 2024 TPS2663

PRODUCTION DATA  

  1.   1
  2. 特性
  3. 应用
  4. 说明
  5. Device Comparison Table
  6. Pin Configuration and Functions
  7. Specifications
    1. 6.1 Absolute Maximum Ratings
    2. 6.2 ESD Ratings
    3. 6.3 Recommended Operating Conditions
    4. 6.4 Thermal Information
    5. 6.5 Electrical Characteristics
    6. 6.6 Timing Requirements
    7. 6.7 Typical Characteristics
  8. Parameter Measurement Information
  9. Detailed Description
    1. 8.1 Overview
    2. 8.2 Functional Block Diagram
    3. 8.3 Feature Description
      1. 8.3.1  Hot Plug-In and Inrush Current Control
        1. 8.3.1.1 Thermal Regulation Loop
      2. 8.3.2  PGOOD and PGTH
        1. 8.3.2.1 PGTH as VOUT Sensing Input
      3. 8.3.3  Undervoltage Lockout (UVLO)
      4. 8.3.4  Overvoltage Protection (OVP)
      5. 8.3.5  Input Reverse Polarity Protection (B_GATE, DRV)
      6. 8.3.6  Reverse Current Protection
      7. 8.3.7  Overload and Short-Circuit Protection
        1. 8.3.7.1 Overload Protection
          1. 8.3.7.1.1 Active Current Limiting at 1 × IOL (TPS26630 and TPS26632 Only)
          2. 8.3.7.1.2 Active Current Limiting With 2 × IOL Pulse Current Support (TPS26631, TPS26633, TPS26635, TPS26636, and TPS26637 Only)
        2. 8.3.7.2 Short-Circuit Protection
          1. 8.3.7.2.1 Start-Up With Short Circuit on Output
      8. 8.3.8  Output Power Limiting, PLIM (TPS26632, TPS26633, TPS26635, TPS26636, and TPS26637 Only)
      9. 8.3.9  Current Monitoring Output (IMON)
      10. 8.3.10 FAULT Response (FLT)
      11. 8.3.11 IN_SYS, IN, OUT, and GND Pins
      12. 8.3.12 Thermal Shutdown
      13. 8.3.13 Low Current Shutdown Control (SHDN)
    4. 8.4 Device Functional Modes
  10. Application and Implementation
    1. 9.1 Application Information
    2. 9.2 Typical Application: Power Path Protection in a PLC System
      1. 9.2.1 Design Requirements
      2. 9.2.2 Detailed Design Procedure
        1. 9.2.2.1 Programming the Current-Limit Threshold—R(ILIM) Selection
        2. 9.2.2.2 Undervoltage Lockout and Overvoltage Set Point
        3. 9.2.2.3 Output Buffer Capacitor – COUT
        4. 9.2.2.4 PGTH Set Point
        5. 9.2.2.5 Setting Output Voltage Ramp Time—(tdVdT)
          1. 9.2.2.5.1 Support Component Selections— RPGOOD and C(IN)
        6. 9.2.2.6 Selecting Q1, Q2 and TVS Clamp for Surge Protection
      3. 9.2.3 Application Curves
    3. 9.3 System Examples
      1. 9.3.1 Simple 24-V Power Supply Path Protection
      2. 9.3.2 Priority Power MUX Operation
      3. 9.3.3 Input Protection for a Compact 24-V Auxiliary Power Supply for Servo Drives
    4. 9.4 Dos and Do Nots
    5. 9.5 Power Supply Recommendations
      1. 9.5.1 Transient Protection
    6. 9.6 Layout
      1. 9.6.1 Layout Guidelines
      2. 9.6.2 Layout Example
  11. 10Device and Documentation Support
    1. 10.1 Documentation Support
      1. 10.1.1 Related Documentation
    2. 10.2 接收文档更新通知
    3. 10.3 支持资源
    4. 10.4 Trademarks
    5. 10.5 静电放电警告
    6. 10.6 术语表
  12. 11Revision History
  13. 12Mechanical, Packaging, and Orderable Information

封装选项

请参考 PDF 数据表获取器件具体的封装图。

机械数据 (封装 | 引脚)
  • RGE|24
  • PWP|20
散热焊盘机械数据 (封装 | 引脚)
订购信息

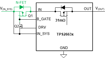
Input Reverse Polarity Protection (B_GATE, DRV)

The TPS2663x devices support the reverse input polarity protection feature. Connect an N-channel power FET (Q1) with the source to IN_SYS, drain to IN and GATE to B-GATE as shown in Figure 8-7. This action forms a back to back FET topology in power path that is required to protect the load from input reverse polarity faults. Connect an external signal FET (Q2) across BGATE, DRV and IN_SYS. Q2 acts as a pulldown gate switch for Q1. In the applications where reverse polarity protection and reverse current blocking is not required then connect IN_SYS and IN together. Leave BGATE and DRV open as shown in Figure 8-8.
Figure 8-9 illustrates the reverse input polarity protection functionality.

The TPS2663x devices support a maximum differential voltage across V(IN_SYS) – V(OUT) up to –85 V. This high voltage transients generally appear during the IEC61000-4-5 surge testing at the V(IN_SYS). This voltage stress appears across the external N-channel FET. The TPS2663x provides a gate drive (B_GATE) of 10.2 V (typical). The fast pulldown gate switch Q2 pulls down the GATE of the Q1 during reverse current and reverse polarity fault events. Q2 must be at least 15-V, VDS rated FET with a maximum VGS rating of 20 V, Ciss ≤ 50 pF and VGTH(min) ≤ 3 V.

TPS2663 Configuration for Input Reverse Polarity Protection and Reverse Current Blocking
Figure 8-7 Configuration for Input Reverse Polarity Protection and Reverse Current Blocking
TPS2663 Configuration for Applications Without Input Reverse Polarity Protection and Reverse Current Blocking Requirement
Figure 8-8 Configuration for Applications Without Input Reverse Polarity Protection and Reverse Current Blocking Requirement
TPS2663 Input Reverse Polarity Response at –60-V InputFigure 8-9 Input Reverse Polarity Response at –60-V Input