ZHCSE73C September   2015  – July 2017 TPS25810

PRODUCTION DATA.  

  1. 特性
  2. 应用
  3. 说明
  4. 修订历史记录
  5. Pin Configuration and Functions
  6. Specifications
    1. 6.1 Absolute Maximum Ratings
    2. 6.2 ESD Ratings
    3. 6.3 Recommended Operating Conditions
    4. 6.4 Thermal Information
    5. 6.5 Electrical Characteristics
    6. 6.6 Switching Characteristics
    7. 6.7 Typical Characteristics
  7. Detailed Description
    1. 7.1 Overview
      1. 7.1.1 USB Type C Basic
      2. 7.1.2 Configuration Channel
      3. 7.1.3 Detecting a Connection
    2. 7.2 Functional Block Diagram
    3. 7.3 Feature Description
      1. 7.3.1 Configuration Channel Pins CC1 and CC2
      2. 7.3.2 Current Capability Advertisement and Overload Protection
      3. 7.3.3 Undervoltage Lockout (UVLO)
        1. 7.3.3.1  Device Power Pins (IN1, IN2, AUX, OUT, and GND)
        2. 7.3.3.2  FAULT Response
        3. 7.3.3.3  Thermal Shutdown
        4. 7.3.3.4  REF
        5. 7.3.3.5  Audio Accessory Detection
        6. 7.3.3.6  Debug Accessory Detection
        7. 7.3.3.7  Plug Polarity Detection
        8. 7.3.3.8  Device Enable Control
        9. 7.3.3.9  Load Detect
        10. 7.3.3.10 Power Wake
        11. 7.3.3.11 Port Power Management (PPM)
        12. 7.3.3.12 Implementing PPM in a System with Two Type-C Ports
        13. 7.3.3.13 PPM Operation
    4. 7.4 Device Functional Modes
  8. Application and Implementation
    1. 8.1 Application Information
    2. 8.2 Typical Applications
      1. 8.2.1 Type C DFP Port Implementation without BC 1.2 Support
        1. 8.2.1.1 Design Requirements
          1. 8.2.1.1.1 Input and Output Capacitance
        2. 8.2.1.2 Detailed Design Procedure
        3. 8.2.1.3 Application Curves
      2. 8.2.2 Type-C DFP Port Implementation with BC 1.2 (DCP Mode) Support
        1. 8.2.2.1 Design Requirements
        2. 8.2.2.2 Detailed Design Procedure
        3. 8.2.2.3 Application Curves
  9. Power Supply Recommendations
  10. 10Layout
    1. 10.1 Layout Guidelines
    2. 10.2 Layout Example
  11. 11器件和文档支持
    1. 11.1 器件支持
      1. 11.1.1 Third-Party Products Disclaimer
    2. 11.2 文档支持
      1. 11.2.1 相关文档
    3. 11.3 接收文档更新通知
    4. 11.4 社区资源
    5. 11.5 商标
    6. 11.6 静电放电警告
    7. 11.7 Glossary
  12. 12机械、封装和可订购信息

封装选项

机械数据 (封装 | 引脚)
散热焊盘机械数据 (封装 | 引脚)
订购信息

特性

  • 兼容 USB Type-C 版本 1.2 的下行数据端口 (DFP) 控制器
  • 连接器连接/断开检测
  • 配置通道 (CC) STD/1.5A/3A 电流能力通告
  • 超高速极性确定
  • VBUS 应用和放电
  • VCONN 应用于电子标记电缆
  • 音频和调试附件识别
  • 端口未连接时,IDDQ 的典型值为 0.7µA
  • 三个输入电源选项
    • IN1:USB 充电电源
    • IN2:VCONN 电源
    • AUX:器件电源
  • 电源唤醒可保证系统冬眠 (S4) 和关闭 (S5) 功耗状态下的低功耗
  • 34mΩ(典型值)高侧金属氧化物半导体场效应晶体管 (MOSFET)
  • 1.7/3.4A ILimit (±7.1%) - 可编程
  • 端口功率管理可实现多端口的功率资源优化
  • 封装:20 引脚晶圆级四方扁平无引线 (WQFN) 封装 (3mm x 4mm) (1)
  • UL列表 - 文件号E169910
CC 引脚符合 IEC-61000-4-2 标准
CC 引脚符合 IEC-61000-4-2 标准

应用

  • 笔记本中的 USB Type C 主机端口,用于休眠充电
  • LCD 监视器/扩展坞和充电托板
  • Type C USB 壁式充电器

说明

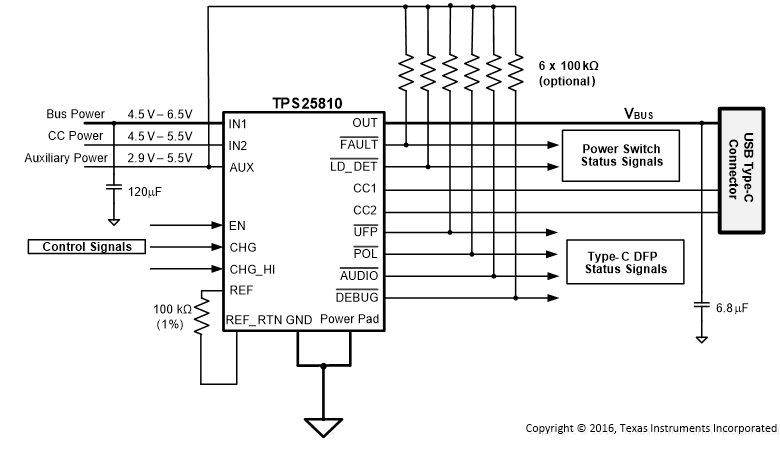
TPS25810 是一款 USB Type-C 下行端口 (DFP) 控制器,集成了一个额定电流为 3A 的 USB 电源开关。TPS25810 监视 Type-C 配置通道 (CC) 线路,确定何时连接了 USB 设备。如果连接了上行端口 (UFP) 设备,TPS25810 将对 VBUS 供电并将可选的 VBUS 拉电流能力通过直通 CC 线通告给 UFP。如果使用电子标记电缆连接了 UFP,TPS25810 还会将 VCONN 电源施加于电缆 CC 引脚。TPS25810 还会识别何时连接了 Type-C 音频或调试附件。

TPS25810 在未连接设备时的电流消耗低于 0.7uA(典型值)。未连接 UFP 时,可使用 UFP 输出禁用高功率 5V 电源,从而在 S4/S5 系统功耗状态下节省更多系统电力。在此模式下,器件能够由电压较低 (3.3V) 的辅助电源 (AUX) 供电运行,该电源通常在低功耗状态 (S4/S5) 下为系统微控制器供电。

TPS25810 34mΩ 电源开关有两个可选的固定电流限值,与 Type-C 电流水平相对应。FAULT 输出会在开关处于过流或过热条件下发出信号。在所有端口不能同时提供高电流 (3A) 的环境下,LD_DET 输出可对多个高电流 Type-C 端口的功率管理进行控制。

器件信息(1)

器件型号 封装 封装尺寸(标称值)
TPS25810 超薄四方扁平无引线 (WQFN) (20) 3.00mm x 4.00mm
  1. 要了解所有可用封装,请参阅数据表末尾的可订购产品附录。

简化电路原理图

TPS25810 simp_schem_lvscr1.gif