ZHCS770A February   2012  – October 2016 TPS2543

PRODUCTION DATA.  

  1. 特性
  2. 应用
  3. 说明
  4. 修订历史记录
  5. Pin Configuration and Functions
  6. Electrical Specifications
    1. 6.1 Absolute Maximum Ratings
    2. 6.2 ESD Ratings
    3. 6.3 Recommended Operating Conditions
    4. 6.4 Thermal Information
    5. 6.5 Electrical Characteristics
    6. 6.6 Electrical Characteristics, High-Bandwidth Switch
    7. 6.7 Electrical Characteristics, Charging Controller
    8. 6.8 Typical Characteristics
  7. Parameter Measurement Information
  8. Detailed Description
    1. 8.1 Overview
    2. 8.2 Functional Block Diagram
    3. 8.3 Feature Description
      1. 8.3.1  Standard Downstream Port (SDP) USB 2.0/USB 3.0
      2. 8.3.2  Charging Downstream Port (CDP)
      3. 8.3.3  Dedicated Charging Port (DCP)
        1. 8.3.3.1 DCP BC1.2 and YD/T 1591-2009
        2. 8.3.3.2 DCP Divider Charging Scheme
      4. 8.3.4  Wake on USB Feature (Mouse/Keyboard Wake Feature)
        1. 8.3.4.1 USB 2.0 Background Information
        2. 8.3.4.2 Wake On USB
        3. 8.3.4.3 USB Slow-Speed Device Recognition and Operation
      5. 8.3.5  Load Detect
      6. 8.3.6  Power Wake
        1. 8.3.6.1 Implementing Power Wake in Notebook System
      7. 8.3.7  Port Power Management (PPM)
        1. 8.3.7.1 Benefits of PPM
        2. 8.3.7.2 PPM Details
        3. 8.3.7.3 Implementing PPM in a System with Two Charging Ports
      8. 8.3.8  Over-Current Protection
      9. 8.3.9  FAULT Response
      10. 8.3.10 Undervoltage Lockout (UVLO)
      11. 8.3.11 Thermal Sense
    4. 8.4 Device Functional Modes
      1. 8.4.1 DCP Auto Mode
      2. 8.4.2 DCP Forced Shorted / DCP Forced Divider1
      3. 8.4.3 High-Bandwidth Data Line Switch
      4. 8.4.4 Device Truth Table (TT)
  9. Application and Implementation
    1. 9.1 Application Information
      1. 9.1.1 Output Discharge
    2. 9.2 Typical Application
      1. 9.2.1 Design Requirements
      2. 9.2.2 Detailed Design Procedure
        1. 9.2.2.1 Current-Limit Settings
      3. 9.2.3 Application Curves
  10. 10Power Supply Recommendations
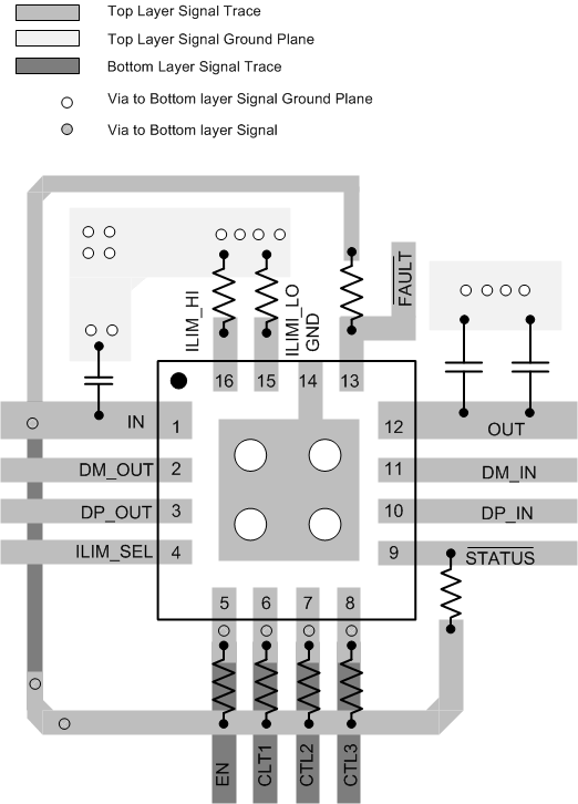
  11. 11Layout
    1. 11.1 Layout Guidelines
    2. 11.2 Layout Example
  12. 12器件和文档支持
    1. 12.1 文档支持
      1. 12.1.1 相关文档 
    2. 12.2 接收文档更新通知
    3. 12.3 社区资源
    4. 12.4 商标
    5. 12.5 静电放电警告
    6. 12.6 Glossary
  13. 13机械、封装和可订购信息

封装选项

机械数据 (封装 | 引脚)
散热焊盘机械数据 (封装 | 引脚)
订购信息

Layout

Layout Guidelines

For the trace routing of DP_IN, DM_IN, DP_OUT, and DM_OUT: route these traces as micro-strips with nominal differential impedance of 90 Ω. Minimize the use of vias in the high-speed data lines. Keep the reference GND plane devoid from cuts or splits above the differential pairs to prevent impedance discontinuities. For more information, see the High-Speed USB Platform Design Guidelines from Intel.

The trace routing from the upstream regulator to the TPS2543 IN pin must as short as possible to reduce the voltage drop and parasitic inductance.

In order to meet IEC61000-4-2 level 4 ESD, external circuitry is required. Refer to the guidelines provided in the 相关文档  section.

The traces routing from the RILIM_HI and RILIM_LO resistors to the device must be as short as possible to reduce parasitic effects on the current-limit accuracy.

The thermal pad must be directly connected to the PCB ground plane using wide and short copper trace.

Layout Example

TPS2543 layout_guidelines_tps2546.gif Figure 45. Layout Recommendation