ZHCSCG6A May   2014  – December 2014 TPS2513A-Q1 , TPS2514A-Q1

PRODUCTION DATA.  

  1. 特性
  2. 应用范围
  3. 说明
  4. 简化应用示意图
  5. 修订历史记录
  6. Pin Configuration and Functions
  7. Specifications
    1. 7.1 Absolute Maximum Ratings
    2. 7.2 ESD Ratings
    3. 7.3 Recommended Operating Conditions
    4. 7.4 Thermal Information
    5. 7.5 Electrical Characteristics
    6. 7.6 Typical Characteristics
  8. Detailed Description
    1. 8.1 Overview
    2. 8.2 Functional Block Diagram
    3. 8.3 Feature Description
      1. 8.3.1 BC1.2
      2. 8.3.2 Undervoltage Lockout (UVLO)
      3. 8.3.3 DCP Auto-Detect
    4. 8.4 Device Functional Modes
      1. 8.4.1 Shorted Mode
      2. 8.4.2 Divider Mode
      3. 8.4.3 1.2 V Mode
  9. Applications and Implementation
    1. 9.1 Application Information
    2. 9.2 Typical Application
      1. 9.2.1 Design Requirements
      2. 9.2.2 Detailed Design Procedure
        1. 9.2.2.1 USB Power Switch
      3. 9.2.3 Application Curves
  10. 10Power Supply Recommendations
  11. 11Layout
    1. 11.1 Layout Guidelines
    2. 11.2 Layout Example
  12. 12器件和文档支持
    1. 12.1 相关链接
    2. 12.2 商标
    3. 12.3 静电放电警告
    4. 12.4 术语表
  13. 13机械封装和可订购信息

封装选项

机械数据 (封装 | 引脚)
散热焊盘机械数据 (封装 | 引脚)
订购信息

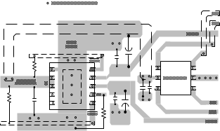
11 Layout

11.1 Layout Guidelines

  • For all applications, a 0.1-µF or greater ceramic bypass capacitor between IN and GND is recommended as close to the device as possible for local noise decoupling.
  • When USB power switch is used, recommend connect TPS2513A-Q1 and TPS2514A-Q1 IN pin together with USB power switch IN pin. For TPS2513A-Q1, Dual channel USB power switch recommend TPS2561A-Q1, for TPS2514A-Q1, single channel USB power switch recommend TPS2557-Q1.
  • Regarding TPS2561A-Q1 layout guidelines, see the TPS2561A-Q1 data sheet (SLVSCC6). Regarding TPS2557-Q1 layout guidelines, see the TPS2557-Q1 data sheet (SLVSC97).
  • DP1 and DM1 provide one charging port controller, DP2 and DM2 provide another one charging port controller, when routing the trace, need consider the matching between DP and DM.

11.2 Layout Example

layout_slvscc8.gif