ZHCSCE7I March   2014  – July 2019 TPS23861

PRODUCTION DATA.  

  1. 特性
  2. 应用范围
  3. 说明
    1.     Device Images
      1.      简化原理图
  4. 修订历史记录
  5. Pin Configuration and Functions
    1.     Pin Functions
  6. Specifications
    1. 6.1 Absolute Maximum Ratings
    2. 6.2 ESD Ratings
    3. 6.3 Recommended Operating Conditions
    4. 6.4 Thermal Information
    5. 6.5 Electrical Characteristics
    6. 6.6 Timing Requirements
    7. 6.7 Switching Characteristics
    8. 6.8 Typical Characteristics
  7. Detailed Description
    1. 7.1 Overview
      1. 7.1.1 Detailed Pin Description
      2. 7.1.2 I2C Detailed Pin Description
    2. 7.2 Functional Block Diagram
    3. 7.3 Feature Description
      1. 7.3.1  Detection Resistance Measurement
      2. 7.3.2  Physical Layer Classification
      3. 7.3.3  Class and Detect Fields
      4. 7.3.4  Register State Following a Fault
      5. 7.3.5  Disconnect
      6. 7.3.6  Disconnect Threshold
      7. 7.3.7  Fast Shutdown Mode
      8. 7.3.8  Legacy Device Detection
      9. 7.3.9  VPWR Undervoltage and UVLO Events
      10. 7.3.10 Timer-Deferrable Interrupt Support
      11. 7.3.11 A/D Converter and I2C Interface
      12. 7.3.12 Independent Operation when the AUTO Bit is Set
      13. 7.3.13 I2C Slave Address and AUTO Bit Programming
    4. 7.4 Device Functional Modes
      1. 7.4.1 Off
      2. 7.4.2 Manual
      3. 7.4.3 Semi-Auto
      4. 7.4.4 Auto
      5. 7.4.5 Push-Button Power On Response
      6. 7.4.6 TSTART Indicators of Detect and Class Failures
      7. 7.4.7 Device Power On Initialization
    5. 7.5 Register Map – I2C-Addressable
      1. 7.5.1  Interrupt Register
      2. 7.5.2  Interrupt Enable Register
      3. 7.5.3  Power Event Register
      4. 7.5.4  Detection Event Register
      5. 7.5.5  Fault Event Register
      6. 7.5.6  Start/ILIM Event Register
      7. 7.5.7  Supply Event Register
      8. 7.5.8  Port n Status Register
        1. 7.5.8.1 Port 1 Status Register
        2. 7.5.8.2 Port 2 Status Register
        3. 7.5.8.3 Port 3 Status Register
        4. 7.5.8.4 Port 4 Status Register
      9. 7.5.9  Power Status Register
      10. 7.5.10 I2C Slave Address Register
      11. 7.5.11 Operating Mode Register
      12. 7.5.12 Disconnect Enable Register
      13. 7.5.13 Detect/Class Enable Register
      14. 7.5.14 Port Power Priority Register
      15. 7.5.15 Timing Configuration Register
      16. 7.5.16 General Mask 1 Register
      17. 7.5.17 Detect/Class Restart Register
      18. 7.5.18 Power Enable Register
      19. 7.5.19 Reset Register
      20. 7.5.20 Legacy Detect Mode Register
      21. 7.5.21 Two-Event Classification Register
      22. 7.5.22 Interrupt Timer Register
      23. 7.5.23 Disconnect Threshold Register
        1. 7.5.23.1 Bits Description
      24. 7.5.24 ICUTnm CONFIG Register
        1. 7.5.24.1 ICUT21 CONFIG Register
        2. 7.5.24.2 ICUT43 CONFIG Register
        3. 7.5.24.3 Bits Description
      25. 7.5.25 Temperature Register
      26. 7.5.26 Input Voltage Register
      27. 7.5.27 Port n Current Register
        1. 7.5.27.1 Port 1 Current Register
        2. 7.5.27.2 Port 2 Current Register
        3. 7.5.27.3 Port 3 Current Register
        4. 7.5.27.4 Port 4 Current Register
      28. 7.5.28 Port n Voltage Register
        1. 7.5.28.1 Port 1 Voltage Register
        2. 7.5.28.2 Port 2 Voltage Register
        3. 7.5.28.3 Port 3 Voltage Register
        4. 7.5.28.4 Port 4 Voltage Register
      29. 7.5.29 PoE Plus Register
      30. 7.5.30 Firmware Revision Register
      31. 7.5.31 I2C Watchdog Register
      32. 7.5.32 Device ID Register
      33. 7.5.33 Cool Down/Gate Drive Register
      34. 7.5.34 Port n Detect Resistance Register
        1. 7.5.34.1 Port 1 Detect Resistance Register
          1. 7.5.34.1.1 Port 2 Detect Resistance Register
          2. 7.5.34.1.2 Port 3 Detect Resistance Register
          3. 7.5.34.1.3 Port 4 Detect Resistance Register
      35. 7.5.35 Port n Detect Voltage Difference Register
        1. 7.5.35.1 Port 1 Detect Voltage Difference Register
        2. 7.5.35.2 Port 2 Detect Voltage Difference Register
        3. 7.5.35.3 Port 3 Detect Voltage Difference Register
        4. 7.5.35.4 Port 4 Detect Voltage Difference Register
      36. 7.5.36 Reserved Registers
  8. Application and Implementation
    1. 8.1 Introduction to PoE
    2. 8.2 Application Information
      1. 8.2.1 Kelvin Current Sensing Resistor
      2. 8.2.2 Connections on Unused Ports
    3. 8.3 Typical Application
      1. 8.3.1 Two Port, Auto Mode Application with External Port Reset
        1. 8.3.1.1 Design Requirements
      2. 8.3.2 Four Port, Auto Mode Application
        1. 8.3.2.1 Design Requirements
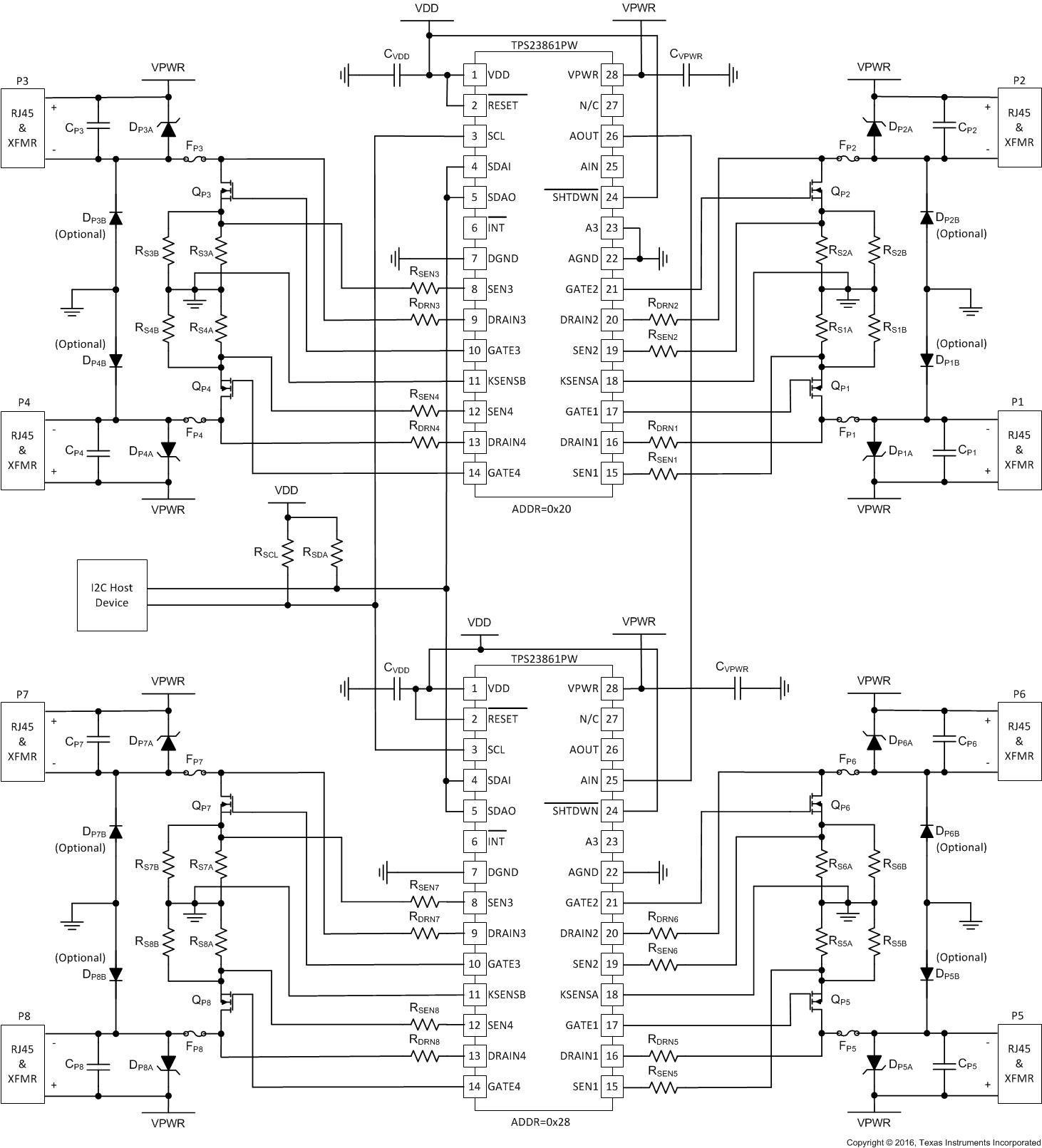
      3. 8.3.3 Eight Port, Semi-Auto Mode Application Using MSP430 Micro-Controller
        1. 8.3.3.1 Design Requirements
      4. 8.3.4 Detailed Design Procedure
        1. 8.3.4.1 Power Pin Bypass Capacitors
        2. 8.3.4.2 Per Port Components
        3. 8.3.4.3 System Level Components (not shown in the schematic diagrams)
      5. 8.3.5 Application Curves
    4. 8.4 System Examples
      1. 8.4.1 Overcurrent and Overload Protection
      2. 8.4.2 Inrush Protection
      3. 8.4.3 ICUT Current Limit
      4. 8.4.4 Foldback Protection (ILIM)
      5. 8.4.5 Kelvin Current Sensing Resistor
  9. Power Supply Recommendations
    1. 9.1 VDD
    2. 9.2 VPWR
    3. 9.3 VPWR-RESET Sequencing
  10. 10Layout
    1. 10.1 Layout Guidelines
      1. 10.1.1 Port Current Kelvin Sensing
    2. 10.2 Layout Example
      1. 10.2.1 Component Placement and Routing Guidelines
        1. 10.2.1.1 Power Pin Bypass Capacitors
        2. 10.2.1.2 Per-Port Components
  11. 11器件和文档支持
    1. 11.1 文档支持
      1. 11.1.1 相关文档
    2. 11.2 接收文档更新通知
    3. 11.3 社区资源
    4. 11.4 商标
    5. 11.5 静电放电警告
    6. 11.6 Glossary
  12. 12机械、封装和可订购信息

封装选项

机械数据 (封装 | 引脚)
散热焊盘机械数据 (封装 | 引脚)
订购信息

Eight Port, Semi-Auto Mode Application Using MSP430 Micro-Controller

TPS23861 eight_port_auto_lusbw2.gifFigure 50. Eight Port Semi-Auto Mode Application