ZHCSRR9K December   2003  – June 2024 TPS2061 , TPS2062 , TPS2063 , TPS2065 , TPS2066 , TPS2067

PRODUCTION DATA  

  1.   1
  2. 特性
  3. 应用
  4. 说明
  5. 说明(续)
  6. Pin Configuration and Functions
  7. Specifications
    1. 6.1 Absolute Maximum Ratings
    2. 6.2 Recommended Operating Conditions
    3. 6.3 Thermal Information
    4. 6.4 Electrical Characteristics
    5. 6.5 Typical Characteristics (TPS2061, TPS2062, TPS2065, and TPS2066)
    6. 6.6 Typical Characteristics (TPS2063 & TPS2067)
  8. Parameter Measurement Information
  9. Detailed Description
    1. 8.1  Functional Block Diagram
    2. 8.2  Power Switch
    3. 8.3  Charge Pump
    4. 8.4  Driver
    5. 8.5  Enable ( ENx or ENx)
    6. 8.6  Current Sense
    7. 8.7  Overcurrent
      1. 8.7.1 Overcurrent Conditions (TPS2063 and TPS2067)
      2. 8.7.2 Overcurrent Conditions (TPS2061, TPS2062, TPS2065, and TPS2066)
    8. 8.8  Overcurrent ( OCx)
    9. 8.9  Thermal Sense
    10. 8.10 Undervoltage Lockout
  10. Application and Implementation
    1. 9.1 Application Information
      1. 9.1.1  Power-supply Considerations
      2. 9.1.2  OC Response
      3. 9.1.3  Power Dissipation and Junction Temperature
      4. 9.1.4  Thermal Protection
      5. 9.1.5  Undervoltage Lockout (UVLO)
      6. 9.1.6  Universal Serial Bus (USB) Applications
      7. 9.1.7  Host/Self-Powered and Bus-powered Hubs
      8. 9.1.8  Low-power Bus-powered and High-Power Bus-Powered Functions
      9. 9.1.9  USB Power-distribution Requirements
      10. 9.1.10 Generic Hot-Plug Applications
  11. 10Device and Documentation Support
    1. 10.1 Device Support
    2. 10.2 Documentation Support
    3. 10.3 接收文档更新通知
    4. 10.4 支持资源
    5. 10.5 Trademarks
    6. 10.6 静电放电警告
    7. 10.7 术语表
  12. 11Revision History
  13. 12Mechanical, Packaging, and Orderable Information

封装选项

请参考 PDF 数据表获取器件具体的封装图。

机械数据 (封装 | 引脚)
  • D|8
  • DGN|8
散热焊盘机械数据 (封装 | 引脚)
订购信息

Host/Self-Powered and Bus-powered Hubs

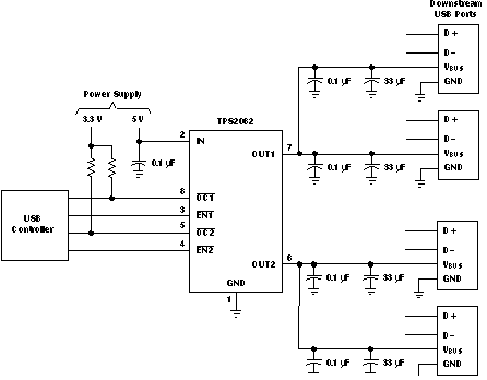
Hosts and SPHs have a local power supply that powers the embedded functions and the downstream ports (see Figure 9-3). This power supply must provide from 5.25 V to 4.75 V to the board side of the downstream connection under full-load and no-load conditions. Hosts and SPHs are required to have current-limit protection and must report overcurrent conditions to the USB controller. Typical SPHs are desktop PCs, monitors, printers, and stand-alone hubs.

TPS2061 TPS2062 TPS2063  TPS2065 TPS2066 TPS2067 Typical Four-Port USB Host / Self-Powered HubFigure 9-3 Typical Four-Port USB Host / Self-Powered Hub

BPHs obtain all power from upstream ports and often contain an embedded function. The hubs are required to power up with less than one unit load. The BPH usually has one embedded function, and power is always available to the controller of the hub. If the embedded function and hub require more than 100 mA on power up, the power to the embedded function may need to be kept off until enumeration is completed. This can be accomplished by removing power or by shutting off the clock to the embedded function. Power switching the embedded function is not necessary if the aggregate power draw for the function and controller is less than one unit load. The total current drawn by the bus-powered device is the sum of the current to the controller, the embedded function, and the downstream ports, and it is limited to 500 mA from an upstream port.