ZHCSRR9K December   2003  – June 2024 TPS2061 , TPS2062 , TPS2063 , TPS2065 , TPS2066 , TPS2067

PRODUCTION DATA  

  1.   1
  2. 特性
  3. 应用
  4. 说明
  5. 说明(续)
  6. Pin Configuration and Functions
  7. Specifications
    1. 6.1 Absolute Maximum Ratings
    2. 6.2 Recommended Operating Conditions
    3. 6.3 Thermal Information
    4. 6.4 Electrical Characteristics
    5. 6.5 Typical Characteristics (TPS2061, TPS2062, TPS2065, and TPS2066)
    6. 6.6 Typical Characteristics (TPS2063 & TPS2067)
  8. Parameter Measurement Information
  9. Detailed Description
    1. 8.1  Functional Block Diagram
    2. 8.2  Power Switch
    3. 8.3  Charge Pump
    4. 8.4  Driver
    5. 8.5  Enable ( ENx or ENx)
    6. 8.6  Current Sense
    7. 8.7  Overcurrent
      1. 8.7.1 Overcurrent Conditions (TPS2063 and TPS2067)
      2. 8.7.2 Overcurrent Conditions (TPS2061, TPS2062, TPS2065, and TPS2066)
    8. 8.8  Overcurrent ( OCx)
    9. 8.9  Thermal Sense
    10. 8.10 Undervoltage Lockout
  10. Application and Implementation
    1. 9.1 Application Information
      1. 9.1.1  Power-supply Considerations
      2. 9.1.2  OC Response
      3. 9.1.3  Power Dissipation and Junction Temperature
      4. 9.1.4  Thermal Protection
      5. 9.1.5  Undervoltage Lockout (UVLO)
      6. 9.1.6  Universal Serial Bus (USB) Applications
      7. 9.1.7  Host/Self-Powered and Bus-powered Hubs
      8. 9.1.8  Low-power Bus-powered and High-Power Bus-Powered Functions
      9. 9.1.9  USB Power-distribution Requirements
      10. 9.1.10 Generic Hot-Plug Applications
  11. 10Device and Documentation Support
    1. 10.1 Device Support
    2. 10.2 Documentation Support
    3. 10.3 接收文档更新通知
    4. 10.4 支持资源
    5. 10.5 Trademarks
    6. 10.6 静电放电警告
    7. 10.7 术语表
  12. 11Revision History
  13. 12Mechanical, Packaging, and Orderable Information

封装选项

请参考 PDF 数据表获取器件具体的封装图。

机械数据 (封装 | 引脚)
  • D|8
  • DBV|5
  • DGN|8
散热焊盘机械数据 (封装 | 引脚)
订购信息

USB Power-distribution Requirements

USB can be implemented in several ways, and, regardless of the type of USB device being developed, several power-distribution features must be implemented.

  • Hosts/SPHs must:
    • Current-limit downstream ports
    • Report overcurrent conditions on USB VBUS
  • BPHs must:
    • Enable/disable power to downstream ports
    • Power up at <100 mA
    • Limit inrush current (<44 Ω and 10 μF)
  • Functions must:
    • Limit inrush currents
    • Power up at <100 mA

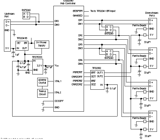
The feature set of the TPS206x allows them to meet each of these requirements. The integrated current-limiting and overcurrent reporting is required by hosts and self-powered hubs. The logic-level enable and controlled rise times meet the need of both input and output ports on bus-powered hubs, as well as the input ports for bus-powered functions (see Figure 9-5).

TPS2061 TPS2062 TPS2063  TPS2065 TPS2066 TPS2067 Hybrid Self / Bus-Powered Hub ImplementationFigure 9-5 Hybrid Self / Bus-Powered Hub Implementation