ZHCSBG7B JULY   2013  – December 2014 TPL5000

PRODUCTION DATA.  

  1. 特性
  2. 应用
  3. 说明
  4. 简化应用电路原理图
  5. 修订历史记录
  6. Pin Configuration and Functions
  7. Specifications
    1. 7.1 Absolute Maximum Ratings
    2. 7.2 ESD Ratings
    3. 7.3 Recommended Operating Ratings
    4. 7.4 Thermal Information
    5. 7.5 Electrical Characteristics
    6. 7.6 Timing Requirements
    7. 7.7 Typical Characteristics
  8. Detailed Description
    1. 8.1 Overview
    2. 8.2 Functional Block Diagram
    3. 8.3 Feature Description
      1. 8.3.1 Supervisor Feature
        1. 8.3.1.1 Calibration Pulse
        2. 8.3.1.2 Overview of the Timing Signals: WAKE, RSTN, TCAL and DONE
        3. 8.3.1.3 Watchdog Feature
        4. 8.3.1.4 Different Utilizations of the TPL5000
      2. 8.3.2 Configuration and Interface
    4. 8.4 Device Functional Modes
  9. Application and Implementation
    1. 9.1 Application Information
    2. 9.2 Typical Application
      1. 9.2.1 Design Requirements
      2. 9.2.2 Detailed Design Procedure
      3. 9.2.3 Application Curve
  10. 10Power Supply Recommendations
  11. 11Layout
    1. 11.1 Layout Guidelines
    2. 11.2 Layout Example
  12. 12器件和文档支持
    1. 12.1 商标
    2. 12.2 静电放电警告
    3. 12.3 术语表
  13. 13机械封装和可订购信息

封装选项

机械数据 (封装 | 引脚)
散热焊盘机械数据 (封装 | 引脚)
订购信息

7 Specifications

7.1 Absolute Maximum Ratings

over operating free-air temperature (unless otherwise noted) (1)
MIN MAX UNIT
Supply Voltage –0.3 6.0 V
Input Voltage(2) –0.3 VDD + 0.3 V
Voltage between any two pins VDD + 0.3 V
Input Current on any pin –5 5 mA
Operating Temperature, TA –40 105
Junction Temperature, TJ(3) 150 °C
Storage Temperature, Tstg –65 150 °C
(1) Stresses beyond those listed under Absolute Maximum Ratings may cause permanent damage to the device. These are stress ratings only, which do not imply functional operation of the device at these or any other conditions beyond those indicated under Recommended Operating Conditions. Exposure to absolute-maximum-rated conditions for extended periods may affect device reliability.
(2) When the input voltage (VIN) at any pin exceeds the power supply (VDD), the current on that pin must not exceed 5 mA and must not exceed 6.0 V.
(3) The maximum power dissipation is a function of TJ(MAX), RθJA, and the ambient temperature, TA. The maximum allowable power dissipation at any ambient temperature is PDMAX = (TJ(MAX) - TA)/ θJA. All numbers apply for packages soldered directly onto a PCB.

7.2 ESD Ratings

VALUE UNIT
V(ESD) Electrostatic discharge Human-body model (HBM), per ANSI/ESDA/JEDEC JS-001(1) ±2000 V
Charged-device model (CDM), per JEDEC specification JESD22-C101(2) ±500
(1) JEDEC document JEP155 states that 500-V HBM allows safe manufacturing with a standard ESD control process.
(2) JEDEC document JEP157 states that 250-V CDM allows safe manufacturing with a standard ESD control process.

7.3 Recommended Operating Ratings

MIN MAX UNIT
Supply Voltage (VDD-GND) 1.8 5.0 V
Temperature Range -40 105 °C

7.4 Thermal Information

THERMAL METRIC(1) TPL5000 UNIT
VSSOP
10 PINS
RθJA Junction-to-ambient thermal resistance 196.8 °C/W
(1) For more information about traditional and new thermal metrics, see the IC Package Thermal Metrics application report, SPRA953.

7.5 Electrical Characteristics(1)

Specifications are for TA =TJ = 25°C, VDD-GND=2.5 V, unless otherwise stated.
PARAMETER TEST CONDITIONS MIN(2) TYP(3) MAX(2) UNIT
POWER SUPPLY
IVDD Supply current(4) PGOOD = VDD 30 50 nA
PGOOD = GND 12 nA
TIMER
tDP Timer Delay Period 1, 2, 4, 8, 10, 16, 32, 64 s
Timer Delay drift over life time(6) 0.06%
Timer Delay drift over temperature 400 ppm/°C
tCAL Calibration pulse width 14.063 15.625 17.188 ms
tDP to tCAL matching error(5) VDD ≤ 3.0 V 0.1
tDONE DONE Pulse width (5) 100 ns
tRSTn RSTn Pulse width 15.625 ms
tWAKE WAKE Pulse width 31.25 ms
DIGITAL LOGIC LEVELS
VIH Logic High Threshold PGOOD, DONE 0.7xVDD V
VIL Logic Low Threshold PGOOD, DONE 0.3xVDD V
VOH Logic output High Level WAKE, TCAL

Iout = 100 uA
VDD-0.3 V
WAKE, TCAL

Iout = 1 mA
VDD-0.7 V
VOL Logic output Low Level WAKE, TCAL

Iout = -100 uA
0.3 V
WAKE, TCAL

Iout = -1 mA
0.7 V
VOLRSTn RSTn Logic output Low Level IOL= -1 mA 0.3 V
IOHRSTn RSTn High Level output current VOHRSTn=VDD 1 nA
(1) Electrical Characteristics Table values apply only for factory testing conditions at the temperature indicated. Factory testing conditions result in very limited self-heating of the device such that TJ = TA.
(2) Limits are specified by testing, design, or statistical analysis at 25°C. Limits over the operating temperature range are specified through correlations using statistical quality control (SQC) method.
(3) Typical values represent the most likely parametric norm as determined at the time of characterization. Actual typical values may vary over time and will also depend on the application and configuration. The typical values are not tested and are not specified on shipped production material.
(4) The supply current does not take in account load and pull-up resistor current. Input pins are at GND or VDD.
(5) Ensured by design.
(6) Operational life time test procedure equivalent to10 years.

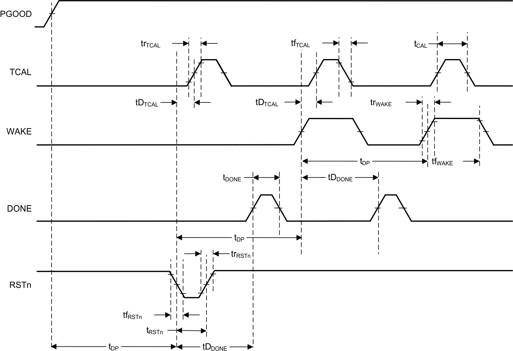
7.6 Timing Requirements

MIN TYP MAX UNIT
trTCAL Rise Time TCAL Capacitive load 15 pF 50 ns
tfTCAL, Fall Time TCAL Capacitive load 15 pF 50 ns
trRSTn, Rise Time RSTn Capacitive load 15 pF, Rpull-up 100Kohm 4 ns
tfRSTn, Fall Time RSTn Capacitive load 15 pF, Rpull-up 100Kohm 50 ns
trWAKE Rise Time WAKE Capacitive load 15 pF 50 ns
tfWAKE Fall Time WAKE Capacitive load 15 pF 50 ns
tDDONE DONE to RSTn or WAKE delay Min delay 100 ns
Max delay tDP-5*tCAL ms
tDTCAL TCAL to RSTn or WAKE delay tCAL/2 ms
Timing.gifFigure 1. Timing Diagram

7.7 Typical Characteristics

C003_SNAS628.png
Figure 2. IDD vs VDD
C002_SNAS628.png
Figure 4. TCAL Pulse Width vs VDD
C004_SNAS628.png
Figure 3. IDD vs Temperature
C001_SNAS628.png
Figure 5. TCAL Pulse Width vs Temperature