SLIS061D July   1998  – September  2015 TPIC6C595

PRODUCTION DATA.  

  1. Features
  2. Applications
  3. Description
  4. Revision History
  5. Pin Configuration and Functions
  6. Specifications
    1. 6.1 Absolute Maximum Ratings
    2. 6.2 ESD Ratings
    3. 6.3 Recommended Operating Conditions
    4. 6.4 Thermal Information
    5. 6.5 Electrical Characteristics
    6. 6.6 Switching Characteristics
    7. 6.7 Typical Characteristics
  7. Parameter Measurement Information
  8. Detailed Description
    1. 8.1 Overview
    2. 8.2 Functional Block Diagram
    3. 8.3 Feature Description
      1. 8.3.1 Serial-In Interface
      2. 8.3.2 Clear Register
      3. 8.3.3 Output Control
      4. 8.3.4 Cascaded Application
      5. 8.3.5 Current Limit Function
    4. 8.4 Device Functional Modes
      1. 8.4.1 Operation With V(VIN) < 4.5 V (Minimum V(VIN))
      2. 8.4.2 Operating With 5.5 V < V(VIN) < 6 V
  9. Application and Implementation
    1. 9.1 Application Information
    2. 9.2 Typical Application
      1. 9.2.1 Design Requirements
      2. 9.2.2 Detailed Design Procedure
        1. 9.2.2.1 Step-by-Step Design Procedure
          1. 9.2.2.1.1 R1, R2, R3, R4, R5, R6, R7, R8
          2. 9.2.2.1.2 R9, R10, R11, R12, R13, R14, R15, R16
      3. 9.2.3 Application Curve
  10. 10Power Supply Recommendations
  11. 11Layout
    1. 11.1 Layout Guidelines
    2. 11.2 Layout Example
    3. 11.3 Thermal Considerations
  12. 12Device and Documentation Support
    1. 12.1 Community Resources
    2. 12.2 Trademarks
    3. 12.3 Electrostatic Discharge Caution
    4. 12.4 Glossary
  13. 13Mechanical, Packaging, and Orderable Information

封装选项

请参考 PDF 数据表获取器件具体的封装图。

机械数据 (封装 | 引脚)
  • PW|16
  • N|16
  • D|16
散热焊盘机械数据 (封装 | 引脚)
订购信息

9 Application and Implementation

NOTE

Information in the following applications sections is not part of the TI component specification, and TI does not warrant its accuracy or completeness. TI’s customers are responsible for determining suitability of components for their purposes. Customers should validate and test their design implementation to confirm system functionality.

9.1 Application Information

The TPIC6C595 is a serial-in parallel-out, Power+LogicE 8-bit shift register with low-side switch DMOS outputs rating of 100 mA per channel. The device is designed for use in systems that require relatively moderate load power such as LEDs. The device contains a built-in voltage clamp on the outputs for inductive transient protection. Power driver applications include relays, solenoids, and other low current or medium-voltage loads. The following focuses on automotive cluster applications for the TPIC6C595.

9.2 Typical Application

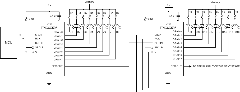
The typical application of TPIC6C595 is automotive cluster driver. In this example, two TPIC6C595 power shift registers are cascaded and used to turn on LEDs in the cluster panel. In this case, the LED must be updated after all 16 bits of data have been loaded into the serial shift registers. MCU outputs the data to the serial input (SER IN) while clocking the shift register clock (SRCK). After the 16th clock, a pulse to the register clock (RCK) transfers the data to the storage registers. If output enable (G) is low, then the LEDs are turned on corresponding to the status word with ones being on and zeros off. With this simple scheme, MCU can use the SPI interface to turn on 16 LEDs using only two ICs as illustrated in Figure 14.

TPIC6C595 schematic_slis061.gif Figure 14. Typical Application Schematic

9.2.1 Design Requirements

Table 1 shows the design parameters for this typical application.

Table 1. Design Parameters

DESIGN PARAMETERS EXAMPLE VALUE
Vsupply 9 V to 16 V
V(D1), V(D2), V(D3), V(D4), V(D5), V(D6),V(D7), V(D8) 2 V
V(D9), V(D10),V(D11), V(D12), V(D13), V(D14),V(D15), V(D16) 3.3 V
I(D1), I(D2), I(D3), I(D4), I(D5), I(D6),I(D7), I(D8) 20 mA when Vbattery is 12 V
I(D9), I(D10), I(D11), I(D12), I(D13), I(D14),I(D15), I(D16) 30 mA when Vbattery is 12 V

9.2.2 Detailed Design Procedure

9.2.2.1 Step-by-Step Design Procedure

To begin the design process, one must decide on a few parameters. The designer must know the following:

  • Vsupply – LED supply is connected directly to the car battery, which has a voltage range from 9 V to 16 V, or fixed voltage. This application connects to the battery directly.
  • V(Dx) – LED forward voltage
  • I(Dx) – LED setting current when battery is 12 V.

9.2.2.1.1 R1, R2, R3, R4, R5, R6, R7, R8

Equation 1. R1 = R2 = R3 = R4 = R5 = R6 = R7 = R8 = (Vsupply – V(Dx)) / I(Dx) = (12 V – 2 V) / 0.02 A = 500 Ω

When Vsupply is 9 V, I(D1) = I(D2) = I(D3) = I(D4) = I(D5) = I(D6) = I(D7) = I(D8) = (Vsupply – V(Dx)) / Rx = 14 mA.

When Vsupply is 16 V, I(D1) = I(D2) = I(D3) = I(D4) = I(D5) = I(D6) = I(D7) = I(D8) = (Vsupply – V(Dx)) / Rx = 28 mA.

9.2.2.1.2 R9, R10, R11, R12, R13, R14, R15, R16

Equation 2. R9 = R10 = R11 = R12 = R13 = R14 = R15 = R16 = (Vsupply – V(Dx)) / I(Dx) = (12 V – 3.3 V) / 0.03 A = 290 Ω

When Vsupply is 9 V, I(D9) = I(D10) = I(D11) = I(D12) = I(D13) = I(D14) = I(D15) = I(D16) = (Vsupply – V(Dx)) / Rx = 19.7 mA.

When Vsupply is 16 V, I(D9) = I(D10) = I(D11) = I(D12) = I(D13) = I(D14) = I(D15) = I(D16) = (Vsupply – V(Dx)) / Rx = 43.8 mA.

NOTE

If customer can accept the current variation when battery voltage is changing, they can connect to battery directly. If customer needs the less variation of current, they must use the voltage regulator as supply voltage of LED, or change to constant current LED driver directly.

9.2.3 Application Curve

TPIC6C595 application_curve01_slis061.png Figure 15. CH1 is SRCK, CH2 is RCK, CH3 is SERIN, CH4 is D1 current