ZHCSEQ4 July   2015 TPIC2060A

PRODUCTION DATA.  

  1. 特性
  2. 应用
  3. 说明
  4. 修订历史记录
  5. 说明 (续)
  6. Pin Configuration and Functions
  7. Specifications
    1. 7.1 Absolute Maximum Ratings
    2. 7.2 ESD Ratings
    3. 7.3 Recommended Operating Conditions
    4. 7.4 Thermal Information
    5. 7.5 Electrical Characteristics
    6. 7.6 Serial I/F Write Timing Requirements
    7. 7.7 Serial I/F Read Timing Requirements
    8. 7.8 Typical Characteristics
  8. Detailed Description
    1. 8.1 Overview
    2. 8.2 Functional Block Diagram
    3. 8.3 Feature Description
      1. 8.3.1 Protection Functions
        1. 8.3.1.1 OVP
        2. 8.3.1.2 SCP
        3. 8.3.1.3 Temperature Shutdown (TSD)
        4. 8.3.1.4 ACTTIMER
    4. 8.4 Device Functional Modes
      1. 8.4.1 Differential Tilt Mode
      2. 8.4.2 Power-On Reset (POR)
        1. 8.4.2.1 RDY (Power Ready)
        2. 8.4.2.2 Voltage Monitoring
    5. 8.5 Programming
      1. 8.5.1 Serial Port Functional Description
      2. 8.5.2 Write Operation
      3. 8.5.3 Read Operation
      4. 8.5.4 Write and Read Operation
    6. 8.6 Register Maps
      1. 8.6.1 Register State Transition
      2. 8.6.2 DAC Register (12-Bit Write Only)
      3. 8.6.3 Control Register (8-Bit Read/Write)
      4. 8.6.4 Detailed Register Description
        1. 8.6.4.1  REG01 12-Bit DAC for Tilt (offset = 01h)
        2. 8.6.4.2  REG02 12-Bit DAC for Focus (offset = 02h)
        3. 8.6.4.3  REG03 12-Bit DAC for Tracking (offset = 03h)
        4. 8.6.4.4  REG04 12-Bit DAC for Sled1 (offset = 04h)
        5. 8.6.4.5  REG05 12-Bit DAC for Sled2 (offset = 05h)
        6. 8.6.4.6  REG06 12-Bit DAC for Stepping1 (offset = 06h)
        7. 8.6.4.7  REG07 12-Bit DAC for Stepping2 (offset = 07h)
        8. 8.6.4.8  REG08 12-Bit DAC for Spindle (offset = 08h)
        9. 8.6.4.9  REG09 12-Bit DAC for Load (offset = 09h)
        10. 8.6.4.10 REG70 8-Bit Control Register for DriverEna (offset = 70h)
        11. 8.6.4.11 REG71 8-Bit Control Register for FuncEna (offset = 71h)
        12. 8.6.4.12 REG72 8-Bit Control Register for ACTCfg (offset = 72h)
        13. 8.6.4.13 REG73 8-Bit Control Register for Parm0 (offset = 73h)
        14. 8.6.4.14 REG74 8-Bit Control Register for SIFCfg (offset = 74h)
        15. 8.6.4.15 REG75 8-Bit Control Register for Parm1 (offset = 75h)
        16. 8.6.4.16 REG76 8-Bit Control Register for WriteEna (offset = 76h)
        17. 8.6.4.17 REG77 8-Bit Control Register for ClrReg (offset = 77h)
        18. 8.6.4.18 REG78 8-Bit Control Register for ActTemp (offset = 78h)
        19. 8.6.4.19 REG79 8-Bit Control Register for UVLOMon (offset = 79h)
        20. 8.6.4.20 REG7A 8-Bit Control Register for TSDMon (offset = 7Ah)
        21. 8.6.4.21 REG7B 8-Bit Control Register for SCPMon (offset = 7Bh)
        22. 8.6.4.22 REG7C 8-Bit Control Register for TempMon (offset = 7Ch)
        23. 8.6.4.23 REG7D 8-Bit Control Register for Status Monitor (offset = 7Dh)
        24. 8.6.4.24 REG7E 8-Bit Control Register for Version (offset = 7Eh)
        25. 8.6.4.25 REG7F 8-Bit Control Register for Status (offset = 7Fh)
        26. 8.6.4.26 REG60 8-Bit Control Register for SPMCfg (offset = 60h)
        27. 8.6.4.27 REG61 8-Bit Control Register for SPMCfg (offset = 61h)
        28. 8.6.4.28 REG62 8-Bit Control Register for SPMCfg (offset = 62h)
        29. 8.6.4.29 REG64 8-Bit Control Register for Protect (offset = 64h)
        30. 8.6.4.30 REG65 8-Bit Control Register for SPMCfg (offset = 65h)
        31. 8.6.4.31 REG68 8-Bit Control Register for Protect (offset = 68h)
        32. 8.6.4.32 REG6B 8-Bit Control Register for DisProt (offset = 6Bh)
        33. 8.6.4.33 REG6C 8-Bit Control Register for ENDCfg (offset = 6Ch)
        34. 8.6.4.34 REG6E 8-Bit Control Register for UtilCfg (offset = 6Eh)
        35. 8.6.4.35 REG6F 8-Bit Control Register for GPOUTSet (offset = 6Fh)
  9. Application and Implementation
    1. 9.1 Application Information
      1. 9.1.1  DAC Type
      2. 9.1.2  Example of 12-Bit DAC Sampling Rate for FCS/TRK/TLT
      3. 9.1.3  Digital Input Coding
      4. 9.1.4  Example Timing of Target Control System
      5. 9.1.5  Spindle Motor Driver Operating Sequence
      6. 9.1.6  Auto Short Brake Function
      7. 9.1.7  Spindle PWM Control
      8. 9.1.8  Spindle Driver Current Limit Circuit
      9. 9.1.9  Sled Driver Part
      10. 9.1.10 Stepping Driver Part
      11. 9.1.11 Focus/Track/Tilt Driver Part
        1. 9.1.11.1 Input VS Output Duty
      12. 9.1.12 Load Driver Part
      13. 9.1.13 End Detect Function
      14. 9.1.14 Load Tray Lock Detect Function
      15. 9.1.15 Load Tray Push Detect Function
      16. 9.1.16 Monitor Signal on GPOUT
      17. 9.1.17 9-V LDO
    2. 9.2 Typical Application
      1. 9.2.1 Design Requirements
      2. 9.2.2 Detailed Design Procedure
      3. 9.2.3 Application Curves
  10. 10Power Supply Recommendations
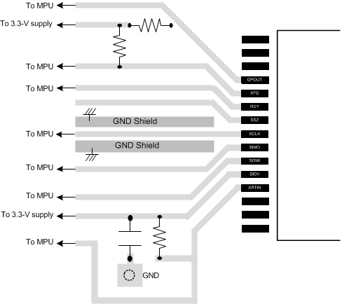
  11. 11Layout
    1. 11.1 Layout Guidelines
    2. 11.2 Layout Example
  12. 12器件和文档支持
    1. 12.1 社区资源
    2. 12.2 商标
    3. 12.3 静电放电警告
    4. 12.4 Glossary
  13. 13机械、封装和可订购信息

封装选项

机械数据 (封装 | 引脚)
散热焊盘机械数据 (封装 | 引脚)
订购信息

11 Layout

11.1 Layout Guidelines

  1. CV3P3V, CA5V, and C10V requires external capacitor. Because these are reference voltage for device, locate the capacitor as close to device as possible. Keep away from noise source.
  2. TI recommends SCLK ground shielding.
  3. LINFB is feedback pin for LDO. External divided resistors should be located closer to LINFB pin.

11.2 Layout Example

TPIC2060A layout_ex_lis166.gif
A. GND shield is recommend for SCLK.
Figure 67. Layout Example between TPIC2060A and MPU