ZHCSEF8 December   2015 TPIC2010

PRODUCTION DATA.  

  1. 特性
  2. 应用
  3. 说明
  4. 修订历史记录
  5. 说明(续)
  6. Pin Configuration and Functions
  7. Specifications
    1. 7.1  Absolute Maximum Ratings
    2. 7.2  ESD Ratings
    3. 7.3  Recommended Operating Conditions
    4. 7.4  Thermal Information
    5. 7.5  Electrical Characteristics - Serial Port Voltage Levels
    6. 7.6  Electrical Characteristics - Common Part
    7. 7.7  Electrical Characteristics - Charge Pump
    8. 7.8  Electrical Characteristics - V1pXV DC-DC Converter
    9. 7.9  Electrical Characteristics - 3.3-V DC-DC Converter
    10. 7.10 Electrical Characteristics - Spindle Motor Driver Part
    11. 7.11 Electrical Characteristics - Sled Motor Driver Part
    12. 7.12 Electrical Characteristics - Focus/Tilt/Tracking/Driver Part
    13. 7.13 Electrical Characteristics - Load Driver Part
    14. 7.14 Electrical Characteristics - Stepping Motor Driver Part
    15. 7.15 Electrical Characteristics - Current Switch Part
    16. 7.16 Electrical Characteristics - LED Switch Part
    17. 7.17 Electrical Characteristics - Thermometer Part
    18. 7.18 Electrical Characteristics - Actuator Protection
    19. 7.19 Serial Port I/F Write Timing Requirements
    20. 7.20 Serial Port I/F Read Timing Requirements
    21. 7.21 Typical Characteristics
  8. Detailed Description
    1. 8.1 Overview
    2. 8.2 Functional Block Diagram
    3. 8.3 Feature Description
      1. 8.3.1 Protection Functions
        1. 8.3.1.1 Undervoltage Lockout (UVLO)
        2. 8.3.1.2 Overvoltage Protection (OVP)
        3. 8.3.1.3 Overcurrent Protection (OCP)
        4. 8.3.1.4 Thermal Protection (TSD)
        5. 8.3.1.5 Actuator Temperature Protection (ACTTIMER)
    4. 8.4 Device Functional Modes
      1. 8.4.1 Power-On Reset (POR)
        1. 8.4.1.1 Power-Up Sequences
        2. 8.4.1.2 XRESET
    5. 8.5 Programming
      1. 8.5.1 Function and Operation
        1. 8.5.1.1 Serial Port Functional Description
        2. 8.5.1.2 Write Operation
        3. 8.5.1.3 Read Operation
        4. 8.5.1.4 Write and Read Operation
    6. 8.6 Register Maps
      1. 8.6.1 Register State Transition
      2. 8.6.2 DAC Register (12-Bit Write Only)
      3. 8.6.3 Control Register (8-Bit Read/Write)
      4. 8.6.4 Detailed Description of Register
        1. 8.6.4.1  REG01 12-Bit DAC for Tilt
        2. 8.6.4.2  REG02 12-Bit DAC for Focus
        3. 8.6.4.3  REG03 12-Bit DAC for Tracking
        4. 8.6.4.4  REG04 12-Bit DAC for Sled1
        5. 8.6.4.5  REG05 12-Bit DAC for Sled2
        6. 8.6.4.6  REG06 12-Bit DAC for Stepping1
        7. 8.6.4.7  REG07 12-Bit DAC for Stepping2
        8. 8.6.4.8  REG08 12-Bit DAC for Spindle
        9. 8.6.4.9  REG09 12-Bit DAC for Load
        10. 8.6.4.10 REG63 8-Bit Control Register for SpinAdj
        11. 8.6.4.11 REG6C 8-Bit Control Register for EDetCfg
        12. 8.6.4.12 REG6D 8-Bit Control Register for DCCfg
        13. 8.6.4.13 REG6E 8-Bit Control Register for UtilCfg
        14. 8.6.4.14 REG6F 8-Bit Control Register for MonitorSet
        15. 8.6.4.15 REG70 8bit Control Register for DriverEna
        16. 8.6.4.16 REG71 8-Bit Control Register for FuncEna
        17. 8.6.4.17 REG72 8-Bit Control Register for ACTCfg
        18. 8.6.4.18 REG73 8-Bit Control Register for Parm0
        19. 8.6.4.19 REG74 8-Bit Control Register for SIFCfg
        20. 8.6.4.20 REG76 8-Bit Control Register for WriteEna
        21. 8.6.4.21 REG77 8-Bit Control Register for ClrReg
        22. 8.6.4.22 REG78 8-Bit Control Register for ActTemp
        23. 8.6.4.23 REG79 8-Bit Control Register for UVLOMon
        24. 8.6.4.24 REG7A 8-Bit Control Register for ThPMon
        25. 8.6.4.25 REG7B 8-Bit Control Register for OCPMon
        26. 8.6.4.26 REG7C 8-Bit Control Register for TempMon
        27. 8.6.4.27 REG7E 8-Bit Control Register for Version (REG7E)
        28. 8.6.4.28 REG7F 8-Bit Control Register for Status (REG7F)
  9. Application and Implementation
    1. 9.1 Application Information
      1. 9.1.1  DAC Type
      2. 9.1.2  Example Sampling Rate of 12-Bit DAC for FCS/TRK/TLT
      3. 9.1.3  Digital Input Coding
      4. 9.1.4  Example Timing of Target Control System
      5. 9.1.5  Spindle Motor Driver Part
        1. 9.1.5.1 Spindle PWM Control
        2. 9.1.5.2 Auto Short Brake Function
        3. 9.1.5.3 Spindle Low Speed Mode
        4. 9.1.5.4 Spindle Driver Current Limiting Circuit
      6. 9.1.6  Sled Driver Part
        1. 9.1.6.1 End Detect Function
      7. 9.1.7  Load Driver Part
      8. 9.1.8  Focus/Track/Tilt Driver Part
        1. 9.1.8.1 Input vs Output Duty
        2. 9.1.8.2 Differential Tilt Mode
      9. 9.1.9  2-Channel Synchronous DC-DC Converter
        1. 9.1.9.1 V1Px DC-DC Converter
        2. 9.1.9.2 V3P3 DC-DC Converter
        3. 9.1.9.3 Setup When Not Using DC-DC Converter
        4. 9.1.9.4 Discontinuous Regulation Mode
      10. 9.1.10 Monitor Signal on GPOUT
    2. 9.2 Typical Application
      1. 9.2.1 Design Requirements
      2. 9.2.2 Detailed Design Procedure
      3. 9.2.3 Application Curves
  10. 10Power Supply Recommendations
  11. 11Layout
    1. 11.1 Layout Guidelines
    2. 11.2 Layout Example
  12. 12器件和文档支持
    1. 12.1 器件支持
      1. 12.1.1 Third-Party Products Disclaimer
    2. 12.2 社区资源
    3. 12.3 商标
    4. 12.4 静电放电警告
    5. 12.5 Glossary
  13. 13机械、封装和可订购信息

封装选项

机械数据 (封装 | 引脚)
散热焊盘机械数据 (封装 | 引脚)
订购信息

7 Specifications

7.1 Absolute Maximum Ratings

see (1)(3)
MIN MAX UNIT
5-V supply voltage A5V, P5V 6 V
Spindle output peak voltage(4) 7 V
Input/output voltage –0.3 VCC + 0.3 V V
Spindle output current 1.0 A
Spindle output peak current (PW ≦ 2 ms, Duty ≦ 30%) 2.5 A
Sled output peak current 0.8 A
Focus/tilt/tracking driver output peak current 1.5 A
Load driver output peak current 0.8 A
Power dissipation(2) 1344 mW
Operating temperature –20 75 °C
Tstg Storage temperature –50 150 °C
(1) Stresses beyond those listed under Absolute Maximum Ratings may cause permanent damage to the device. These are stress ratings only, which do not imply functional operation of the device at these or any other conditions beyond those indicated under Recommended Operating Conditions. Exposure to absolute-maximum-rated conditions for extended periods may affect device reliability.
(2) A lower RθJC is attainable if the exposed pad is connected to a large copper ground plane. RθJC and RθJA are values for 56-pin TSSOP without a exposed heat slug (HSL) on bottom.  Actual thermal resistance would be better than the above values.
(3) All voltage values are with respect to the GND.
(4) The output voltage generated with regeneration current at the time of output is off states.

7.2 ESD Ratings

VALUE UNIT
V(ESD) Electrostatic discharge Human-body model (HBM), per ANSI/ESDA/JEDEC JS-001(1) ±2000 V
Charged-device model (CDM), per JEDEC specification JESD22-C101(2) ±500
(1) JEDEC document JEP155 states that 500-V HBM allows safe manufacturing with a standard ESD control process.
(2) JEDEC document JEP157 states that 250-V CDM allows safe manufacturing with a standard ESD control process.

7.3 Recommended Operating Conditions

MIN NOM MAX UNIT
A5V Operating supply voltage (apply for A5V) 4.5 5.0 5.5 V
P5V Driver 5V supply voltage (apply for P5V) A5V – 0.2 A5V A5V + 0.2 V
CSWIV CSWI input voltage (apply for P5V) A5V – 0.2 A5V A5V + 0.2 V
VSIOV SIOV voltage 3.0 3.3 3.6 V
VSIFH SIMO, SSZ, SCLK pin “H” level input voltage range 2.2 SIOV + 0.2 V
VSIFL SIMO, SSZ, SCLK pin “L” level input voltage range –0.2 0.8 V
VIHB XMUTE, SWR_SEQ1, SWR_SEQ2, V1pXSEL
pin “H” level input voltage
2.2 A5V + 0.1 V
VILB XMUTE, SWR_SEQ1, SWR_SEQ2, V1pXSEL
pin “L” level input voltage range
–0.1 0.8 V
ISPMOA Spindle output average current (U, V, W total) 700 mA
ISPMO Spindle output current 700 mA
ISLDOA Sled output average current 400 mA
ILd1Px 1pXV switching regulator load current 900 mA
ILd3P3 3p3V switching regulator load current 500 mA
IACTOA Focus / tracking / tilt / loading output average current 400 mA
ICSWOA CSWO output average current 200 mA
ISTPOA STP output average current 200 mA
Fck SCLK frequency 30 33.8688 35 MHz
TO Operating temperature range –20 25 75 °C

7.4 Thermal Information

THERMAL METRIC(1) TPIC2010 UNIT
DFD (HTSSOP)
56 PINS
RθJA Junction-to-ambient thermal resistance 16.9 °C/W
RθJC(top) Junction-to-case (top) thermal resistance 0.8 °C/W
RθJB Junction-to-board thermal resistance 5.2 °C/W
ψJT Junction-to-top characterization parameter 1.0 °C/W
ψJB Junction-to-board characterization parameter 5.2 °C/W
RθJC(bot) Junction-to-case (bottom) thermal resistance 0.9 °C/W
(1) For more information about traditional and new thermal metrics, see the Semiconductor and IC Package Thermal Metrics application report, SPRA953.

7.5 Electrical Characteristics – Serial Port Voltage Levels

over recommended operating free-air temperature range (A5V ≈ 4.5 to 5.5 V, P5V_1, P5V_2, P5V_STP, P5V_SPM1, P5V_SPM2 = A5V, VREF = 1.65 V, TA ≈ –20°C to 75°C; unless otherwise noted)
PARAMETER TEST CONDITIONS MIN TYP MAX UNIT
SOMI High-level output voltage, VOH IOH = 1 mA 80%
SPIOV
V
SOMI Low-level output voltage, VOL IOL = 1 mA 20%
SPIOV
V
SIMO High-level input voltage, VIH 70%
SPIOV
V
SIMO Low level input voltage, VIL 20%
SPIOV
V
SIMO Input rise/fall time 10% → 90% PIOV 3.5 ns
SIMO Output rise/fall time(1) Cload = 30 pF,10% → 90% SPIOV 10 ns
SCLK Internal pulldown resistance 200
SSZ Internal pullup resistance 200
(1) Specified by design

7.6 Electrical Characteristics – Common Part

over recommended operating free-air temperature range (A5V ≈ 4.5 to 5.5 V, P5V_1, P5V_2, P5V_STP, P5V_SPM1, P5V_SPM2 = A5V, VREF = 1.65 V, TA ≈ –20°C to 75°C; unless otherwise noted)
PARAMETER TEST CONDITIONS MIN TYP MAX UNIT
ISTBY Stand by Supply current SWR_SEQ1 = SWR_SEQ2 = V1PxSEL = A5V 1 mA
VCV3 CV3P3 Output voltage Iload = 25 mA 3.135 3.3 3.465 V
RXM XMUTE pulldown resistor 100 200 300
RSW1 SWR_SEQ1 pulldown resistor 100 200 300
RSW2 SWR_SEQ2 pulldown resistor 100 200 300
RSELS1 V1PxSEL pulldown resistor 100 200 300
RXRST XRESET pullup resistor 16.5 33 49.5
VXRST XRESET low level output voltage SIOV = 3.3 V, IOL = –100 µA 0.3 V
TPOR Power-On Reset delay 15 20 25 ms
RXFG XFG output resistor 100 200 300 Ω
VXFGH XFG high level output voltage SIOV = 3.3 V, XSLEEP = 1,
IOH = 100 µA
2.7 V
VXFGL XFG low level output voltage SIOV = 3.3 V, XSLEEP = 1,
IOL = –100 µA
0.3 V
RGPO GPOUT output resistor 100 200 300 Ω
VGPOH GPOUT high level output voltage SIOV = 3.3 V, XSLEEP = 1,
GPOUT_ENA = 1, GPOUT_HL = 1, IOH = 100 µA
2.7 V
VGPOL GPOUT low level output voltage SIOV = 3.3 V, XSLEEP = 1,
GPOUT_ENA = 1,GPOUT_HL = 0, IOH = 100 µA
0.3 V
tTSD Thermal protect on temperature Design ensured value 130 145 165 ºC
hytTSD Thermal protect hys temperature 5 15 25 ºC
Vonvcc A5V Reset on voltage 3.6 3.7 3.8 V
Voffvcc A5V Reset off voltage 3.8 3.9 4 V
VonCV3 CV3P3 reset on voltage 2.6 2.7 2.8 V
VoffCV3 CV3P3 reset off voltage 2.68 2.8 2.88 V
HysCV3 CV3P3 reset voltage Hys 35 85 135 mV
VovpspmOn OVP detection voltage (Spindle)(1) 6 6.2 6.4 V
VovpspmOff OVP release voltage (Spindle)(1) 5.8 6 6.2 V
VovpSpmHys OVP voltage Hys (Spindle)(1) 140 240 340 mV
VovpOn OVP detection voltage
(except Spindle)(1)
6.3 6.5 6.7 V
VovpOff OVP release voltage
(except Spindle)(1)
6.1 6.3 6.5 V
VovpHys OVP voltage Hys
(except Spindle)(1)
140 240 340 mV
(1) Those are value as protection functions only, and stress beyond those listed under Recommended Operating Conditions may cause permanent damage to the device.

7.7 Electrical Characteristics – Charge Pump

over recommended operating free-air temperature range (A5V ≈ 4.5 to 5.5 V, P5V_1, P5V_2, P5V_STP, P5V_SPM1, P5V_SPM2 = A5V, VREF = 1.65 V, TA ≈ –20°C to 75°C; unless otherwise noted)
PARAMETER TEST CONDITIONS MIN TYP MAX UNIT
FCHGP Frequency XSLEEP=1 132.6 156 179.4 kHz
VCHGP Output Voltage Ccp1 = Ccp3 = 0.1 µF
Io = –1 mA
7.76 9.7 11.64 V

7.8 Electrical Characteristics – V1pXV DC-DC Converter

over recommended operating free-air temperature range (A5V ≈ 4.5 to 5.5 V, P5V_1, P5V_2, P5V_STP, P5V_SPM1, P5V_SPM2 = A5V, VREF = 1.65 V, TA ≈ –20°C to 75°C; unless otherwise noted)
PARAMETER TEST CONDITIONS MIN TYP MAX UNIT
Rds1pxH High-side FET RDSON FB1PXV = 0 V REG1PXV + 100 mA, +300 mA 0.42 0.62 Ω
Rds1pxL Low-side FET RDSON FB1PXV = 1.2 V REG1PXV –100 mA , –300 mA 0.2 0.4 Ω
VO1p0 Output voltage (1p0V) [V1PxSEL,SWR_SEQ1,SWR_SEQ2] = 011 0.95 1 1.05 V
VO1p2 Output voltage (1p2V) [V1PxSEL,SWR_SEQ1,SWR_SEQ2] = 000 1.14 1.2 1.26 V
VO1p5 Output voltage (1p5V) [V1PxSEL,SWR_SEQ1,SWR_SEQ2] = 100 1.425 1.5 1.575 V
Tdly1px Soft start time [SWR_SEQ1,SWR_SEQ2] = 00
From A5V reset off to target 90%
0.656 0.82 0.984 ms
RdsO1px Output pulldown transistor Rdson At Reset On (TSD, A5V_Reset) 616 880 1144 Ω
Fsw1px Switching frequency 2.125 2.5 2.875 MHz
Vrston1px Reset on voltage threshold level 75% 80% 85%
Vrstoff1px Reset off voltage threshold level 85% 90% 95%
VrstHys Reset off voltage threshold Hys 5% 10% 15%
PSRR1px PSRR ratio P5V_SW = 5 V + 200 mVpp,
Io = 200 mA,
F ≈ 100 kHz
26 dB
Iovc1px Overcurrent protective level(1) 1.3 1.85 2.4 A
TMskovc1px Mask time of overcurrent protection(1) 0.72 1 1.32 ms
(1) Those are value as protection functions only, and stress beyond those listed under Recommended Operating Conditions may cause permanent damage to the device.

7.9 Electrical Characteristics – 3.3-V DC-DC Converter

over recommended operating free-air temperature range (A5V ≈ 4.5 to 5.5 V, P5V_1, P5V_2, P5V_STP, P5V_SPM1, P5V_SPM2 = A5V, VREF = 1.65 V, TA ≈ –20°C to 75°C; unless otherwise noted)
PARAMETER TEST CONDITIONS MIN TYP MAX UNIT
Rds3p3H High-side FET RDSON FB3P3V = 0 V REG3P3V + 100 mA + 300 mA 0.45 0.65 Ω
Rds3p3L Low-side FET RDSON FB3P3V = 3.3 V REG3P3V –100 mA – 300 mA 0.42 0.62 Ω
VO3p3 Output voltage 3.2 3.3 3.4 V
Tdly3p3 Soft start time [SWR_SEQ1,SWR_SEQ2] = 00
From A5V reset off to target 90%
0.656 0.82 0.984 ms
Rds3p3 Output pull down transistor Rdson At reset on (TSD, A5V_Reset) 616 880 1144 Ω
Fsw3p3 Switching frequency 2.125 2.5 2.875 MHz
Vrston3p3 Reset on voltage threshold level 75% 80% 85%
Vrstoff3p3 Reset off voltage threshold level 85% 90% 95%
Vrst3p3Hys Reset off voltage threshold Hys 5% 10% 15%
PSRR3p3 PSRR ratio P5V_SW = 5 V + 200 mVpp,
Io = 200 mA,
F ≈ 100 kHz
26 dB
Iovc3p3 Overcurrent protective level(1) 0.65 1.15 1.65 A
Tmskovc3p3 Mask time of overcurrent protection(1) 0.72 1 1.32 ms
(1) Data are value as protection functions only, and stress beyond those listed under “Recommended Operating Condition” may cause permanent damage to the device.

7.10 Electrical Characteristics – Spindle Motor Driver Part

over recommended operating free-air temperature range (A5V ≈ 4.5 to 5.5 V, P5V_1, P5V_2, P5V_STP, P5V_SPM1, P5V_SPM2 = A5V, VREF = 1.65 V, TA ≈ –20°C to 75°C; unless otherwise noted)
PARAMETER TEST CONDITIONS MIN TYP MAX UNIT
RttlSPM Total output resistance
High side + low side
IOUT = 0.1 A 0.25 0.5 Ω
VIsns ISENSE detected voltage ISENSE voltage 181 196 211 mV
ResSPM Resolution 12 bit
VoutSPM Spindle voltage VSPM(REG8h) = 400h 2.6 3 3.4 V
VSPM(REG8h) = C00h –1.55 –1.25 –0.95 V
WidDZSPM Spindle dead band Forward +12h +52h +92h
Reverse –92h –52h –12h
WidDZSPMLS Spindle dead band (LS mode) –40h 0h 40h

7.11 Electrical Characteristics – Sled Motor Driver Part

over recommended operating free-air temperature range (A5V ≈ 4.5 to 5.5 V, P5V_1, P5V_2, P5V_STP, P5V_SPM1, P5V_SPM2 = A5V, VREF = 1.65 V, TA ≈ –20°C to 75°C; unless otherwise noted)
PARAMETER TEST CONDITIONS MIN TYP MAX UNIT
RttlSLD Total output resistance
High side + low side
IO = 0.1 A 0.7 1.1 Ω
ResSLD Resolution 10 bit
WidDZSLD Input dead band Forward +4h +51h +90h
Reverse –90h –51h –4h
GnSLD Sled current gain A5V = 5 V, 5 V = 5 V
RL = 10 Ω, 2.2 mH
VSLED = 7FFh
380 440 500 mA
VthEdetSLD END_DET BEMF threshold voltage ENDDET_SLCT = 0, SLEDENDTH<1:0> = 00, SLED Enable 26 46 66 mV

7.12 Electrical Characteristics – Focus/Tilt/Tracking/Driver Part

over recommended operating free-air temperature range (A5V ≈ 4.5 to 5.5 V, P5V_1, P5V_2, P5V_STP, P5V_SPM1, P5V_SPM2 = A5V, VREF = 1.65 V, TA ≈ –20°C to 75°C; unless otherwise noted)
PARAMETER TEST CONDITIONS MIN TYP MAX UNIT
RttlAct Total output resistance
High side + low side
IO = 0.1 A 0.7 1.1 Ω
ResACT Resolution 12 bit
VOfstACT Each channel output offset voltage DAC_code = 000h –30 0 30 mV
VOfstDACT Output offset voltage Focus and Tilt DIFF_TLT = 1 –50 0 50 mV
GnDAct Difference gain Focus and Tilt DIFF_TLT = 1 –1 0 1 db
GnAct Voltage gain DAC_code = 400h 2.6 3 3.4 V
DAC_code = C00h –3.4 –3 –2.6

7.13 Electrical Characteristics – Load Driver Part

over recommended operating free-air temperature range (A5V ≈ 4.5 to 5.5 V, P5V_1, P5V_2, P5V_STP, P5V_SPM1, P5V_SPM2 = A5V, VREF = 1.65 V, TA ≈ –20°C to 75°C; unless otherwise noted)
PARAMETER TEST CONDITIONS MIN TYP MAX UNIT
RttlLOD Total output resistance
High side + low side
IO = 0.1 A 0.7 1.1 Ω
ResLOD Resolution 12 bit
GnLOD Voltage gain VLOAD = 400h 2.6 3 3.4 V
VLOAD = C00h –3.4 –3 –2.6
WidDZLOD Dead band Forward 2h 20h 40h
Reverse –41h –21h –3h
TocpLOD Output 100% limit time LOAD_05CH = 0 0.64 0.8 0.96 s
IocpLOD Overcurrent protective level LOAD_05CH = 1 125 250 375 mA
DlyocpLOD Overcurrent protection delay time LOAD_05CH = 1 0.64 0.8 0.96 s

7.14 Electrical Characteristics – Stepping Motor Driver Part

over recommended operating free-air temperature range (A5V ≈ 4.5 to 5.5 V, P5V_1, P5V_2, P5V_STP, P5V_SPM1, P5V_SPM2 = A5V, VREF = 1.65 V, TA ≈ –20°C to 75°C; unless otherwise noted)
PARAMETER TEST CONDITIONS MIN TYP MAX UNIT
RttlSTP Total output resistance
High Side + Low Side
IO = 0.1 A 1.0 1.5 Ω
ResSTP Resolution 8 bit
IocpSTP Overcurrent protection level(1) 595 850 1105 mA
DlyocpSTP OCP Monitor delay time(1) 0.7 1 1.3 us
ThlocpSTP OCP hold time(1) 18.2 26 33.8 ms
VthEdetSTP END_DET threshold level ENDDET_SLCT = 1, STPDENDTH<1:0> = 00, STP Enable 19 39 59 mV
(1) The data are value as protection functions only, and stress beyond those listed under Recommended Operating Conditions may cause permanent damage to the device.

7.15 Electrical Characteristics – Current Switch Part

over recommended operating free-air temperature range (A5V ≈ 4.5 to 5.5 V, P5V_1, P5V_2, P5V_STP, P5V_SPM1, P5V_SPM2 = A5V, VREF = 1.65 V, TA ≈ –20°C to 75°C; unless otherwise noted)
PARAMETER TEST CONDITIONS MIN TYP MAX UNIT
RdsCSW Rds(on) IO = 0.1 A 200 500
IlmtCSW Current limit threshold level 0.77 1.1 1.43 A
ThlCSW Protection hold time 1.47 1.6 2.0 ms

7.16 Electrical Characteristics – LED Switch Part

over recommended operating free-air temperature range (A5V ≈ 4.5 to 5.5 V, P5V_1, P5V_2, P5V_STP, P5V_SPM1, P5V_SPM2 = A5V, VREF = 1.65 V, TA ≈ –20°C to 75°C; unless otherwise noted)
PARAMETER TEST CONDITIONS MIN TYP MAX UNIT
RdsLED Rds(on) IO = 10 mA 4.4 10 Ω
IlmtLED Current limit threshold level 0.07 0.1 0.13 A
ThlLED Protection hold time 0.37 0.4 0.66 ms

7.17 Electrical Characteristics – Thermometer Part

over recommended operating free-air temperature range (A5V ≈ 4.5 to 5.5 V, P5V_1, P5V_2, P5V_STP, P5V_SPM1, P5V_SPM2 = A5V, VREF = 1.65 V, TA ≈ –20°C to 75°C; unless otherwise noted)
PARAMETER TEST CONDITIONS MIN TYP MAX UNIT
ResTEMP Resolution 6 bit
TEMPrng Temperature range CHIPTEMP[5:0] = 00 8 15 22 °C
CHIPTEMP[5:0] = 3Fh 155 165 175
FTEMP Update cycle 8 10 12 kHz

7.18 Electrical Characteristics – Actuator Protection

over recommended operating free-air temperature range (A5V ≈ 4.5 to 5.5 V, P5V_1, P5V_2, P5V_STP, P5V_SPM1, P5V_SPM2 = A5V, VREF = 1.65 V, TA ≈ –20°C to 75°C; unless otherwise noted)
PARAMETER TEST CONDITIONS MIN TYP MAX UNIT
TintACTTEMP Update cycle 21 26 31 ms

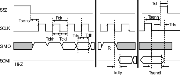
7.19 Serial Port I/F Write Timing Requirements

MIN NOM MAX UNIT
Fck SCLK clock frequency PIOV = 3.3 V 35 MHz
tckl SCLK low time 11 ns
tckh SCLK high time 11 ns
tsens SSZ setup time 7 ns
tsenh SSZ hold time 7 ns
tsl SSZ disable high time 11 ns
tds SIMO setup time (Write) 7 ns
tdh SIMO hold time (Write) 7 ns

7.20 Serial Port I/F Read Timing Requirements

MIN NOM MAX UNIT
Fck SCLK clock frequency PIOV = 3.3 V 35 MHz
tckl SCLK low time 11 ns
tckh SCLK high time 11 ns
tsens SSZ setup time 7 ns
tsenh SSZ hold time 7 ns
tsl SSZ disable high time 11 ns
tds SIMO setup time (Write) 7 ns
tdh SIMO hold time (Write) 7 ns
trdly SOMI delay time (Read) CLOAD = 10 pF, PIOV = 3.3 V 2 9 ns
tsendl SOMI hold time (Read) CLOAD = 10 pF, PIOV = 3.3 V 2 9 ns
trls SOMI release time (Read) CLOAD = 10 pF, PIOV = 3.3 V
From SSZ rise to SOMI HIZ
0 9 ns
TPIC2010 tim_serial_write_lis170.gif Figure 1. Serial Port Write Timing
TPIC2010 tim_serial_read_lis170.gif Figure 2. Serial Port Read Timings
TPIC2010 tim_serial_read_adv_lis170.gif Figure 3. Serial Port Read Timings (ADVANCE_RD Mode)

7.21 Typical Characteristics

TPIC2010 D001_SLIS170.gif
Figure 4. DAC Code vs Duty Cycle for STP1 Outputs
TPIC2010 D002_SLIS170.gif
Figure 5. DAC Code vs Duty Cycle for STP2 Outputs