ZHCSEF8 December   2015 TPIC2010

PRODUCTION DATA.  

  1. 特性
  2. 应用
  3. 说明
  4. 修订历史记录
  5. 说明(续)
  6. Pin Configuration and Functions
  7. Specifications
    1. 7.1  Absolute Maximum Ratings
    2. 7.2  ESD Ratings
    3. 7.3  Recommended Operating Conditions
    4. 7.4  Thermal Information
    5. 7.5  Electrical Characteristics - Serial Port Voltage Levels
    6. 7.6  Electrical Characteristics - Common Part
    7. 7.7  Electrical Characteristics - Charge Pump
    8. 7.8  Electrical Characteristics - V1pXV DC-DC Converter
    9. 7.9  Electrical Characteristics - 3.3-V DC-DC Converter
    10. 7.10 Electrical Characteristics - Spindle Motor Driver Part
    11. 7.11 Electrical Characteristics - Sled Motor Driver Part
    12. 7.12 Electrical Characteristics - Focus/Tilt/Tracking/Driver Part
    13. 7.13 Electrical Characteristics - Load Driver Part
    14. 7.14 Electrical Characteristics - Stepping Motor Driver Part
    15. 7.15 Electrical Characteristics - Current Switch Part
    16. 7.16 Electrical Characteristics - LED Switch Part
    17. 7.17 Electrical Characteristics - Thermometer Part
    18. 7.18 Electrical Characteristics - Actuator Protection
    19. 7.19 Serial Port I/F Write Timing Requirements
    20. 7.20 Serial Port I/F Read Timing Requirements
    21. 7.21 Typical Characteristics
  8. Detailed Description
    1. 8.1 Overview
    2. 8.2 Functional Block Diagram
    3. 8.3 Feature Description
      1. 8.3.1 Protection Functions
        1. 8.3.1.1 Undervoltage Lockout (UVLO)
        2. 8.3.1.2 Overvoltage Protection (OVP)
        3. 8.3.1.3 Overcurrent Protection (OCP)
        4. 8.3.1.4 Thermal Protection (TSD)
        5. 8.3.1.5 Actuator Temperature Protection (ACTTIMER)
    4. 8.4 Device Functional Modes
      1. 8.4.1 Power-On Reset (POR)
        1. 8.4.1.1 Power-Up Sequences
        2. 8.4.1.2 XRESET
    5. 8.5 Programming
      1. 8.5.1 Function and Operation
        1. 8.5.1.1 Serial Port Functional Description
        2. 8.5.1.2 Write Operation
        3. 8.5.1.3 Read Operation
        4. 8.5.1.4 Write and Read Operation
    6. 8.6 Register Maps
      1. 8.6.1 Register State Transition
      2. 8.6.2 DAC Register (12-Bit Write Only)
      3. 8.6.3 Control Register (8-Bit Read/Write)
      4. 8.6.4 Detailed Description of Register
        1. 8.6.4.1  REG01 12-Bit DAC for Tilt
        2. 8.6.4.2  REG02 12-Bit DAC for Focus
        3. 8.6.4.3  REG03 12-Bit DAC for Tracking
        4. 8.6.4.4  REG04 12-Bit DAC for Sled1
        5. 8.6.4.5  REG05 12-Bit DAC for Sled2
        6. 8.6.4.6  REG06 12-Bit DAC for Stepping1
        7. 8.6.4.7  REG07 12-Bit DAC for Stepping2
        8. 8.6.4.8  REG08 12-Bit DAC for Spindle
        9. 8.6.4.9  REG09 12-Bit DAC for Load
        10. 8.6.4.10 REG63 8-Bit Control Register for SpinAdj
        11. 8.6.4.11 REG6C 8-Bit Control Register for EDetCfg
        12. 8.6.4.12 REG6D 8-Bit Control Register for DCCfg
        13. 8.6.4.13 REG6E 8-Bit Control Register for UtilCfg
        14. 8.6.4.14 REG6F 8-Bit Control Register for MonitorSet
        15. 8.6.4.15 REG70 8bit Control Register for DriverEna
        16. 8.6.4.16 REG71 8-Bit Control Register for FuncEna
        17. 8.6.4.17 REG72 8-Bit Control Register for ACTCfg
        18. 8.6.4.18 REG73 8-Bit Control Register for Parm0
        19. 8.6.4.19 REG74 8-Bit Control Register for SIFCfg
        20. 8.6.4.20 REG76 8-Bit Control Register for WriteEna
        21. 8.6.4.21 REG77 8-Bit Control Register for ClrReg
        22. 8.6.4.22 REG78 8-Bit Control Register for ActTemp
        23. 8.6.4.23 REG79 8-Bit Control Register for UVLOMon
        24. 8.6.4.24 REG7A 8-Bit Control Register for ThPMon
        25. 8.6.4.25 REG7B 8-Bit Control Register for OCPMon
        26. 8.6.4.26 REG7C 8-Bit Control Register for TempMon
        27. 8.6.4.27 REG7E 8-Bit Control Register for Version (REG7E)
        28. 8.6.4.28 REG7F 8-Bit Control Register for Status (REG7F)
  9. Application and Implementation
    1. 9.1 Application Information
      1. 9.1.1  DAC Type
      2. 9.1.2  Example Sampling Rate of 12-Bit DAC for FCS/TRK/TLT
      3. 9.1.3  Digital Input Coding
      4. 9.1.4  Example Timing of Target Control System
      5. 9.1.5  Spindle Motor Driver Part
        1. 9.1.5.1 Spindle PWM Control
        2. 9.1.5.2 Auto Short Brake Function
        3. 9.1.5.3 Spindle Low Speed Mode
        4. 9.1.5.4 Spindle Driver Current Limiting Circuit
      6. 9.1.6  Sled Driver Part
        1. 9.1.6.1 End Detect Function
      7. 9.1.7  Load Driver Part
      8. 9.1.8  Focus/Track/Tilt Driver Part
        1. 9.1.8.1 Input vs Output Duty
        2. 9.1.8.2 Differential Tilt Mode
      9. 9.1.9  2-Channel Synchronous DC-DC Converter
        1. 9.1.9.1 V1Px DC-DC Converter
        2. 9.1.9.2 V3P3 DC-DC Converter
        3. 9.1.9.3 Setup When Not Using DC-DC Converter
        4. 9.1.9.4 Discontinuous Regulation Mode
      10. 9.1.10 Monitor Signal on GPOUT
    2. 9.2 Typical Application
      1. 9.2.1 Design Requirements
      2. 9.2.2 Detailed Design Procedure
      3. 9.2.3 Application Curves
  10. 10Power Supply Recommendations
  11. 11Layout
    1. 11.1 Layout Guidelines
    2. 11.2 Layout Example
  12. 12器件和文档支持
    1. 12.1 器件支持
      1. 12.1.1 Third-Party Products Disclaimer
    2. 12.2 社区资源
    3. 12.3 商标
    4. 12.4 静电放电警告
    5. 12.5 Glossary
  13. 13机械、封装和可订购信息

封装选项

机械数据 (封装 | 引脚)
散热焊盘机械数据 (封装 | 引脚)
订购信息

1 特性

  • 串行外设接口
    • 最大读写频率 35MHz
    • 3.3V 数字 I/O
  • 执行器和电机驱动器
    • 具有 H 桥输出的脉冲宽度调制 (PWM) 控制
    • 具有 12 位数模转换器 (DAC) 控制的聚焦/跟踪/倾斜执行器驱动器
    • 具有电流模式、10 位 DAC 控制的滑动电机驱动器
    • 具有 12 位 DAC 控制的负载驱动器
    • 具有 8 位 PWM 控制的步进电机驱动器
    • 无需位置传感器即可检测准直透镜和滑动结束位置
  • 主轴电机驱动器
    • 无传感器反电动势 (BEMF) 位置反馈
    • 12 位主轴 DAC
    • 独立的感应位置感测和启动
    • 通过自动控制制动实现急停:主动制动和短制动
    • 最大持续电流为 0.7A,不存在散热问题
    • LS 模式:25% 速度
  • 片上温度计(15°C 至 172.5°C)
  • 开关
    • 两个可由软件控制的开关电路
    • 发光二极管 (LED):具有 0.1A 过流保护 (OCP) 的 LED 驱动器开关
    • CSW:具有 0.1A OCP 的低 RDS(ON) 电流开关
  • DC-DC 转换器
    • V1Px:可通过引脚选择的转换电压 1.0V/1.2V/1.5V;0.9A 输出能力,1.85A 过流保护
    • V3P3:固定 3.3V DC-DC 转换器;0.5A 输出能力,1.15A 过流保护
    • 2.5MHz 开关频率
    • 通过断续稳压模式在低电流下提高效率
  • 保护
    • LED/CSW、开关、DCDC 转换器、SPM 和执行器上均配有独立的热保护电路
    • 两个警报级别:热保护中的预检测检测
    • ACTTEMP:监视由过去累积的 DAC 值计算得出的执行器温度
    • 欠压锁定 (UVLO) 和过压保护 (OVP)

2 应用

  • 蓝光碟™播放器
  • DVD 播放器
  • CD 播放器
  • 光盘驱动器

3 说明

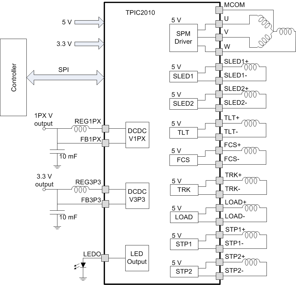
TPIC2010 是一款适用于薄型或超薄 ODD 的超低噪声电机驱动器集成电路 (IC)。该驱动器 IC 有 9 条通道且由串行接口控制,非常适用于驱动主轴电机、滑动电机(适用的步进电机)、负载电机以及针对准直透镜的聚焦/跟踪/倾斜执行器和步进电机。该驱动器 IC 具有 1 个双通道同步 DC-DC 转换器。

器件信息(1)

器件型号 封装 封装尺寸(标称值)
TPIC2010DFD 带散热片薄型小外形尺寸封装 (HTSSOP) (56) 14.00mm x 6.10mm
  1. 要了解所有可用封装,请见数据表末尾的可订购产品附录。

简化框图

TPIC2010 simplified_bd_slis170.gif

4 修订历史记录

日期 修订版本 注释
2015 年 12 月 * 最初发布。