ZHCSIE7 June   2018 TPD8S300A

PRODUCTION DATA.  

  1. 特性
  2. 应用
  3. 说明
    1.     CC 和 SBU 过压保护
    2.     CC 和 DP/DM 过压保护
  4. 修订历史记录
  5. Device Comparison Table
  6. Pin Configuration and Functions
    1.     Pin Functions
  7. Specifications
    1. 7.1 Absolute Maximum Ratings
    2. 7.2 ESD Ratings—JEDEC Specification
    3. 7.3 ESD Ratings—IEC Specification
    4. 7.4 Recommended Operating Conditions
    5. 7.5 Thermal Information
    6. 7.6 Electrical Characteristics
    7. 7.7 Timing Requirements
    8. 7.8 Typical Characteristics
  8. Detailed Description
    1. 8.1 Overview
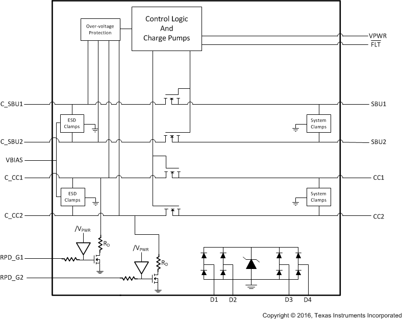
    2. 8.2 Functional Block Diagram
    3. 8.3 Feature Description
      1. 8.3.1 4-Channels of Short-to-VBUS Overvoltage Protection (CC1, CC2, SBU1, SBU2 Pins or CC1, CC2, DP, DM Pins): 24-VDC Tolerant
      2. 8.3.2 8-Channels of IEC 61000-4-2 ESD Protection (CC1, CC2, SBU1, SBU2, DP_T, DM_T, DP_B, DM_B Pins)
      3. 8.3.3 CC1, CC2 Overvoltage Protection FETs 600 mA Capable for Passing VCONN Power
      4. 8.3.4 CC Dead Battery Resistors Integrated for Handling the Dead Battery Use Case in Mobile Devices
      5. 8.3.5 Advantages over TPD8S300
        1. 8.3.5.1 Improved Dead Battery Performance
        2. 8.3.5.2 USB Type-C Port Stays Connected during an IEC 61000-4-2 ESD Strike
      6. 8.3.6 3-mm × 3-mm WQFN Package
    4. 8.4 Device Functional Modes
  9. Application and Implementation
    1. 9.1 Application Information
    2. 9.2 Typical Application
      1. 9.2.1 Design Requirements
      2. 9.2.2 Detailed Design Procedure
        1. 9.2.2.1 VBIAS Capacitor Selection
        2. 9.2.2.2 Dead Battery Operation
        3. 9.2.2.3 CC Line Capacitance
        4. 9.2.2.4 Additional ESD Protection on CC and SBU Lines
        5. 9.2.2.5 FLT Pin Operation
        6. 9.2.2.6 How to Connect Unused Pins
      3. 9.2.3 Application Curves
  10. 10Power Supply Recommendations
  11. 11Layout
    1. 11.1 Layout Guidelines
    2. 11.2 Layout Example
  12. 12器件和文档支持
    1. 12.1 文档支持
      1. 12.1.1 相关文档
    2. 12.2 接收文档更新通知
    3. 12.3 社区资源
    4. 12.4 商标
    5. 12.5 静电放电警告
    6. 12.6 术语表
  13. 13机械、封装和可订购信息

封装选项

机械数据 (封装 | 引脚)
散热焊盘机械数据 (封装 | 引脚)
订购信息

Functional Block Diagram

TPD8S300A TPD8S300_Functional_Block_6.gif