SLOS992 December   2017 TPA3156D2

PRODUCTION DATA.  

  1. Features
  2. Applications
  3. Description
  4. Revision History
  5. Pin Configuration and Functions
  6. Specifications
    1. 6.1 Absolute Maximum Ratings
    2. 6.2 ESD Ratings
    3. 6.3 Recommended Operating Conditions
    4. 6.4 Thermal Information
    5. 6.5 DC Electrical Characteristics
    6. 6.6 AC Electrical Characteristics
    7. 6.7 Typical Characteristics
  7. Detailed Description
    1. 7.1 Overview
    2. 7.2 Functional Block Diagram
    3. 7.3 Feature Description
      1. 7.3.1  Gain Setting and Master and Slave
      2. 7.3.2  Input Impedance
      3. 7.3.3  Startup and Shutdown Operation
      4. 7.3.4  PLIMIT Operation
      5. 7.3.5  GVDD Supply
      6. 7.3.6  BSPx AND BSNx Capacitors
      7. 7.3.7  Differential Inputs
      8. 7.3.8  Device Protection System
      9. 7.3.9  DC Detect Protection
      10. 7.3.10 Short-Circuit Protection and Automatic Recovery Feature
      11. 7.3.11 Thermal Protection
      12. 7.3.12 Device Modulation Scheme
        1. 7.3.12.1 BD-Modulation
      13. 7.3.13 Efficiency: LC Filter Required with the Traditional Class-D Modulation Scheme
      14. 7.3.14 Ferrite Bead Filter Considerations
      15. 7.3.15 When to Use an Output Filter for EMI Suppression
      16. 7.3.16 AM Avoidance EMI Reduction
    4. 7.4 Device Functional Modes
      1. 7.4.1 PBTL Mode
      2. 7.4.2 Mono Mode (Single Channel Mode)
  8. Applications and Implementation
    1. 8.1 Application Information
    2. 8.2 Typical Application
      1. 8.2.1 Design Requriements
      2. 8.2.2 Detailed Design Procedure
        1. 8.2.2.1 Select the PWM Frequency
        2. 8.2.2.2 Select the Amplifier Gain and Master/Slave Mode
        3. 8.2.2.3 Select Input Capacitance
        4. 8.2.2.4 Select Decoupling Capacitors
        5. 8.2.2.5 Select Bootstrap Capacitors
      3. 8.2.3 Application Curves
  9. Power Supply Recommendations
    1. 9.1 Power Supply Mode
  10. 10Layout
    1. 10.1 Layout Guidelines
    2. 10.2 Layout Example
  11. 11Heat Sink Used on the EVM
  12. 12Device and Documentation Support
    1. 12.1 Documentation Support
    2. 12.2 Community Resources
    3. 12.3 Trademarks
    4. 12.4 Electrostatic Discharge Caution
    5. 12.5 Glossary
  13. 13Mechanical, Packaging, and Orderable Information

封装选项

机械数据 (封装 | 引脚)
散热焊盘机械数据 (封装 | 引脚)
订购信息

Applications and Implementation

NOTE

Information in the following applications sections is not part of the TI component specification, and TI does not warrant its accuracy or completeness. TI’s customers are responsible for determining suitability of components for their purposes. Customers should validate and test their design implementation to confirm system functionality.

Application Information

This section describes a 2.1 Master and Slave application. The Master is configured as stereo outputs and the Slave is configured as mono PBTL output.

Typical Application

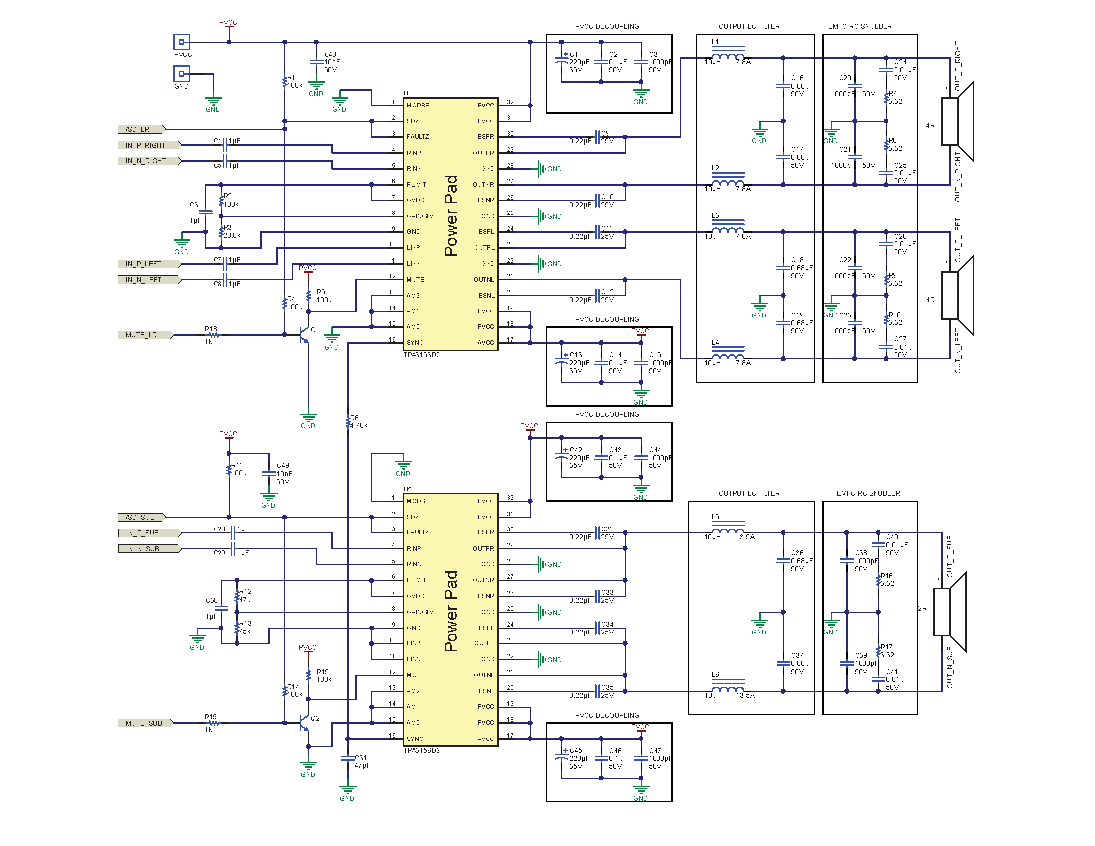
A 2.1 solution, U1 TPA3156D2 in Master mode 400 kHz, BTL, gain if 26 dB, power limit not implemented. U2 in Slave, PBTL mode gain of 26 dB. Inputs are connected for differential inputs.

TPA3156D2 Application circuits of TPA3156.png Figure 34. TPA3156D2 Schematic

Design Requriements

DESIGN PARAMETERS EXAMPLE VALUE
Input voltage range PVCC 4.5 V to 26 V
PWM output frequencies 300kHz, 400 kHz, 500 kHz, 600 kHz, 1 MHz or 1.2 MHz
Maximum output power 2 × 70 W

Detailed Design Procedure

The TPA3156D2 devices are very flexible and easy to use Class D amplifier; therefore the design process is straightforward. Before beginning the design, gather the following information regarding the audio system.

  • PVCC rail planned for the design
  • Speaker or load impedance
  • Maximum output power requirement
  • Desired PWM frequency

Select the PWM Frequency

Set the PWM frequency by using AM0, AM1 and AM2 pins.

Select the Amplifier Gain and Master/Slave Mode

In order to select the amplifier gain setting, the designer must determine the maximum power target and the speaker impedance. Once these parameters have been determined, calculate the required output voltage swing which delivers the maximum output power.

Choose the lowest analog gain setting that corresponds to produce an output voltage swing greater than the required output swing for maximum power. The analog gain and master/slave mode can be set by selecting the voltage divider resistors (R1 and R2) on the Gain/SLV pin.

Select Input Capacitance

Select the bulk capacitors at the PVCC inputs for proper voltage margin and adequate capacitance to support the power requirements. In practice, with a well-designed power supply, two 100-μF, 50-V capacitors should be sufficient. One capacitor should be placed near the PVCC inputs at each side of the device. PVCC capacitors should be a low ESR type because they are being used in a high-speed switching application.

Select Decoupling Capacitors

Good quality decoupling capacitors must be added at each of the PVCC inputs to provide good reliability, good audio performance, and to meet regulatory requirements. X5R or better ratings should be used in this application. Consider temperature, ripple current, and voltage overshoots when selecting decoupling capacitors. Also, these decoupling capacitors should be located near the PVCC and GND connections to the device in order to minimize series inductances.

Select Bootstrap Capacitors

Each of the outputs require bootstrap capacitors to provide gate drive for the high-side output FETs. For this design, use 0.22-μF, 25-V capacitors of X5R quality or better.

Application Curves

TPA3156D2 D003-SLOS992.gif Figure 35. Total Harmonic Distortion + Noise (PBTL) vs Output Power
TPA3156D2 D004-SLOS992.gif Figure 36. Maximum Output Power (PBTL) vs Supply Voltage