ZHCSFV8C May   2016  – January 2018 TPA3128D2 , TPA3129D2

PRODUCTION DATA.  

  1. 特性
  2. 应用
  3. 说明
    1.     Device Images
      1.      简化应用电路
  4. Revision History
  5. Pin Configuration and Functions
    1.     Pin Functions
  6. Specifications
    1. 6.1 Absolute Maximum Ratings
    2. 6.2 ESD Ratings
    3. 6.3 Recommended Operating Conditions
    4. 6.4 Thermal Information
    5. 6.5 DC Electrical Characteristics
    6. 6.6 AC Electrical Characteristics
    7. 6.7 Typical Characteristics
  7. Detailed Description
    1. 7.1 Overview
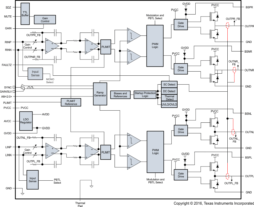
    2. 7.2 Functional Block Diagram
    3. 7.3 Feature Description
      1. 7.3.1  Gain Setting and Master and Slave
      2. 7.3.2  Input Impedance
      3. 7.3.3  Startup and Shutdown Operation
      4. 7.3.4  PLIMIT Operation
      5. 7.3.5  GVDD Supply
      6. 7.3.6  BSPx AND BSNx Capacitors
      7. 7.3.7  Differential Inputs
      8. 7.3.8  Device Protection System
      9. 7.3.9  DC Detect Protection
      10. 7.3.10 Short-Circuit Protection and Automatic Recovery Feature
      11. 7.3.11 Thermal Protection
      12. 7.3.12 Device Modulation Scheme
        1. 7.3.12.1 BD-Modulation
      13. 7.3.13 Efficiency: LC Filter Required with the Traditional Class-D Modulation Scheme
      14. 7.3.14 Ferrite Bead Filter Considerations
      15. 7.3.15 When to Use an Output Filter for EMI Suppression
      16. 7.3.16 AM Avoidance EMI Reduction
    4. 7.4 Device Functional Modes
      1. 7.4.1 PBTL Mode
      2. 7.4.2 Mono Mode (Single Channel Mode)
  8. Applications and Implementation
    1. 8.1 Application Information
    2. 8.2 Typical Application
      1. 8.2.1 Design Requriements
      2. 8.2.2 Detailed Design Procedure
        1. 8.2.2.1 Select the PWM Frequency
        2. 8.2.2.2 Select the Amplifier Gain and Master/Slave Mode
        3. 8.2.2.3 Select Input Capacitance
        4. 8.2.2.4 Select Decoupling Capacitors
        5. 8.2.2.5 Select Bootstrap Capacitors
      3. 8.2.3 Application Curves
  9. Power Supply Recommendations
    1. 9.1 Power Supply Mode
  10. 10Layout
    1. 10.1 Layout Guidelines
    2. 10.2 Layout Example
  11. 11器件和文档支持
    1. 11.1 文档支持
    2. 11.2 社区资源
    3. 11.3 商标
    4. 11.4 静电放电警告
    5. 11.5 Glossary
  12. 12机械、封装和可订购信息

封装选项

机械数据 (封装 | 引脚)
散热焊盘机械数据 (封装 | 引脚)
订购信息

Functional Block Diagram

TPA3128D2 TPA3129D2 bd_los708_3128.gif