ZHCS891G April   2012  – December 2017 TPA3116D2 , TPA3118D2 , TPA3130D2

PRODUCTION DATA.  

  1. 特性
  2. 应用
  3. 说明
    1.     Device Images
      1.      简化应用电路
  4. 修订历史记录
  5. Pin Configuration and Functions
    1.     Pin Functions
  6. Specifications
    1. 6.1 Absolute Maximum Ratings
    2. 6.2 ESD Ratings
    3. 6.3 Recommended Operating Conditions
    4. 6.4 Thermal Information
    5. 6.5 DC Electrical Characteristics
    6. 6.6 AC Electrical Characteristics
    7. 6.7 Typical Characteristics
  7. Detailed Description
    1. 7.1 Overview
    2. 7.2 Functional Block Diagram
    3. 7.3 Feature Description
      1. 7.3.1  Gain Setting and Master and Slave
      2. 7.3.2  Input Impedance
      3. 7.3.3  Startup and Shutdown Operation
      4. 7.3.4  PLIMIT Operation
      5. 7.3.5  GVDD Supply
      6. 7.3.6  BSPx AND BSNx Capacitors
      7. 7.3.7  Differential Inputs
      8. 7.3.8  Device Protection System
      9. 7.3.9  DC Detect Protection
      10. 7.3.10 Short-Circuit Protection and Automatic Recovery Feature
      11. 7.3.11 Thermal Protection
      12. 7.3.12 Device Modulation Scheme
        1. 7.3.12.1 MODSEL = GND: BD-Modulation
        2. 7.3.12.2 MODSEL = HIGH: 1SPW-modulation
      13. 7.3.13 Efficiency: LC Filter Required with the Traditional Class-D Modulation Scheme
      14. 7.3.14 Ferrite Bead Filter Considerations
      15. 7.3.15 When to Use an Output Filter for EMI Suppression
      16. 7.3.16 AM Avoidance EMI Reduction
    4. 7.4 Device Functional Modes
      1. 7.4.1 Mono Mode (PBTL)
  8. Application and Implementation
    1. 8.1 Application Information
    2. 8.2 Typical Application
      1. 8.2.1 Design Requirements
      2. 8.2.2 Detailed Design Procedure
        1. 8.2.2.1 Select the PWM Frequency
        2. 8.2.2.2 Select the Amplifier Gain and Master/Slave Mode
        3. 8.2.2.3 Select Input Capacitance
        4. 8.2.2.4 Select Decoupling Capacitors
        5. 8.2.2.5 Select Bootstrap Capacitors
      3. 8.2.3 Application Curves
  9. Power Supply Recommendations
  10. 10Layout
    1. 10.1 Layout Guidelines
    2. 10.2 Layout Example
    3. 10.3 Heat Sink Used on the EVM
  11. 11器件和文档支持
    1. 11.1 相关链接
    2. 11.2 接收文档更新通知
    3. 11.3 社区资源
    4. 11.4 商标
    5. 11.5 静电放电警告
    6. 11.6 Glossary
  12. 12机械、封装和可订购信息

封装选项

机械数据 (封装 | 引脚)
散热焊盘机械数据 (封装 | 引脚)
订购信息

Short-Circuit Protection and Automatic Recovery Feature

The TPA31xxD2 family has protection from over current conditions caused by a short circuit on the output stage. The short circuit protection fault is reported on the FAULTZ pin as a low state. The amplifier outputs are switched to a high impedance state when the short circuit protection latch is engaged. The latch can be cleared by cycling the SDZ pin through the low state.

If automatic recovery from the short circuit protection latch is desired, connect the FAULTZ pin directly to the SDZ pin. This allows the FAULTZ pin function to automatically drive the SDZ pin low which clears the short-circuit protection latch.

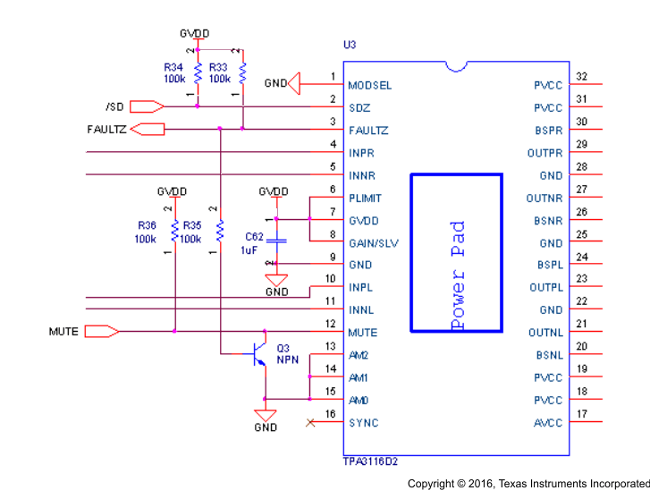
In systems where a possibility of a permanent short from the output to PVDD or to a high voltage battery like a car battery can occur, pull the MUTE pin low with the FAULTZ signal with a inverting transistor to ensure a high-Z restart, like shown in the figure below:

TPA3116D2 TPA3118D2 TPA3130D2 temp_los708.gifFigure 30. MUTE Driven by Inverted FAULTZ
TPA3116D2 TPA3118D2 TPA3130D2 tim_req_SDZ_los708.gifFigure 31. Timing Requirement for SDZ