SCBS879A May   2012  – January 2020 TMS37145

PRODUCTION DATA.  

  1. 1Features
  2. 2Applications
  3. 3Description
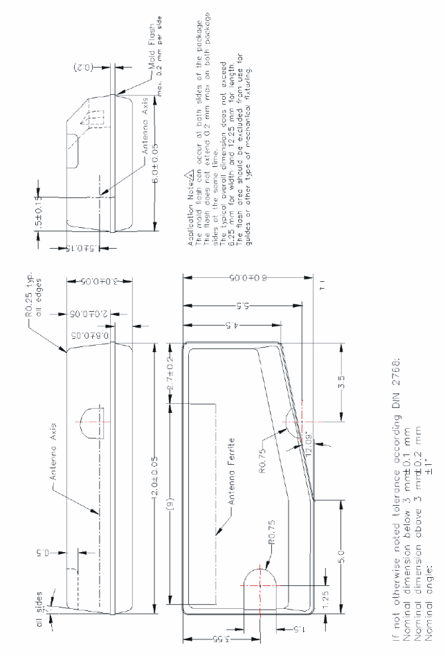
    1.     Wedge Package
  4. 4Revision History
  5. 5Specifications
    1. 5.1 Operating Characteristics
  6. 6Device and Documentation Support
    1. 6.1 Getting Started
    2. 6.2 Device Nomenclature
    3. 6.3 Documentation Support
    4. 6.4 Support Resources
    5. 6.5 Trademarks
    6. 6.6 Glossary
  7. 7Mechanical, Packaging, and Orderable Information
    1.     Mechanical Data

封装选项

机械数据 (封装 | 引脚)
散热焊盘机械数据 (封装 | 引脚)
订购信息

Mechanical Data

TMS37145 mech_cbs879.gif