ZHCSRX5B April   2023  – August 2024 TLV9361-Q1 , TLV9362-Q1 , TLV9364-Q1

PRODUCTION DATA  

  1.   1
  2. 特性
  3. 应用
  4. 说明
  5. Pin Configuration and Functions
  6. Specifications
    1. 5.1 Absolute Maximum Ratings
    2. 5.2 ESD Ratings
    3. 5.3 Recommended Operating Conditions
    4. 5.4 Thermal Information for Single Channel
    5. 5.5 Thermal Information for Dual Channel
    6. 5.6 Thermal Information for Quad Channel
    7. 5.7 Electrical Characteristics
    8. 5.8 Typical Characteristics
  7. Detailed Description
    1. 6.1 Overview
    2. 6.2 Functional Block Diagram
    3. 6.3 Feature Description
      1. 6.3.1 EMI Rejection
      2. 6.3.2 Thermal Protection
      3. 6.3.3 Capacitive Load and Stability
      4. 6.3.4 Electrical Overstress
      5. 6.3.5 Overload Recovery
      6. 6.3.6 Typical Specifications and Distributions
    4. 6.4 Device Functional Modes
  8. Application and Implementation
    1. 7.1 Application Information
    2. 7.2 Typical Applications
      1. 7.2.1 Low-Side Current Measurement
      2. 7.2.2 Design Requirements
      3. 7.2.3 Detailed Design Procedure
      4. 7.2.4 Application Curves
    3. 7.3 Power Supply Recommendations
    4. 7.4 Layout
      1. 7.4.1 Layout Guidelines
      2. 7.4.2 Layout Example
  9. Device and Documentation Support
    1. 8.1 Device Support
      1. 8.1.1 Development Support
        1. 8.1.1.1 TINA-TI (Free Software Download)
        2. 8.1.1.2 TI Precision Designs
    2. 8.2 Documentation Support
      1. 8.2.1 Related Documentation
    3. 8.3 接收文档更新通知
    4. 8.4 支持资源
    5. 8.5 Trademarks
    6. 8.6 静电放电警告
    7. 8.7 术语表
  10. Revision History
  11. 10Mechanical, Packaging, and Orderable Information

封装选项

机械数据 (封装 | 引脚)
散热焊盘机械数据 (封装 | 引脚)
订购信息

Capacitive Load and Stability

The TLV936x-Q1 features an output stage capable of driving moderate capacitive loads, and by leveraging an isolation resistor, the device can easily be configured to driver large capacitive loads. Increasing the gain enhances the ability of the amplifier to drive greater capacitive loads; see Figure 6-3 and Figure 6-4. The particular op amp circuit configuration, layout, gain, and output loading are some of the factors to consider when establishing whether an amplifier is stable in operation.

TLV9361-Q1 TLV9362-Q1 TLV9364-Q1 Small-Signal Overshoot vs
                                                Capacitive Load (20mVpp Output Step, G =
                                                +1)Figure 6-3 Small-Signal Overshoot vs Capacitive Load (20mVpp Output Step, G = +1)
TLV9361-Q1 TLV9362-Q1 TLV9364-Q1 Small-Signal Overshoot vs
                                                Capacitive Load (20mVpp Output Step, G =
                                                -1)Figure 6-4 Small-Signal Overshoot vs Capacitive Load (20mVpp Output Step, G = -1)

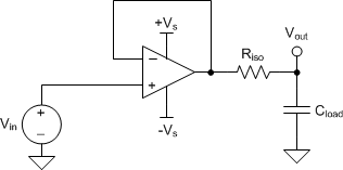
For additional drive capability in unity-gain configurations, improve capacitive load drive by inserting a small resistor, RISO, in series with the output, as shown in Figure 6-5. This resistor significantly reduces ringing and maintains DC performance for purely capacitive loads. However, if a resistive load is in parallel with the capacitive load, then a voltage divider is created, thus introducing a gain error at the output and slightly reducing the output swing. The error introduced is proportional to the ratio RISO / RL, and is generally negligible at low output levels. A high capacitive load drive makes the TLV936x-Q1 an excellent choice for applications such as reference buffers, MOSFET gate drives, and cable-shield drives. The circuit shown in Figure 6-5 uses an isolation resistor, RISO, to stabilize the output of an op amp. RISO modifies the open-loop gain of the system for increased phase margin.

TLV9361-Q1 TLV9362-Q1 TLV9364-Q1 Extending
                    Capacitive Load Drive With the TLV9361-Q1Figure 6-5 Extending Capacitive Load Drive With the TLV9361-Q1