SBOS321E March   2005  – April 2016 TLV3501 , TLV3502

PRODUCTION DATA.  

  1. Features
  2. Applications
  3. Description
  4. Revision History
  5. Pin Configuration and Functions
  6. Specifications
    1. 6.1 Absolute Maximum Ratings
    2. 6.2 ESD Ratings
    3. 6.3 Recommended Operating Conditions
    4. 6.4 Thermal Information: TLV3501
    5. 6.5 Thermal Information: TLV3502
    6. 6.6 Electrical Characteristics
    7. 6.7 Switching Characteristics
    8. 6.8 Typical Characteristics
  7. Detailed Description
    1. 7.1 Overview
    2. 7.2 Functional Block Diagram
    3. 7.3 Feature Description
      1. 7.3.1 Operating Voltage
      2. 7.3.2 Input Overvoltage Protection
    4. 7.4 Device Functional Modes
      1. 7.4.1 Shutdown
  8. Application and Implementation
    1. 8.1 Application Information
      1. 8.1.1 Adding External Hysteresis
    2. 8.2 Typical Application
      1. 8.2.1 Relaxation Oscillator
        1. 8.2.1.1 Design Requirements
        2. 8.2.1.2 Detailed Design Procedure
        3. 8.2.1.3 Application Curve
      2. 8.2.2 High-Speed Window Comparator
  9. Power Supply Recommendations
  10. 10Layout
    1. 10.1 Layout Guidelines
    2. 10.2 Layout Examples
  11. 11Device and Documentation Support
    1. 11.1 Device Support
      1. 11.1.1 Development Support
        1. 11.1.1.1 TI Precision Designs
    2. 11.2 Documentation Support
      1. 11.2.1 Related Documentation
    3. 11.3 Related Links
    4. 11.4 Community Resource
    5. 11.5 Trademarks
    6. 11.6 Electrostatic Discharge Caution
    7. 11.7 Glossary
  12. 12Mechanical, Packaging, and Orderable Information

封装选项

机械数据 (封装 | 引脚)
散热焊盘机械数据 (封装 | 引脚)
订购信息

5 Pin Configuration and Functions

TLV3501: DBV Package1
6-Pin SOT-23
Top View
TLV3501 TLV3502 sot23_6_po.gif
1. Pin 1 of the 6-pin SOT-23 is determined by orienting the package marking as indicated on the diagram.
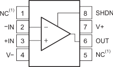
TLV3501: D Package1
8-Pin SOIC
Top View
TLV3501 TLV3502 soic_8_po.gif
1. NC indicates no internal connection.

Pin Functions: TLV3501

PIN I/O DESCRIPTION
NAME SOIC SOT-23
–IN 2 1 I Negative (inverting) input
+IN 3 3 I Positive (noninverting) input
NC 1, 5 No internal connection (can be left floating)
OUT 6 5 O Output
SHDN 8 6 Shutdown (the device is idle when this pin is not in use)
V– 4 2 Negative (lowest) power supply
V+ 7 4 Positive (highest) power supply
TLV3502: DCN and D Packages
8-Pin SOT-23 and SOIC
Top View
TLV3501 TLV3502 tlv3502_po_bos321.gif

Pin Functions: TLV3502

PIN I/O DESCRIPTION
NAME NO.
–IN A 2 I Inverting input, channel A
+IN A 1 I Noninverting input, channel A
–IN B 4 I Inverting input, channel B
+IN B 3 I Noninverting input, channel B
OUT A 7 O Output, channel A
OUT B 6 O Output, channel B
V– 5 Negative (lowest) power supply
V+ 8 Positive (highest) power supply