SBOS507A February   2010  – December 2014 TLV3502-Q1

PRODUCTION DATA.  

  1. Features
  2. Applications
  3. Description
  4. Revision History
  5. Pin Configuration and Functions
  6. Specifications
    1. 6.1 Absolute Maximum Ratings
    2. 6.2 ESD Ratings
    3. 6.3 Recommended Operating Conditions
    4. 6.4 Thermal Information
    5. 6.5 Electrical Characteristics
    6. 6.6 Switching Characteristics
    7. 6.7 Typical Characteristics
  7. Detailed Description
    1. 7.1 Overview
    2. 7.2 Functional Block Diagram
    3. 7.3 Feature Description
      1. 7.3.1 Input Over-Voltage Protection
      2. 7.3.2 Relaxation Oscillator
      3. 7.3.3 High-Speed Window Comparator
    4. 7.4 Device Functional Modes
  8. Application and Implementation
    1. 8.1 Application Information
    2. 8.2 Typical Application
      1. 8.2.1 Design Requirements
      2. 8.2.2 Detailed Design Procedure
      3. 8.2.3 Application Curve
  9. Power Supply Recommendations
  10. 10Layout
    1. 10.1 Layout Guidelines
    2. 10.2 Layout Example
  11. 11Device and Documentation Support
    1. 11.1 Trademarks
    2. 11.2 Electrostatic Discharge Caution
    3. 11.3 Glossary
  12. 12Mechanical, Packaging, and Orderable Information

封装选项

机械数据 (封装 | 引脚)
散热焊盘机械数据 (封装 | 引脚)
订购信息

10 Layout

10.1 Layout Guidelines

  • For any high-speed comparator or amplifier, proper design and printed circuit board (PCB) layout are necessary for optimal performance. Excess stray capacitance on the active input, or improper grounding, can limit the maximum performance of high-speed circuitry.
  • Minimizing resistance from the signal source to the comparator input is necessary in order to minimize the propagation delay of the complete circuit. The source resistance along with input and stray capacitance creates an RC filter that delays voltage transitions at the input, and reduces the amplitude of high-frequency signals. The input capacitance of the TLV3502-Q1 device along with stray capacitance from an input pin to ground results in several picofarads of capacitance.
  • The location and type of capacitors used for power-supply bypassing are critical to high-speed comparators. The suggested 2.2-μF tantalum capacitor do not need to be as close to the device as the 0.1-μF capacitor, and may be shared with other devices. The 2.2-μF capacitor buffers the power-supply line against ripple, and the 0.1-μF capacitor provides a charge for the comparator during high frequency switching.
  • In a high-speed circuit, fast rising and falling switching transients create voltage differences across lines that would be at the same potential at DC. To reduce this effect, a ground plane is often used to reduce difference in voltage potential within the circuit board. A ground plane has the advantage of minimizing the effect of stray capacitances on the circuit board by providing a more desirable path for the current to flow. With a signal trace over a ground plane, at high-frequency the return current (in the ground plane) tends to flow right under the signal trace. Breaks in the ground plane (as simple as through-hole leads and vias) increase the inductance of the plane, making it less effective at higher frequencies. Breaks in the ground plane for necessary vias should be spaced randomly.
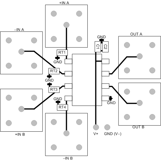
  • Figure 21 shows an evaluation layout for the TLV3502-Q1 SOT23-8 package. The device is shown with SMA connectors bringing signals on and off the board. RT1, RT2, RT3 and RT4 are termination resistors for + IN A, + IN B, –IN A, and –IN B respectively. C1 and C2 are power-supply bypass capacitors. Place the 0.1-μF capacitor closest to the comparator. The ground plane is not shown, but the pads that the resistors and capacitors connect to are shown. Figure 22 shows a schematic of this circuit.

10.2 Layout Example

layout_sbos507.gifFigure 21. TLV3502-Q1 Sample Layout
schematic_sbos507.gifFigure 22. Schematic for Figure 21