ZHCSQF8C June   2023  – March 2025 TLV2365-Q1 , TLV365-Q1

PRODUCTION DATA  

  1.   1
  2. 特性
  3. 应用
  4. 说明
  5. 器件比较表
  6. 引脚配置和功能
  7. 规格
    1. 6.1 绝对最大额定值
    2. 6.2 ESD 等级
    3. 6.3 建议运行条件
    4. 6.4 热性能信息
    5. 6.5 电气特性
    6. 6.6 典型特性
  8. 详细说明
    1. 7.1 概述
    2. 7.2 功能方框图
    3. 7.3 特性说明
      1. 7.3.1 轨到轨输入
      2. 7.3.2 输入和 ESD 保护
      3. 7.3.3 驱动容性负载
      4. 7.3.4 有源滤波器
    4. 7.4 器件功能模式
  9. 应用和实施
    1. 8.1 应用信息
      1. 8.1.1 过驱恢复性能
      2. 8.1.2 达到零伏输出电平
    2. 8.2 典型应用
      1. 8.2.1 二阶低通滤波器
        1. 8.2.1.1 设计要求
        2. 8.2.1.2 详细设计过程
        3. 8.2.1.3 应用曲线
      2. 8.2.2 ADC 驱动器和基准缓冲器
    3. 8.3 电源相关建议
    4. 8.4 布局
      1. 8.4.1 布局指南
      2. 8.4.2 布局示例
  10. 器件和文档支持
    1. 9.1 器件支持
      1. 9.1.1 开发支持
        1. 9.1.1.1 PSpice® for TI
        2. 9.1.1.2 TINA-TI™ 仿真软件(免费下载)
        3. 9.1.1.3 DIP-Adapter-EVM
        4. 9.1.1.4 DIYAMP-EVM
        5. 9.1.1.5 TI 参考设计
        6. 9.1.1.6 模拟滤波器设计器
    2. 9.2 文档支持
      1. 9.2.1 相关文档
    3. 9.3 接收文档更新通知
    4. 9.4 支持资源
    5. 9.5 商标
    6. 9.6 静电放电警告
    7. 9.7 术语表
  11. 10修订历史记录
  12. 11机械、封装和可订购信息

封装选项

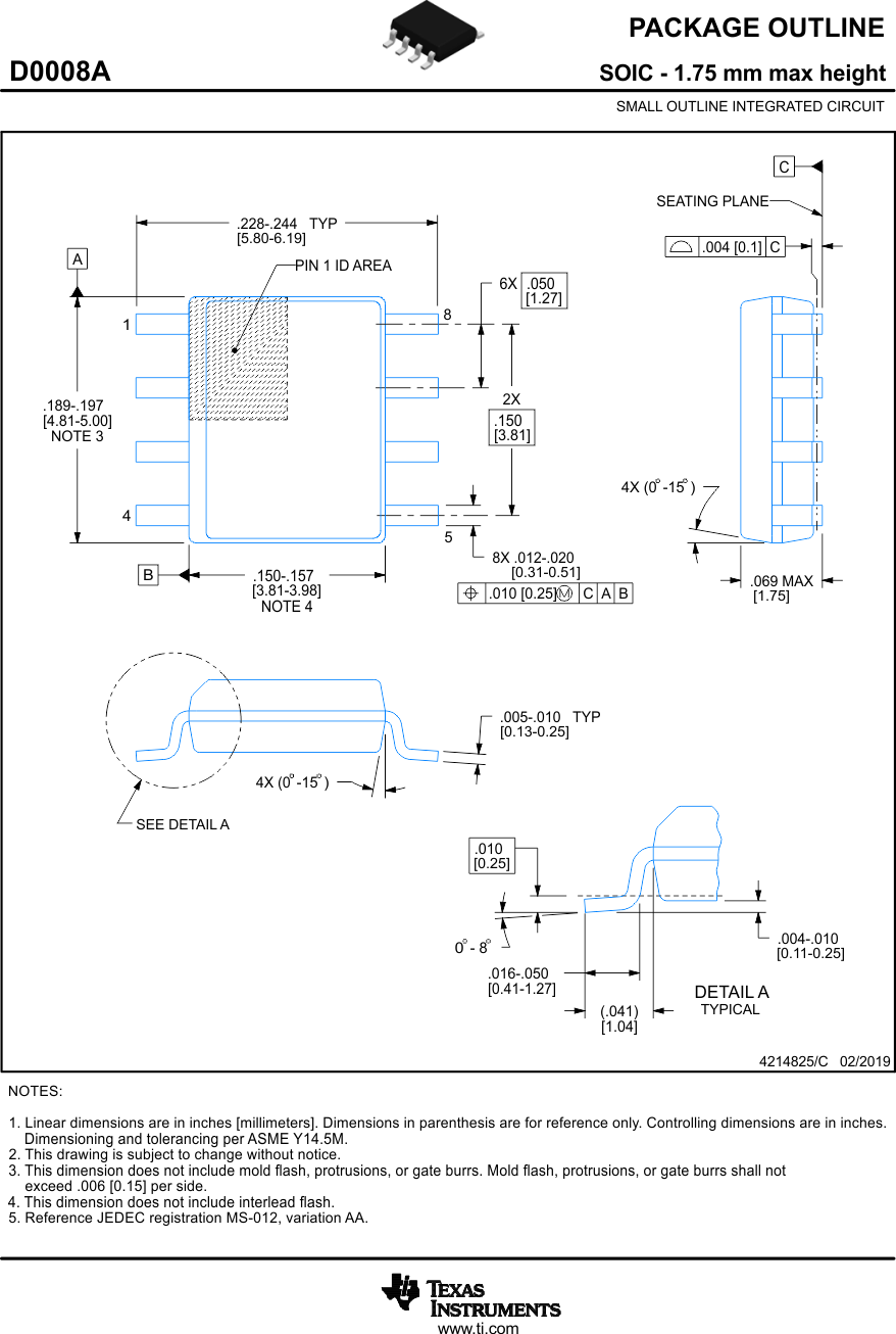
请参考 PDF 数据表获取器件具体的封装图。

机械数据 (封装 | 引脚)
  • D|8
  • DGK|8
散热焊盘机械数据 (封装 | 引脚)
订购信息

机械、封装和可订购信息

以下页面包含机械、封装和可订购信息。这些信息是指定器件可用的最新数据。数据如有变更,恕不另行通知,且不会对此文档进行修订。有关此数据表的浏览器版本,请查阅左侧的导航栏。

TLV365-Q1 TLV2365-Q1
TLV365-Q1 TLV2365-Q1
TLV365-Q1 TLV2365-Q1