ZHCSLV0E September   2022  – July 2025 TLV1811 , TLV1812 , TLV1814 , TLV1821 , TLV1822 , TLV1824

PRODMIX  

  1.   1
  2. 特性
  3. 应用
  4. 说明
  5. 引脚配置和功能
    1.     引脚功能:TLV18x1 TLV18x1L
    2.     引脚功能:TLV1812 和 TLV1822
    3.     引脚功能:TLV1814 和 TLV1824
  6. 规格
    1. 5.1 绝对最大额定值
    2. 5.2 ESD 等级
    3. 5.3 建议运行条件
    4. 5.4 热性能信息 - 单通道
    5. 5.5 热性能信息 - 双通道
    6. 5.6 热性能信息 - 四通道
    7. 5.7 电气特性
    8. 5.8 开关特性
  7. 典型特性
  8. 详细说明
    1. 7.1 概述
    2. 7.2 功能方框图
    3. 7.3 特性说明
    4. 7.4 器件功能模式
      1. 7.4.1 输入
        1. 7.4.1.1 TLV18xx 轨到轨输入
        2. 7.4.1.2 ESD 保护
        3. 7.4.1.3 未使用的输入
      2. 7.4.2 输出
        1. 7.4.2.1 TLV181x 推挽输出
        2. 7.4.2.2 TLV182x 开漏输出
      3. 7.4.3 上电复位 (POR)
      4. 7.4.4 迟滞
  9. 应用和实施
    1. 8.1 应用信息
      1. 8.1.1 基本的比较器定义
        1. 8.1.1.1 运行
        2. 8.1.1.2 传播延迟
        3. 8.1.1.3 过驱动和欠驱动电压
      2. 8.1.2 迟滞
        1. 8.1.2.1 具有迟滞功能的反相比较器
        2. 8.1.2.2 具有迟滞功能的同相比较器
        3. 8.1.2.3 使用开漏输出的反相和同相迟滞
    2. 8.2 典型应用
      1. 8.2.1 窗口比较器
        1. 8.2.1.1 设计要求
        2. 8.2.1.2 详细设计过程
        3. 8.2.1.3 应用曲线
      2. 8.2.2 方波振荡器
        1. 8.2.2.1 设计要求
        2. 8.2.2.2 详细设计过程
        3. 8.2.2.3 应用曲线
      3. 8.2.3 可调节的脉宽生成器
      4. 8.2.4 延时时间生成器
      5. 8.2.5 逻辑电平转换器
      6. 8.2.6 单稳态多谐振荡器
      7. 8.2.7 双稳态多谐振荡器
      8. 8.2.8 过零检测器
      9. 8.2.9 脉冲切片器
    3. 8.3 电源相关建议
    4. 8.4 布局
      1. 8.4.1 布局指南
      2. 8.4.2 布局示例
  10. 器件和文档支持
    1. 9.1 文档支持
      1. 9.1.1 相关文档
    2. 9.2 接收文档更新通知
    3. 9.3 支持资源
    4. 9.4 商标
    5. 9.5 静电放电警告
    6. 9.6 术语表
  11. 10修订历史记录
  12. 11机械、封装和可订购信息

封装选项

机械数据 (封装 | 引脚)
散热焊盘机械数据 (封装 | 引脚)
订购信息

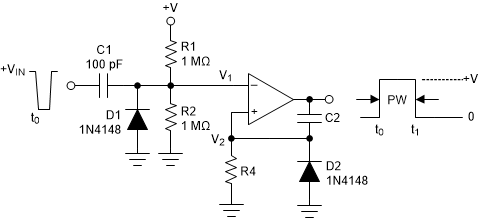
单稳态多谐振荡器

TLV1811 TLV1821 TLV1812 TLV1822 TLV1814 TLV1824 单稳态多谐振荡器图 8-15 单稳态多谐振荡器

单稳态多谐振荡器有一种使电路可以长久保持的稳定状态。可从外部将电路触发到另一个准稳定状态。因此,可以使用单稳态多谐振荡器来生成所需宽度的脉冲。

通过调整 C2 和 R4 的值来设置所需的脉冲宽度。可以使用 R1 和 R2 的电阻分压器来确定输入触发脉冲的幅度。当 V1 < V2 时,输出会改变状态。二极管 D2 为电容器 C2 提供快速放电路径,以便在脉冲结束时复位。二极管还可防止将同相输入驱动至低于接地值。