ZHCS301C December   2012  – July 2016 TLC6C5912-Q1

PRODUCTION DATA.  

  1. 特性
  2. 应用
  3. 说明
  4. 修订历史记录
  5. Pin Configuration and Functions
  6. Specifications
    1. 6.1 Absolute Maximum Ratings
    2. 6.2 ESD Ratings
    3. 6.3 Recommended Operating Conditions
    4. 6.4 Thermal Information
    5. 6.5 Electrical Characteristics
    6. 6.6 Switching Characteristics
    7. 6.7 Typical Characteristics
  7. Parameter Measurement Information
  8. Detailed Description
    1. 8.1 Overview
    2. 8.2 Functional Block Diagram
    3. 8.3 Feature Description
      1. 8.3.1 Thermal Shutdown
      2. 8.3.2 Serial-In Interface
      3. 8.3.3 Clear Register
      4. 8.3.4 Cascade Through SER OUT
      5. 8.3.5 Output Control
    4. 8.4 Device Functional Modes
      1. 8.4.1 Operation With VCC < 3 V
      2. 8.4.2 Operation With 5.5 V ≤ VCC ≤ 8 V
  9. Application and Implementation
    1. 9.1 Application Information
    2. 9.2 Typical Application
      1. 9.2.1 Design Requirements
      2. 9.2.2 Detailed Design Procedure
      3. 9.2.3 Application Curve
  10. 10Power Supply Recommendations
  11. 11Layout
    1. 11.1 Layout Guidelines
    2. 11.2 Layout Example
  12. 12器件和文档支持
    1. 12.1 接收文档更新通知
    2. 12.2 社区资源
    3. 12.3 商标
    4. 12.4 静电放电警告
    5. 12.5 Glossary
  13. 13机械、封装和可订购信息

封装选项

机械数据 (封装 | 引脚)
散热焊盘机械数据 (封装 | 引脚)
订购信息

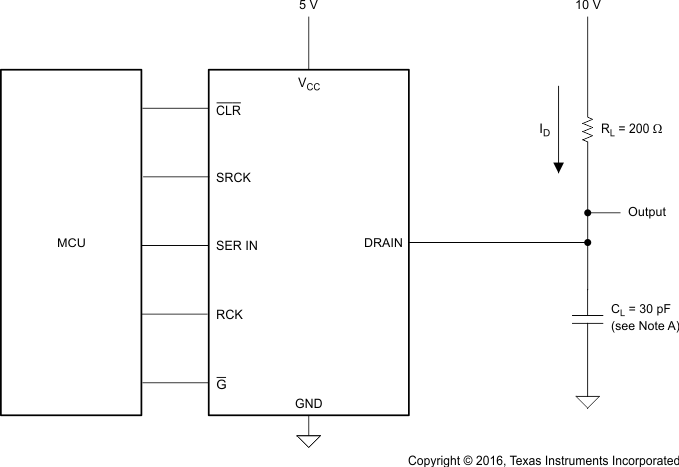
7 Parameter Measurement Information

TLC6C5912-Q1 Res-Load_Test_SLIS141.gif
A. CL includes probe and jig capacitance.
Figure 11. Resistive-Load Test Circuit
TLC6C5912-Q1 Voltage_Waveforms_SLIS141.gif Figure 12. Voltage Waveforms

Figure 11 and Figure 12 show the resistive-load test circuit and voltage waveforms. One can see from Figure 12 that with G held low and CLR held high, the status of each drain changes on the rising edge of the register clock, indicating the transfer of data to the output buffers at that time.