7.1 Overview
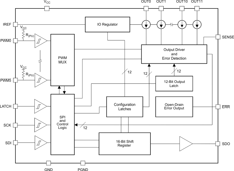
The TLC6C5712-Q1 device is a 12-channel constant-current-sink LED driver. At the TLC6C5712-Q1 output stage, 12 regulated current channels provide uniform and constant current for driving LEDs within a wide range of forward-voltage variations.
Users can adjust output current from 10 mA to 75 mA through an external resistor, R(IREF), which provides flexibility in controlling the light intensity of the LEDs. The maximum constant-current value (full-scale range) of all 12 channels is set by a single external resistor. The current of each individual output can be programmed in 256 linear steps, allowing further calibration. The design of the TLC6C5712-Q1 device supports up to 7 V at the output ports. The serial communication interface is designed for high-throughput data transmission with cascaded devices. The device has six PWM input channels and 12 output channels that can be mapped arbitrarily to any of the 6 PWM inputs.
The TLC6C5712-Q1 device has advanced diagnostics, LED open-load detection, shorted-LED detection, short-circuit to ground detection, reference resistor open and short protection, PWM input-frequency supervision, adjacent-pin short diagnostics, thermal pre-warning and thermal protection. LED open-and-short and output short-to-ground detection is available even when an LED channel is off. The diagnostic functions and errors can be activated or de-activated individually by functions or channels. Users can configure the open-drain error output to signalize various types of errors.
7.3 Feature Description
7.3.1 Power-On Reset (POR)
The device supports two types of POR, start-up or UVLO POR and software POR, with software reset capability.
7.3.1.1 Start-Up or UVLO POR
When power is applied to VCC, or when VCC is undervoltage (VCC < V(POR)), an internal power-on reset (POR) holds the TLC6C5712-Q1 device in a reset condition with the following conditions until VCC reaches VPOR. During RESET:
- The device cannot receive data.
- The SDO pin is held LOW, so the device cannot transmit data.
- The ERR open-drain output is pulled down.
During POR, communication between the controller and the device is lost. Any data transmitted during this period is lost. The state machine inside the device is undefined. After POR, the reset status is released, the TLC6C5712-Q1 registers and SPI state machine are re-initialized to default states (see the Default column in Table 2). [POR_ERR_FLAG] is set to HIGH during start-up or UVLO POR.
7.3.1.2 Software POR
A software reset command (<SOFTWARE_POR>) resets all internal register settings to default values. The command executes on a LATCH rising edge. All fault bits and diagnostic status are cleared and set to their default values. The <SOFTWARE_POR> command also executes the RESET_STATUS] command. The [POR_ERR_FLAG] bit in the <READ_STATUS0> register is set to HIGH on a software POR.
7.3.1.3 Reset POR
Either start-up or a UVLO POR or a software POR sets [POR_ERR_FLAG] to HIGH. when the device enters POR status, the [POR_ERR_FLAG] bit is latched HIGH. To clear the [POR_ERR_FLAG], a RESET_POR command must be issued.
If [POR_ERR_FLAG] is set either by start-up, UVLO, or software, and the device is not in any UVLO state, [POR_ERR_FLAG] is latched and does not block any operation.
7.3.1.4 POR Masking
[POR_ERR_FLAG] reporting to the ERR output can be masked by the [POR_MASK] bit. If a POR event happens when [POR_MASK] is set HIGH, POR events do not trigger the ERR̅ output, and [POR_ERR_FLAG] is set HIGH.
See the following addresses in Table 2: 61h, 62h, 63h, and A2h.
7.3.2 Error Feedback
The TLC6C5712-Q1 device supports an active-low open-drain output for error information through the ERR pin for the MCU error-monitor interrupt. If any FLAG bit is set to HIGH in the <READ_STATUS0> register, and is not masked by a corresponding mask bit in the <WRITE_ERROR_MASK> register, the ERR pin pulls low to indicate an ERROR scenario. The MCU should immediately execute the error monitor routine.
7.3.2.1 Recovery From Error
When any fault occurs, all FAULT information can be read in separate FAULT registers, for example, <READ_OPEN_FAULT0>. When the error condition recovers, the register information is still latched and the ERR pin remains low until the fault is masked or the RESET_STATUS command has been issued. However, if the error condition still exists after issuing the RESET_STATUS command, the ERR pin pulls low again and the corresponding FAULT register is set HIGH.
7.3.2.2 RESET_STATUS Command
The RESET_STATUS command clears all flags in the following registers:
<READ_ADJSHORT0>
<READ_ADJSHORT1>
<READ_SHORT_FAULT0>
<READ_SHORT_FAULT1>
<READ_SHORT_GND_FAULT0>
<READ_SHORT_GND_FAULT1>
<READ_OPEN_FAULT0>
<READ_OPEN_FAULT1>
<READ_PWM_FAULT>
<READ_STATUS0>, excluding the [POR_ERR_FLAG] bit.
As mentioned in the POR section, only the RESET_POR command can clear the [POR_ERR_FLAG] bit.
[POR_ERR_FLAG] bit: Read only (R) bit. HIGH: A POR error has occurred. To reset this flag, issue a RESET_POR command.
[POR_MASK] bit: Read and write (R/W) bit. HIGH: A POR error is stored in the [POR_ERR_FLAG] bit and is not reported to ERR.
RESET_POR: A command to reset [POR_ERR_FLAG].
SOFTWARE_POR: A command to generate a POR. It also clears STATUS flags.
See the following addresses in Table 2: 62h, 9Ah through A2h, A8h, and A9h.
7.3.3 PWM Input
The TLC6C5712-Q1 device has six PWM inputs with independently configurable mapping to modulate any of the 12 channels for external PWM dimming. A PWM monitor can be used to supervise PWM input-signal integrity.
7.3.3.1 PWM Dimming
PWM dimming is supported on all 12 channels by six PWM inputs. The input PWMx signal is active-low. Due to the minimal pulse duration needed for diagnostics, at 200 Hz the minimum achievable duty cycle is 0.1%, or 5 µs minimal on-time. Similarly, the maximum achievable duty cycle is 99.2%, or 40 µs minimum off-time. The setting of this boundary allows enough time for diagnostic functions. In the case of 0% or 100% PWM, diagnostics are not reported.
7.3.3.2 PWM Monitor
Independent rising-edge triggered timers are implemented as PWM monitors for each PWMx input channel. when the timer length reaches the threshold tPWM, [PWM_FAULTx] is set to HIGH. If the corresponding masking register [PWM_FAULT_MASKx] is also set HIGH, the fault is stored in [PWM_FAULTx] and is not reported to the [ANY_PWM_FAULT_FLAG] register. [ANY_PWM_FAULT_FLAG] is set to HIGH and the ERR pin is pulled LOW if any of the PWM monitors reported a fault and the mask register [PWM_MASK] is disabled. The PWM rising edge resets the timer and restarts counting from 0. For 0% or 100% PWM, the [PWM_FAULTx] registers should be independently masked for each PWMx input via the [PWM_FAULT_MASKx] registers.
After being set HIGH, [PWM_FAULTx] FAULT_PWMx is latched even if the corresponding PWM input toggling has recovered. The RESET_STATUS command must be issued to clear the [ANY_PWM_FAULT_FLAG] bit.
7.3.3.3 PWM Mapping
Each of the 12 output channels has a 3-bit [PWM_MAP_CH] field to assign to one PWMx input. All output channels are assigned to PWM0 by default. Table 1 lists the mapping for each PWMx input..
Table 1. PWMx Mapping
| BIT 2 |
BIT 1 |
BIT 0 |
PWMx |
| 0 |
0 |
0 |
PWM0 |
| 0 |
0 |
1 |
PWM1 |
| 0 |
1 |
0 |
PWM2 |
| 0 |
1 |
1 |
PWM3 |
| 1 |
0 |
0 |
PWM4 |
| 1 |
0 |
1 |
PWM5 |
| 1 |
1 |
0 |
PWM0 |
| 1 |
1 |
1 |
PWM0 |
7.3.3.4 PWM MAP Register Lock
To avoid unintended modification of the <PWM MAPx> registers, the <PWM MAPx> registers can be locked via the LOCK_MAP command and unlocked via the UNLOCK_MAP command. For details, see the Register Protection feature.
See the following addresses in Table 2: 40h through 45h, 60h, 62h, 66h through 68h, 6Ch, A0h through A3h, A6h, and A7h.
| [PWM_MAP_CH] field: |
R/W. 3 bits. Mapping output channel PWM source to PWMx input. |
| [PWM_FAULT_MASKx] bit: |
R/W. Active-high. Mask the PWM fault flag PWMx. |
| [PWM_MASK] bit: |
R/W. Active-high. Disable the ANY_PWM_FAULT_FLAG from reporting to ERR. |
| [PWM_FAULTx] bit: |
R only. Active-high. HIGH: PWM monitor timer has triggered for PWMx. |
| [ANY_PWM_FAULT_FLAG] bit: |
R only. Active-high. HIGH: One or more PWMx inputs have triggered the PWM monitor. |
| [SLOW_SLEW_RATE] bit: |
R/W. Active-high. HIGH: Slow slew rate. |
7.3.4 Constant-Current Output
The TLC6C5712-Q1 device has 12 constant-current output channels. An external resistor, R(IREF), sets the maximum current of all channels globally. The current of each channel is individually configurable by independent 8-bit current digital-to-analog converters to support dot-correction capability, also known as calibration capability. Dot correction can be used to calibrate out brightness differences introduced by LED bin-to-bin differences or plastic transmittance variation by software instead of manually selecting matching resistors.
7.3.4.1 Global Current Reference
Maximum channel output current (dot-correction register [OUTPUT_DC_CHx] is set at full range, FFh) is globally set by reference resistor R(IREF). The V(IREF) voltage biases external reference resistor R(IREF), generating reference current I(IREF). I(IREF) is sensed and amplified by the ratio of K(OUT) as the maximum output current. Choose the external resistor R(IREF) value using Equation 1, based on maximum current I(OUT,MAX|DC=255.
Equation 1.

7.3.4.2 Current Reference Monitor and Protection
The TLC6C5712-Q1 device implements a current-reference monitor for current-reference resistor open-and-short diagnostic and protection. The device monitors the current I(IREF) flowing out of the IREF pin. If I(IREF) is higher than I(IREF_scth), a reference-short condition is asserted, limiting the I(IREF) output current for short protection. If the I(IREF) current is smaller than II(IREF_octh), a reference-open condition is asserted.
To maintain output function when the IREF resistor is in a short or open condition, device switches to a fail-safe current source. In fail-safe mode, the maximum output current is defined as I(OUTx_default). when the external fault condition is removed, the external resistor sets the I(IREF) current.
Equation 2.

To avoid switching into default current unintentionally, the device implements a digital deglitch filter on the reference open and short diagnostics. The filter length is defined as t(REF_deg). On assertion of the reference open-or-short fault, the [REF_FAULT_FLAG] bit is set. The [REF_MASK] bit can be used to mask the reference fault output to the ERR pin. If [REF_MASK] is enabled, a reference fault is not reported to the ERR output. If [REF_MASK] is enabled, a reference fault is not reported to the ERR output. Clearing the [REF_FAULT_FLAG] bit requires issuing the RESET_STATUS command.
7.3.4.3 Channel Activation Control
[CH_ON_MASKx] are the channel activation mask bits which control each channel output ACTIVATED-DEACTIVATED. Logic LOW stands for channel ACTIVATED status.
DEACTIVTING a channel output does not clear the diagnostics registers.
7.3.4.4 Individual Dot Correction Control
Each channel has an internal 8-bit linear-current digital-to-analog converter for individual dot correction control. The 8-bit [OUTPUT_DC_CHx] fields are used to control DAC output current according to Equation 3. Note that the minimum current is 1 / 256 of IOUT,MAX. If absolutely zero current is required in some scenarios, the channel can be disabled by setting the corresponding channel-enable [CH_ON_MASKx] bit HIGH.
Equation 3.

7.3.4.5 Output Slew-Rate Adjustment
To accommodate different slew rate requirements for EMC optimization, the [SLOW_SLEW_RATE] bit is provided. Setting [SLOW_SLEW_RATE] HIGH makes both the rising and falling times, tr and tf, longer.
7.3.4.6 Register Lock
To avoid unintended modification of registers, the [OUTPUT_DC_CHx] fields can be locked with the LOCK_CORR command and unlocked with the UNLOCK_CORR command. The [CH_ON_MASKx] bits can be locked with the LOCK_MASK command and unlocked with the UNLOCK_MASK command. For details, see the Register Protection section.
7.3.4.7 Deactivated-Channel Internal Pullup
To avoid floating outputs on a deactivated channel, optional pullup current to the SENSE node I(OUT_PULLUP) is provided. The pullup current is disabled by default and can be enabled by setting the [DIS_PULL_UP_CHx] bit HIGH.
See the following addresses in Table 2: 46h through 43h, 69h, 6Ah, 6Dh, 6Eh, and 86h through 93h.
| [OUTPUT_DC_CHx] field: |
R/W. 8-bit. Dot correction current DAC setting register for channel x. |
| [CH_ON_MASKx]: |
R/W. HIGH: Channel output disabled; LOW: Channel output enabled |
7.3.5 Advanced Diagnostics
The TLC6C5712-Q1 device supports a variety of diagnostic features, including:
- Pre-thermal warning and thermal shutdown protection
- LED short-to-supply detection
- LED short-to-GND detection
- LED open-load detection
- Deactivated-channel LED-open or -short detection
- Weak-LED-supply detection
- Adjacent-pin short detection
- Reference resistor open or short detection and protection
- PWM frequency monitor
7.3.5.1 Pre-Thermal Warning and Thermal Shutdown Protection
When the junction temperature exceeds the pre-thermal-warning threshold T(PTW), [PRE_TSD_FLAG] in the <READ_STATUS0> register is set HIGH to signal the pre-thermal warning. The ERR̅ open-drain output is also pulled down. The microcontroller should respond to the fault warning and take actions to prevent junction temperature rising.
If junction temperature continues to rise and exceeds thermal-shutdown threshold T(TSD), the overtemperature fault bit [TSD_FLAG] in the <READ_STATUS0> register is set HIGH to signal thermal shutdown, the ERR open-drain output is also pulled down, and all output channels are turned off for protection.
[PRE_TSD_FLAG] and [TSD_FLAG] are latched when triggered. To clear either of the flags, issue the RESET_STATUS command.
[TSD_FLAG] is latched after having been set. After the die temperature falls below T(TSD) – T(HYS), the LED outputs are activated using the previous settings without re-initializing.
The flag bits can be individually masked by [PRE_TSD_MASK] and [TSD_MASK]. [PRE_TSD_MASK] prevents the ERR̅ open-drain output. [TSD_MASK] prevents the ERR̅ open-drain output and thermal shutdown of all channels. Even if the faults are masked, the fault status can still be read in the registers.
7.3.5.2 LED Short-to-Supply Detection
The device has independent LED short-to-supply detection for each channel. Whether the channel PWM source is HIGH or LOW, the voltage difference between the SENSE and OUTx pins is monitored.
If an LED short to the supply is detected, the [SHORT_FAULT_CHx] bit of the channel is set HIGH and the [ANY_SHORT_FLAG] bit is set HIGH The [ANY_SHORT_FLAG] also pulls down the ERR̅ open-drain output.
The LED short-to-supply fault does not disable the corresponding channel output. when the fault condition is removed, the LED should resume normal operation. Fault conditions are latched in the [SHORT_FAULT_CHx] bits. To clear the [SHORT_FAULT_CHx] bits, issue the RESET_STATUS command.
The [SHORT_FAULT_CHx] bits can be masked independently for each channel by the [SHORT_MASK_CHx] bits. when the [SHORT_MASK_CHx] bit of any channel is set HIGH, the short-to-supply fault on the specific channel is not reported to [ANY_SHORT_FLAG].
7.3.5.3 LED Short-to-GND Detection
The TLC6C5712-Q1 device is able to distinguish an LED short-to-GND condition from an LED open-detection condition by having an internal pullup current to the SENSE node. The pullup is enabled during the PWM OFF state or channel-deactivated state.
If an LED short-to-GND is detected, the [SG_FAULT_CHx] bit for the channel is set HIGH, and the [ANY_SHORT_FLAG] bit is also set HIGH. [ANY_SHORT_FLAG] also pulls down the ERR̅ open-drain output.
An LED short-to-GND fault does not disable the corresponding channel output. when a fault condition is removed, the LED should resume normal operation. Fault conditions are latched in the [SG_FAULT_CHx] fault bits. Issue a RESET_STATUS command to clear the [SG_FAULT_CHx] fault bits.
The [SG_FAULT_CHx] channel-fault bits can be masked independently by [SG_MASK_CHx]. when the [SG_MASK_CHx] bit of any channel is set HIGH, the short-to-GND fault on the specific channel is not reported to [ANY_SHORT_FLAG].
7.3.5.4 LED Open-Load Detection
The device has independent LED open-load detection for each channel. If an LED open-load condition is detected, the [OPEN_FAULT_CHx] bit for the channel is set HIGH, and the [ANY_OPEN_FLAG] bit also is set HIGH. [ANY_OPEN_FLAG] also pulls down the ERR open-drain output.
An LED open-load fault does not disable the corresponding channel output. when a fault condition is removed, the LED should resume normal operation. Fault conditions are latched in the [OPEN_FAULT_CHx] fault bits. Issue a RESET_STATUS command to clear the [OPEN_FAULT_CHx] fault bits.
The [OPEN_FAULT_CHx] channel-fault bits can be masked independently by the [OPEN_MASK_CHx] bits. when the [OPEN_MASK_CHx] bit of any channel is set HIGH, the open-load fault on the specific channel is not reported to the [ANY_OPEN_FLAG] bit.
[ANY_OPEN_FLAG] is the indicator for open-load detectors. [ANY_OPEN_FLAG] can be masked by [OPEN_MASK] to avoid pulling down the ERR̅ open-drain output.
7.3.5.5 Deactivated-Channel LED Open or Short Detection
Deactivating a channel by setting [CH_ON_MASKx] automatically enables detection of an off-state LED open load, short to the supply, or short to GND. If a fault is detected when the pullup is enabled, the respective fault register is set and the ERR̅ open-drain output is pulled down.
To clear the fault, issue the RESET_STATUS command, the same as for activated-state diagnostics. The fault-masking mechanism is also the same as for activated-state diagnostics.
If an application allows absolutely no current during the channel disabled state, disable the off-state LED open-or-short detection feature using the [DIS_OFF_FAULT_DIAG] bit.
There is a provision for pulling each channel up to SENSE to avoid a floating node during off-state. This function can be enabled by setting the [DIS_PULL_UP_CHx] bit to HIGH. If any [DIS_PULL_UP_CHx] bit is set HIGH, the [DIS_PULL_UP_FLAG] bit is also set HIGH.
7.3.5.6 Weak LED Supply (WLS) Detection
The TLC6C5712-Q1 device provides weak-LED-supply detection to avoid reporting false faults due to supply failure. Implementation of weak-LED-supply detection is by monitoring the V(SENSE) voltage using the internal threshold voltage V(WLS) as a reference.
The default threshold V(WLS) is set for a 5-V supply. If a 3.3-V LED supply is needed, the threshold voltage can be tuned to V(WLS_OPT) by setting the [WLS_TH] bit HIGH.
when a fault is detected, the [WLS_FAULT_FLAG] bit is set if the [WLS_MASK] masking bit is not active. The [WLS_FAULT_FLAG] bit remains latched even if the voltage recovers. To clear the fault, issue the RESET_STATUS command.
7.3.5.6.1 Adjacent-Pin Short Detection
On-demand adjacent-pin short detection is provided. This feature requires off-line diagnostics when the outputs are disabled. Otherwise, interruptions in normal operation and visual brightness glitches may result.
To start adjacent-pin short detection, set the [ADJ_DIAG_START] bit to HIGH. This bit automatically returns to LOW when the adjacent pin diagnostic procedure is finished.
After [ADJ_DIAG_START] has been set to HIGH and back to LOW, if any two adjacent pins are shorted, the [ADJ_FLAG_CHx] bit for the faulty channel is set HIGH. The microcontroller can read [ADJ_FLAG_CHx] to determine which two adjacent pins are shorted.
Deactivating all the channels by using the [CH_ON_MASKx] bits is suggested before starting adjacent-pin diagnostics.
when the [ADJ_FLAG_CHx] bit is set, it can only be cleared by issuing the RESET_STATUS command.
7.3.5.6.2 Force Error
To validate the ERR pulldown feedback without a real fault, the [FORCE_ERR] bit is provided to enable an ERR force-down to simulate a faulty scenario. When [FORCE_ERR] is HIGH, the ERR open-drain output is pulled down. To clear the fault, issue the RESET_STATUS command.
7.3.5.6.4 PWM Monitor
See the PWM Input section.
7.3.6 Register Protection
To avoid an unintended change of critical registers, register locking and unlocking functions are provided. when the registers are locked, they cannot be overwritten until an unlock command is issued. When the registers are locked, they are still available for reading. Critical registers include:
| Dot correction register |
<WRITE_CORRx>, x = 0–11 |
|
|
| PWM mapping register |
<WRITE_MAPx>, x = 0–5 |
|
|
| Masking registers |
<WRITE_CH_ON_MASK0> <WRITE_CH_ON_MASK1> <WRITE_SHORT_MASK0> <WRITE_SHORT_MASK1> <WRITE_SHORT_GND_MASK0> <WRITE_SHORT_GND_MASK1> <WRITE_OPEN_MASK0> <WRITE_OPEN_MASK1> <WRITE_PWM_FAULT_MASK> <WRITE_ERROR_MASK> |
|
|
| Miscellaneous register |
<WRITE_MISC_CMD> |
7.3.6.1 Dot Correction Register Lock and Unlock
The <WRITE_CORRx> dot correction register can be locked via the LOCK_CORRcommand. When it is locked, no data in the <WRITE_CORRx> registers can be altered. To unlock, issue the UNLOCK_CORR command.
7.3.6.2 PWM Mapping Register Lock and Unlock
The <WRITE_MAPx> dot correction register can be locked via the LOCK_MAP command. When it is locked, no data in the <WRITE_MAPx> registers can be altered. To unlock, issue the UNLOCK_MAP command.
7.3.6.3 Masking Register Lock and Unlock
Masking registers can be locked via LOCK_MASK command. When it is locked, no data in the masking registers listed in the Register Protection section can be altered. To unlock, issue the UNLOCK_MASK command.
7.3.6.4 Miscellaneous Register Lock and Unlock
Miscellaneous registers can be locked via the LOCK_MISC command. When it is locked, no data in the miscellaneous register listed in the Register Protection section can be altered. To unlock, issue the UNLOCK_MISC command.
7.3.6.5 Lock Flag Indication
The status of all lock registers is stored in the [LOCK_CORR_FLAG], [LOCK_MASK_FLAG], [LOCK_MAP_FLAG] and [LOCK_MISC_FLAG] bits of the <READ_STATUS1> register.
7.3.7 Serial Interface – SPI
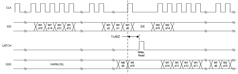
The serial port is used to write data to, read diagnostic status from and configure settings of the TLC6C5712-Q1 device by transferring the input data to the desired address. During normal operation, an 8-bit serial address and 8-bit serial data are written into the 16-bit shift register. On an SCK rising-edge input, data is sampled. Data is shifted on a SCK falling edge and the shift registers advance, converting the 16 most-recent inputs to parallel signals on the LATCH rising edge.
At the rising edge on the LATCH input, a decoder which controls data transfer between shift and storage registers interprets the addresses. Depending on the address, valid data is conveyed from or to the appropriate latch or a command is interpreted. On latching a read address, data is read out from a storage register and shifted out of SDO to the microcontroller or daisy chained TLC6C5712-Q1 device.
Because for each address the TLC6C5712-Q1 device shifts out a fixed amount of data at the end of a write-read cycle, it is possible to send different address codes to each IC in a daisy chain.
For a number N of daisy-chained devices, a communication cycle comprises 16 × N SCK cycles with the corresponding data, transferred from shift registers to latches or from latches to shift registers on the rising edge of LATCH. The falling edge of LATCH indicates the end of a communication cycle.
The TLC6C5712-Q1 device supports multiple devices in cascaded daisy-chain mode. Each communication sequence must only have one LATCH rising edge, and therefore cannot be split into multiple smaller sequences.
7.3.8 Thermal Information
TLC6C5712-Q1 has internal thermal shutdown (TSD) protection from device overheating. For continuous operation, the junction temperature should not exceed thermal-shutdown threshold. If TSD is not disabled by register and junction temperature exceeds thermal shutdown threshold, all outputs are turned off for protection. When the junction temperature falls below the thermal threshold minus hysteresis, outputs resume.
Use Equation 4 to estimate the device power.
Equation 4.

where
- PD(tot) = Total power dissipation of the device
- V(OUTx) = Voltage drop for channel x
- I(OUTx) = Average LED current for channel x
- V(IREF) = Reference voltage
- R(IREF) = Reference resistor
7.5 Register Maps
Table 2. Register Map
| Register Name |
Addr |
D7 |
D6 |
D5 |
D4 |
D3 |
D2 |
D1 |
D0 |
Default |
| WRITE_MAP0 |
40h |
RESERVED |
PWM_MAP_CH1[2:0] |
PWM_MAP_CH0[2:0] |
00h |
| WRITE_MAP1 |
41h |
RESERVED |
PWM_MAP_CH3[2:0] |
PWM_MAP_CH2[2:0] |
00h |
| WRITE_MAP2 |
42h |
RESERVED |
PWM_MAP_CH5[2:0] |
PWM_MAP_CH4[2:0] |
00h |
| WRITE_MAP3 |
43h |
RESERVED |
PWM_MAP_CH7[2:0] |
PWM_MAP_CH6[2:0] |
00h |
| WRITE_MAP4 |
44h |
RESERVED |
PWM_MAP_CH9[2:0] |
PWM_MAP_CH8[2:0] |
00h |
| WRITE_MAP5 |
45h |
RESERVED |
PWM_MAP_CH11[2:0] |
PWM_MAP_CH10[2:0] |
00h |
| WRITE_CORR0 |
46h |
OUTPUT_DC_CH0[7:0] |
00h |
| WRITE_CORR1 |
47h |
OUTPUT_DC_CH1[7:0] |
00h |
| WRITE_CORR2 |
48h |
OUTPUT_DC_CH2[7:0] |
00h |
| WRITE_CORR3 |
49h |
OUTPUT_DC_CH3[7:0] |
00h |
| WRITE_CORR4 |
4Ah |
OUTPUT_DC_CH4[7:0] |
00h |
| WRITE_CORR5 |
4Bh |
OUTPUT_DC_CH5[7:0] |
00h |
| WRITE_CORR6 |
4Ch |
OUTPUT_DC_CH6[7:0] |
00h |
| WRITE_CORR7 |
4Dh |
OUTPUT_DC_CH7[7:0] |
00h |
| WRITE_CORR8 |
4Eh |
OUTPUT_DC_CH8[7:0] |
00h |
| WRITE_CORR9 |
4Fh |
OUTPUT_DC_CH9[7:0] |
00h |
| WRITE_CORR10 |
50h |
OUTPUT_DC_CH10[7:0] |
00h |
| WRITE_CORR11 |
51h |
OUTPUT_DC_CH11[7:0] |
00h |
| WRITE_CH_ON_MASK0 |
52h |
RESERVED |
CH_ON_MASK5 |
CH_ON_MASK4 |
CH_ON_MASK3 |
CH_ON_MASK2 |
CH_ON_MASK1 |
CH_ON_MASK0 |
3Fh |
| WRITE_CH_ON_MASK1 |
53h |
RESERVED |
CH_ON_MASK11 |
CH_ON_MASK10 |
CH_ON_MASK9 |
CH_ON_MASK8 |
CH_ON_MASK7 |
CH_ON_MASK6 |
3Fh |
| WRITE_SHORT_MASK0 |
54h |
RESERVED |
SHORT_MASK_CH5 |
SHORT_MASK_CH4 |
SHORT_MASK_CH3 |
SHORT_MASK_CH2 |
SHORT_MASK_CH1 |
SHORT_MASK_CH0 |
3Fh |
| WRITE_SHORT_MASK1 |
55h |
RESERVED |
SHORT_MASK_CH11 |
SHORT_MASK_CH10 |
SHORT_MASK_CH9 |
SHORT_MASK_CH8 |
SHORT_MASK_CH7 |
SHORT_MASK_CH6 |
3Fh |
| WRITE_SHORT_GND_MASK0 |
56h |
RESERVED |
SG_MASK_CH5 |
SG_MASK_CH4 |
SG_MASK_CH3 |
SG_MASK_CH2 |
SG_MASK_CH1 |
SG_MASK_CH0 |
3Fh |
| WRITE_SHORT_GND_MASK1 |
57h |
RESERVED |
SG_MASK_CH11 |
SG_MASK_CH10 |
SG_MASK_CH9 |
SG_MASK_CH8 |
SG_MASK_CH7 |
SG_MASK_CH6 |
3Fh |
| WRITE_OPEN_MASK0 |
58h |
RESERVED |
OPEN_MASK_CH5 |
OPEN_MASK_CH4 |
OPEN_MASK_CH3 |
OPEN_MASK_CH2 |
OPEN_MASK_CH1 |
OPEN_MASK_CH0 |
3Fh |
| WRITE_OPEN_MASK1 |
59h |
RESERVED |
OPEN_MASK_CH11 |
OPEN_MASK_CH10 |
OPEN_MASK_CH9 |
OPEN_MASK_CH8 |
OPEN_MASK_CH7 |
OPEN_MASK_CH6 |
3Fh |
| — |
5Ah– 5Fh |
RESERVED |
00h |
| WRITE_PWM_FAULT_MASK |
60h |
RESERVED |
PWM_FAULT_MASK5 |
PWM_FAULT_MASK4 |
PWM_FAULT_MASK3 |
PWM_FAULT_MASK2 |
PWM_FAULT_MASK1 |
PWM_FAULT_MASK0 |
3Fh |
| RESET_POR |
61h |
RESET_POR command is issued if data = 69h |
00h |
| RESET_STATUS |
62h |
RESET_STATUS command is issued if data = 66h |
00h |
| SOFTWARE_POR |
63h |
SOFTWARE_POR command is issued if data = 99h |
00h |
| WRITE_DIS_PULL_UP_0 |
64h |
RESERVED |
DIS_PULL_UP_CH5 |
DIS_PULL_UP_CH4 |
DIS_PULL_UP_CH3 |
DIS_PULL_UP_CH2 |
DIS_PULL_UP_CH1 |
DIS_PULL_UP_CH0 |
00h |
| WRITE_DIS_PULL_UP_1 |
65h |
RESERVED |
DIS_PULL_UP_CH11 |
DIS_PULL_UP_CH10 |
DIS_PULL_UP_CH9 |
DIS_PULL_UP_CH8 |
DIS_PULL_UP_CH7 |
DIS_PULL_UP_CH6 |
00h |
| WRITE_ERROR_MASK |
66h |
REF_MASK |
POR_MASK |
OPEN_MASK |
SHORT_MASK |
PWM_MASK |
WLS_MASK |
PRE_TSD_MASK |
TSD_MASK |
00h |
| WRITE_MISC_CMD |
67h |
RESERVED |
DIS_OFF_FAULT_ DI AG |
ADJ_DIAG_START |
SLOW_SLEW_RAT E |
FORCE_ERR |
WLS_TH |
00h |
| LOCK_MAP |
68h |
LOCK_MAP command is issued if data = A5h |
00h |
| LOCK_CORR |
69h |
LOCK_CORR command is issued if data = 55h |
00h |
| LOCK_MASK |
6Ah |
LOCK_MASK command is issued if data = AAh |
00h |
| LOCK_MISC |
6Bh |
UNLOCK_MISC command is issued if data = 5Ah |
00h |
| UNLOCK_MAP |
6Ch |
UNLOCK_MAP command is issued if data = CCh |
00h |
| UNLOCK_CORR |
6Dh |
UNLOCK_CORR command is issued if data = 33h |
00h |
| UNLOCK_MASK |
6Eh |
UNLOCK_MASK command is issued if data = 3Ch |
00h |
| UNLOCK_MISC |
6Fh |
UNLOCK_MISC command is issued if data = C3h |
00h |
| — |
70h– 7Fh |
RESERVED |
00h |
| READ_MAP0 |
80h |
RESERVED |
PWM_MAP_CH1[2:0] |
PWM_MAP_CH0[2:0] |
00h |
| READ_MAP1 |
81h |
RESERVED |
PWM_MAP_CH3[2:0] |
PWM_MAP_CH2[2:0] |
00h |
| READ_MAP2 |
82h |
RESERVED |
PWM_MAP_CH5[2:0] |
PWM_MAP_CH4[2:0] |
00h |
| READ_MAP3 |
83h |
RESERVED |
PWM_MAP_CH7[2:0] |
PWM_MAP_CH6[2:0] |
00h |
| READ_MAP4 |
84h |
RESERVED |
PWM_MAP_CH9[2:0] |
PWM_MAP_CH8[2:0] |
00h |
| READ_MAP5 |
85h |
RESERVED |
PWM_MAP_CH11[2:0] |
PWM_MAP_CH10[2:0] |
00h |
| READ_CORR0 |
86h |
OUTPUT_DC_CH0[7:0] |
00h |
| READ_CORR1 |
87h |
OUTPUT_DC_CH1[7:0] |
00h |
| READ_CORR2 |
88h |
OUTPUT_DC_CH2[7:0] |
00h |
| READ_CORR3 |
89h |
OUTPUT_DC_CH3[7:0] |
00h |
| READ_CORR4 |
8Ah |
OUTPUT_DC_CH4[7:0] |
00h |
| READ_CORR5 |
8Bh |
OUTPUT_DC_CH5[7:0] |
00h |
| READ_CORR6 |
8Ch |
OUTPUT_DC_CH6[7:0] |
00h |
| READ_CORR7 |
8Dh |
OUTPUT_DC_CH7[7:0] |
00h |
| READ_CORR8 |
8Eh |
OUTPUT_DC_CH8[7:0] |
00h |
| READ_CORR9 |
8Fh |
OUTPUT_DC_CH9[7:0] |
00h |
| READ_CORR10 |
90h |
OUTPUT_DC_CH10[7:0] |
00h |
| READ_CORR11 |
91h |
OUTPUT_DC_CH11[7:0] |
00h |
| READ_CH_ON_MASK0 |
92h |
RESERVED |
CH_ON_MASK5 |
CH_ON_MASK4 |
CH_ON_MASK3 |
CH_ON_MASK2 |
CH_ON_MASK1 |
CH_ON_MASK0 |
3Fh |
| READ_CH_ON_MASK1 |
93h |
RESERVED |
CH_ON_MASK11 |
CH_ON_MASK10 |
CH_ON_MASK9 |
CH_ON_MASK8 |
CH_ON_MASK7 |
CH_ON_MASK6 |
3Fh |
| READ_SHORT_MASK0 |
94h |
RESERVED |
SHORT_MASK_CH5 |
SHORT_MASK_CH4 |
SHORT_MASK_CH3 |
SHORT_MASK_CH2 |
SHORT_MASK_CH1 |
SHORT_MASK_CH0 |
3Fh |
| READ_SHORT_MASK1 |
95h |
RESERVED |
SHORT_MASK_CH11 |
SHORT_MASK_CH10 |
SHORT_MASK_CH9 |
SHORT_MASK_CH8 |
SHORT_MASK_CH7 |
SHORT_MASK_CH6 |
3Fh |
| READ_SHORT_GND_MASK0 |
96h |
RESERVED |
SG_MASK_CH5 |
SG_MASK_CH4 |
SG_MASK_CH6 |
SG_MASK_CH5 |
SG_MASK_CH7 |
SG_MASK_CH6 |
3Fh |
| READ_SHORT_GND_MASK1 |
97h |
RESERVED |
SG_MASK_CH11 |
SG_MASK_CH10 |
SG_MASK_CH9 |
SG_MASK_CH8 |
SG_MASK_CH7 |
SG_MASK_CH6 |
3Fh |
| READ_OPEN_MASK0 |
98h |
RESERVED |
OPEN_MASK_CH5 |
OPEN_MASK_CH4 |
OPEN_MASK_CH3 |
OPEN_MASK_CH2 |
OPEN_MASK_CH1 |
OPEN_MASK_CH0 |
3Fh |
| READ_OPEN_MASK1 |
99h |
RESERVED |
OPEN_MASK_CH11 |
OPEN_MASK_CH10 |
OPEN_MASK_CH9 |
OPEN_MASK_CH8 |
OPEN_MASK_CH7 |
OPEN_MASK_C H6 |
3Fh |
| READ_SHORT_FAULT0 |
9Ah |
RESERVED |
SHORT_FAULT_CH5 |
SHORT_FAULT_CH4 |
SHORT_FAULT_CH3 |
SHORT_FAULT_CH2 |
SHORT_FAULT_CH1 |
SHORT_FAULT_CH0 |
00h |
| READ_SHORT_FAULT1 |
9Bh |
RESERVED |
SHORT_FAULT_CH11 |
SHORT_FAULT_CH10 |
SHORT_FAULT_CH9 |
SHORT_FAULT_CH8 |
SHORT_FAULT_CH7 |
SHORT_FAULT_CH6 |
00h |
| READ_SHORT_GND_FAULT0 |
9Ch |
RESERVED |
SG_FAULT_CH5 |
SG_FAULT_CH4 |
SG_FAULT_CH3 |
SG_FAULT_CH2 |
SG_FAULT_CH1 |
SG_FAULT_CH0 |
00h |
| READ_SHORT_GND_FAULT1 |
9Dh |
RESERVED |
SG_FAULT_CH11 |
SG_FAULT_CH10 |
SG_FAULT_CH9 |
SG_FAULT_CH8 |
SG_FAULT_CH7 |
SG_FAULT_CH6 |
00h |
| READ_OPEN_FAULT0 |
9Eh |
RESERVED |
OPEN_FAULT_CH5 |
OPEN_FAULT_CH4 |
OPEN_FAULT_CH3 |
OPEN_FAULT_CH2 |
OPEN_FAULT_CH1 |
OPEN_FAULT_CH0 |
00h |
| READ_OPEN_FAULT1 |
9Fh |
RESERVED |
OPEN_FAULT_CH11 |
OPEN_FAULT_CH10 |
OPEN_FAULT_CH9 |
OPEN_FAULT_CH8 |
OPEN_FAULT_CH7 |
OPEN_FAULT_CH6 |
00h |
| READ_PWM_FAULT_MASK |
A0h |
RESERVED |
PWM_FAULT_MASK5 |
PWM_FAULT_MASK4 |
PWM_FAULT_MASK3 |
PWM_FAULT_MASK2 |
PWM_FAULT_MASK1 |
PWM_FAULT_MASK0 |
3Fh |
| READ_PWM_FAULT |
A1h |
RESERVED |
FAULT_PWM5 |
FAULT_PWM4 |
FAULT_PWM3 |
FAULT_PWM2 |
FAULT_PWM1 |
FAULT_PWM0 |
00h |
| READ_STATUS0 |
A2h |
REF_FAULT_ FLAG |
POR_ERR_ FLAG |
ANY_OPEN_FLAG |
ANY_SHORT_FLAG |
ANY_PWM_ FAULT_FLAG |
WLS_FAULT_FLAG |
PRE_TSD_FLAG |
TSD_FLAG |
40h |
| READ_STATUS1 |
A3h |
RESERVED |
DIS_PULL_UP_FLAG |
LOCK_MISC_FLAG |
LOCK_MAP_FLAG |
LOCK_MASK_FLAG |
LOCK_CORR_FLAG |
00h |
| READ_DIS_PULL_UP0 |
A4h |
RESERVED |
DIS_PULL_UP_CH5 |
DIS_PULL_UP_CH4 |
DIS_PULL_UP_CH3 |
DIS_PULL_UP_CH2 |
DIS_PULL_UP_C H1 |
DIS_PULL_UP_CH0 |
00h |
| READ_DIS_PULL_UP1 |
A5h |
RESERVED |
DIS_PULL_UP_CH11 |
DIS_PULL_UP_CH10 |
DIS_PULL_UP_CH9 |
DIS_PULL_UP_CH8 |
DIS_PULL_UP_C H7 |
DIS_PULL_UP_CH6 |
00h |
| READ_ERROR_MASK |
A6h |
REF_MASK |
POR_MASK |
OPEN_MASK |
SHORT_MASK |
PWM_MASK |
WLS_MASK |
PRE_TSD_MASK |
TSD_MASK |
00h |
| READ_MISC_CMD |
A7h |
RESERVED |
DIS_OFF_FAULT_ DIAG |
ADJ_DIAG_START |
SLOW_SLEW_RATE |
FORCE_ERR |
WLS_TH |
00h |
| READ_ADSHORT0 |
A8h |
RESERVED |
AD_FLAG_CH5 |
AD_FLAG_CH4 |
AD_FLAG_CH3 |
AD_FLAG_CH2 |
AD_FLAG_CH1 |
AD_FLAG_CH0 |
00h |
| READ_ADSHORT1 |
A9h |
RESERVED |
AD_FLAG_CH11 |
AD_FLAG_CH10 |
AD_FLAG_CH9 |
AD_FLAG_CH8 |
AD_FLAG_CH7 |
AD_FLAG_CH6 |
00h |
7.5.1 WRITE_MAP0 Register (address = 40h) [reset = 00h]
Figure 23. WRITE_MAP0 Register, Address 40h
| 7 |
6 |
5 |
4 |
3 |
2 |
1 |
0 |
| RESERVED |
PWM_MAP_CH1[2:0] |
PWM_MAP_CH0[2:0] |
| R |
R/W |
R/W |
| LEGEND: R/W = Read/Write; R = Read only; -n = value after reset |
Table 3. WRITE_MAP0 Register Field Descriptions
| Bit |
Field |
Type |
Reset |
Description |
| 7–6 |
RESERVED |
R |
0h |
|
| 5–3 |
PWM_MAP_CH1 |
R/W |
0h |
Select PWM mapping for channel 1 |
| 2–0 |
PWM_MAP_CH0 |
R/W |
0h |
Select PWM mapping for channel 0 |
7.5.2 WRITE_MAP1 Register (address = 41h) [reset = 00h]
Figure 24. WRITE_MAP1 Register, Address 41h
| 7 |
6 |
5 |
4 |
3 |
2 |
1 |
0 |
| RESERVED |
PWM_MAP_CH3[2:0] |
PWM_MAP_CH2[2:0] |
| R |
R/W |
R/W |
| LEGEND: R/W = Read/Write; R = Read only; -n = value after reset |
Table 4. WRITE_MAP1 Register Field Descriptions
| Bit |
Field |
Type |
Reset |
Description |
| 7–6 |
RESERVED |
R |
0h |
|
| 5–3 |
PWM_MAP_CH3 |
R/W |
0h |
Select PWM mapping for channel 3 |
| 2–0 |
PWM_MAP_CH2 |
R/W |
0h |
Select PWM mapping for channel 2 |
7.5.3 WRITE_MAP2 Register (address = 42h) [reset = 00h]
Figure 25. WRITE_MAP2 Register, Address 42h
| 7 |
6 |
5 |
4 |
3 |
2 |
1 |
0 |
| RESERVED |
PWM_MAP_CH5[2:0] |
PWM_MAP_CH4[2:0] |
| R |
R/W |
R/W |
| LEGEND: R/W = Read/Write; R = Read only; -n = value after reset |
Table 5. WRITE_MAP2 Register Field Descriptions
| Bit |
Field |
Type |
Reset |
Description |
| 7–6 |
RESERVED |
R |
0h |
|
| 5–3 |
PWM_MAP_CH5 |
R/W |
0h |
Select PWM mapping for channel 5 |
| 2–0 |
PWM_MAP_CH4 |
R/W |
0h |
Select PWM mapping for channel 4 |
7.5.4 WRITE_MAP3 Register (address = 43h) [reset = 00h]
Figure 26. WRITE_MAP3 Register, Address 43h
| 7 |
6 |
5 |
4 |
3 |
2 |
1 |
0 |
| RESERVED |
PWM_MAP_CH7[2:0] |
PWM_MAP_CH6[2:0] |
| R |
R/W |
R/W |
| LEGEND: R/W = Read/Write; R = Read only; -n = value after reset |
Table 6. WRITE_MAP3 Register Field Descriptions
| Bit |
Field |
Type |
Reset |
Description |
| 7–6 |
RESERVED |
R |
0h |
|
| 5–3 |
PWM_MAP_CH7 |
R/W |
0h |
Select PWM mapping for channel 7 |
| 2–0 |
PWM_MAP_CH6 |
R/W |
0h |
Select PWM mapping for channel 6 |
7.5.5 WRITE_MAP4 Register (address = 44h) [reset = 00h]
Figure 27. WRITE_MAP4 Register, Address 44h
| 7 |
6 |
5 |
4 |
3 |
2 |
1 |
0 |
| RESERVED |
PWM_MAP_CH9[2:0] |
PWM_MAP_CH8[2:0] |
| R |
R/W |
R/W |
| LEGEND: R/W = Read/Write; R = Read only; -n = value after reset |
Table 7. WRITE_MAP4 Register Field Descriptions
| Bit |
Field |
Type |
Reset |
Description |
| 7–6 |
RESERVED |
R |
0h |
|
| 5–3 |
PWM_MAP_CH9 |
R/W |
0h |
Select PWM mapping for channel 9 |
| 2–0 |
PWM_MAP_CH8 |
R/W |
0h |
Select PWM mapping for channel 8 |
7.5.6 WRITE_MAP5 Register (address = 45h) [reset = 00h]
Figure 28. WRITE_MAP5 Register, Address 45h
| 7 |
6 |
5 |
4 |
3 |
2 |
1 |
0 |
| RESERVED |
PWM_MAP_CH11[2:0] |
PWM_MAP_CH10[2:0] |
| R |
R/W |
R/W |
| LEGEND: R/W = Read/Write; R = Read only; -n = value after reset |
Table 8. WRITE_MAP5 Register Field Descriptions
| Bit |
Field |
Type |
Reset |
Description |
| 7–6 |
RESERVED |
R |
0h |
|
| 5–3 |
PWM_MAP_CH11 |
R/W |
0h |
Select PWM mapping for channel 11 |
| 2–0 |
PWM_MAP_CH10 |
R/W |
0h |
Select PWM mapping for channel 10 |
7.5.7 WRITE_CORR0 Register (address = 46h) [reset = 00h]
Figure 29. WRITE_CORR0 Register, Address 46h
| 7 |
6 |
5 |
4 |
3 |
2 |
1 |
0 |
| OUTPUT_DC_CH0[7:0] |
| R/W |
| LEGEND: R/W = Read/Write; R = Read only; -n = value after reset |
Table 9. WRITE_CORR0 Register Field Descriptions
| Bit |
Field |
Type |
Reset |
Description |
| 7–0 |
OUTPUT_DC_CH0 |
R/W |
00h |
Dot correction register for channel 0 |
7.5.8 WRITE_CORR1 Register (address = 47h) [reset = 00h]
Figure 30. WRITE_CORR1 Register, Address 47h
| 7 |
6 |
5 |
4 |
3 |
2 |
1 |
0 |
| OUTPUT_DC_CH1[7:0] |
| R/W |
| LEGEND: R/W = Read/Write; R = Read only; -n = value after reset |
Table 10. WRITE_CORR1 Register Field Descriptions
| Bit |
Field |
Type |
Reset |
Description |
| 7–0 |
OUTPUT_DC_CH1 |
R/W |
00h |
Dot correction register for channel 1 |
7.5.9 WRITE_CORR2 Register (address = 48h) [reset = 00h]
Figure 31. WRITE_CORR2 Register, Address 48h
| 7 |
6 |
5 |
4 |
3 |
2 |
1 |
0 |
| OUTPUT_DC_CH2[7:0] |
| R/W |
| LEGEND: R/W = Read/Write; R = Read only; -n = value after reset |
Table 11. WRITE_CORR2 Register Field Descriptions
| Bit |
Field |
Type |
Reset |
Description |
| 7–0 |
OUTPUT_DC_CH2 |
R/W |
00h |
Dot correction register for channel 2 |
7.5.10 WRITE_CORR3 Register (address = 49h) [reset = 00h]
Figure 32. WRITE_CORR3 Register, Address 49h
| 7 |
6 |
5 |
4 |
3 |
2 |
1 |
0 |
| OUTPUT_DC_CH3[7:0] |
| R/W |
| LEGEND: R/W = Read/Write; R = Read only; -n = value after reset |
Table 12. WRITE_CORR3 Register Field Descriptions
| Bit |
Field |
Type |
Reset |
Description |
| 7–0 |
OUTPUT_DC_CH3 |
R/W |
00h |
Dot correction register for channel 3 |
7.5.11 WRITE_CORR4 Register (address = 4Ah) [reset = 00h]
Figure 33. WRITE_CORR4 Register, Address 4Ah
| 7 |
6 |
5 |
4 |
3 |
2 |
1 |
0 |
| OUTPUT_DC_CH4[7:0] |
| R/W |
| LEGEND: R/W = Read/Write; R = Read only; -n = value after reset |
Table 13. WRITE_CORR4 Register Field Descriptions
| Bit |
Field |
Type |
Reset |
Description |
| 7–0 |
OUTPUT_DC_CH4 |
R/W |
00h |
Dot correction register for channel 4 |
7.5.12 WRITE_CORR5 Register (address = 4Bh) [reset = 00h]
Figure 34. WRITE_CORR5 Register, Address 4Bh
| 7 |
6 |
5 |
4 |
3 |
2 |
1 |
0 |
| OUTPUT_DC_CH5[7:0] |
| R/W |
| LEGEND: R/W = Read/Write; R = Read only; -n = value after reset |
Table 14. WRITE_CORR5 Register Field Descriptions
| Bit |
Field |
Type |
Reset |
Description |
| 7–0 |
OUTPUT_DC_CH5 |
R/W |
00h |
Dot correction register for channel 5 |
7.5.13 WRITE_CORR6 Register (address = 4Ch) [reset = 00h]
Figure 35. WRITE_CORR6 Register, Address 4Ch
| 7 |
6 |
5 |
4 |
3 |
2 |
1 |
0 |
| OUTPUT_DC_CH6[7:0] |
| R/W |
| LEGEND: R/W = Read/Write; R = Read only; -n = value after reset |
Table 15. WRITE_CORR6 Register Field Descriptions
| Bit |
Field |
Type |
Reset |
Description |
| 7–0 |
OUTPUT_DC_CH6 |
R/W |
00h |
Dot correction register for channel 6 |
7.5.14 WRITE_CORR7 Register (address = 4Dh) [reset = 00h]
Figure 36. WRITE_CORR7 Register, Address 4Dh
| 7 |
6 |
5 |
4 |
3 |
2 |
1 |
0 |
| OUTPUT_DC_CH7[7:0] |
| R/W |
| LEGEND: R/W = Read/Write; R = Read only; -n = value after reset |
Table 16. WRITE_CORR7 Register Field Descriptions
| Bit |
Field |
Type |
Reset |
Description |
| 7–0 |
OUTPUT_DC_CH7 |
R/W |
00h |
Dot correction register for channel 7 |
7.5.15 WRITE_CORR8 Register (address = 4Eh) [reset = 00h]
Figure 37. WRITE_CORR8 Register, Address 4Eh
| 7 |
6 |
5 |
4 |
3 |
2 |
1 |
0 |
| OUTPUT_DC_CH8[7:0] |
| R/W |
| LEGEND: R/W = Read/Write; R = Read only; -n = value after reset |
Table 17. WRITE_CORR8 Register Field Descriptions
| Bit |
Field |
Type |
Reset |
Description |
| 7–0 |
OUTPUT_DC_CH8 |
R/W |
00h |
Dot correction register for channel 8 |
7.5.16 WRITE_CORR9 Register (address = 4Fh) [reset = 00h]
Figure 38. WRITE_CORR9 Register, Address 4Fh
| 7 |
6 |
5 |
4 |
3 |
2 |
1 |
0 |
| OUTPUT_DC_CH9[7:0] |
| R/W |
| LEGEND: R/W = Read/Write; R = Read only; -n = value after reset |
Table 18. WRITE_CORR9 Register Field Descriptions
| Bit |
Field |
Type |
Reset |
Description |
| 7–0 |
OUTPUT_DC_CH9 |
R/W |
00h |
Dot correction register for channel 9 |
7.5.17 WRITE_CORR10 Register (address = 50h) [reset = 00h]
Figure 39. WRITE_CORR10 Register, Address 50h
| 7 |
6 |
5 |
4 |
3 |
2 |
1 |
0 |
| OUTPUT_DC_CH10[7:0] |
| R/W |
| LEGEND: R/W = Read/Write; R = Read only; -n = value after reset |
Table 19. WRITE_CORR10 Register Field Descriptions
| Bit |
Field |
Type |
Reset |
Description |
| 7–0 |
OUTPUT_DC_CH10 |
R/W |
00h |
Dot correction register for channel 10 |
7.5.18 WRITE_CORR11 Register (address = 51h) [reset = 00h]
Figure 40. WRITE_CORR11 Register, Address 51h
| 7 |
6 |
5 |
4 |
3 |
2 |
1 |
0 |
| OUTPUT_DC_CH11[7:0] |
| R/W |
| LEGEND: R/W = Read/Write; R = Read only; -n = value after reset |
Table 20. WRITE_CORR11 Register Field Descriptions
| Bit |
Field |
Type |
Reset |
Description |
| 7–0 |
OUTPUT_DC_CH11 |
R/W |
00h |
Dot correction register for channel 11 |
7.5.19 WRITE_CH_ON_MASK0 Register (address = 52h) [reset = 3Fh]
Figure 41. WRITE_CH_ON_MASK0, Address 52h
| 7 |
6 |
5 |
4 |
3 |
2 |
1 |
0 |
| RESERVED |
CH_ON_MASK5 |
CH_ON_MASK4 |
CH_ON_MASK3 |
CH_ON_MASK2 |
CH_ON_MASK1 |
CH_ON_MASK0 |
| R |
R/W |
R/W |
R/W |
R/W |
R/W |
R/W |
| LEGEND: R/W = Read/Write; R = Read only; -n = value after reset |
Table 21. WRITE_CH_ON_MASK0 Field Descriptions
| Bit |
Field |
Type |
Reset |
Description |
| 7–6 |
RESERVED |
R |
0h |
|
| 5 |
CH_ON_MASK5 |
R/W |
1h |
Channel-activate mask register for channel 5. Active-low. HIGH: Channel output deactivated. LOW: Channel output activated |
| 4 |
CH_ON_MASK4 |
R/W |
1h |
Channel-activate mask register for channel 4. Active-low. HIGH: Channel output deactivated. LOW: Channel output activated |
| 3 |
CH_ON_MASK3 |
R/W |
1h |
Channel-activate mask register for channel 3. Active-low. HIGH: Channel output deactivated. LOW: Channel output activated |
| 2 |
CH_ON_MASK2 |
R/W |
1h |
Channel-activate mask register for channel 2. Active-low. HIGH: Channel output deactivated. LOW: Channel output activated |
| 1 |
CH_ON_MASK1 |
R/W |
1h |
Channel-activate mask register for channel 1. Active-low. HIGH: Channel output deactivated. LOW: Channel output activated |
| 0 |
CH_ON_MASK0 |
R/W |
1h |
Channel-activate mask register for channel 0. Active-low. HIGH: Channel output deactivated. LOW: Channel output activated |
7.5.20 WRITE_CH_ON_MASK1 Register (address = 53h) [reset = 3Fh]
Figure 42. WRITE_CH_ON_MASK1, Address 53h
| 7 |
6 |
5 |
4 |
3 |
2 |
1 |
0 |
| RESERVED |
CH_ON_MASK11 |
CH_ON_MASK10 |
CH_ON_MASK9 |
CH_ON_MASK8 |
CH_ON_MASK7 |
CH_ON_MASK6 |
| R |
R/W |
R/W |
R/W |
R/W |
R/W |
R/W |
| LEGEND: R/W = Read/Write; R = Read only; -n = value after reset |
Table 22. WRITE_CH_ON_MASK1 Field Descriptions
| Bit |
Field |
Type |
Reset |
Description |
| 7–6 |
RESERVED |
R |
0h |
|
| 5 |
CH_ON_MASK11 |
R/W |
1h |
Channel-activate mask register for channel 11. Active-low. HIGH: Channel output deactivated. LOW: Channel output activated |
| 4 |
CH_ON_MASK10 |
R/W |
1h |
Channel-activate mask register for channel 10. Active-low. HIGH: Channel output deactivated. LOW: Channel output activated |
| 3 |
CH_ON_MASK9 |
R/W |
1h |
Channel-activate mask register for channel 9. Active-low. HIGH: Channel output deactivated. LOW: Channel output activated |
| 2 |
CH_ON_MASK8 |
R/W |
1h |
Channel-activate mask register for channel 8. Active-low. HIGH: Channel output deactivated. LOW: Channel output activated |
| 1 |
CH_ON_MASK7 |
R/W |
1h |
Channel-activate mask register for channel 7. Active-low. HIGH: Channel output deactivated. LOW: Channel output activated |
| 0 |
CH_ON_MASK6 |
R/W |
1h |
Channel-activate mask register for channel 6. Active-low. HIGH: Channel output deactivated. LOW: Channel output activated |
7.5.21 WRITE_SHORT_MASK0 Register (address = 54h) [reset = 3Fh]
Figure 43. SLVSCO9WRITE_SHORT_MASK0, Address 54h
| 7 |
6 |
5 |
4 |
3 |
2 |
1 |
0 |
| RESERVED |
SHORT_MASK_CH5 |
SHORT_MASK_CH4 |
SHORT_MASK_CH3 |
SHORT_MASK_CH2 |
SHORT_MASK_CH1 |
SHORT_MASK_CH0 |
| R |
R/W |
R/W |
R/W |
R/W |
R/W |
R/W |
| LEGEND: R/W = Read/Write; R = Read only; -n = value after reset |
Table 23. WRITE_SHORT_MASK0 Field Descriptions
| Bit |
Field |
Type |
Reset |
Description |
| 7–6 |
RESERVED |
R |
0h |
|
| 5 |
SHORT_MASK_CH5 |
R/W |
1h |
Short-to-supply fault mask register for channel 5. Active-high. HIGH: Short-to-supply fault masked. LOW: Short-to-supply fault not masked |
| 4 |
SHORT_MASK_CH4 |
R/W |
1h |
Short-to-supply fault mask register for channel 4. Active-high. HIGH: Short-to-supply fault masked. LOW: Short-to-supply fault not masked |
| 3 |
SHORT_MASK_CH3 |
R/W |
1h |
Short-to-supply fault mask register for channel 3. Active-high. HIGH: Short-to-supply fault masked. LOW: Short-to-supply fault not masked |
| 2 |
SHORT_MASK_CH2 |
R/W |
1h |
Short-to-supply fault mask register for channel 2. Active-high. HIGH: Short-to-supply fault masked. LOW: Short-to-supply fault not masked |
| 1 |
SHORT_MASK_CH1 |
R/W |
1h |
Short-to-supply fault mask register for channel 1. Active-high. HIGH: Short-to-supply fault masked. LOW: Short-to-supply fault not masked |
| 0 |
SHORT_MASK_CH0 |
R/W |
1h |
Short-to-supply fault mask register for channel 0. Active-high. HIGH: Short-to-supply fault masked. LOW: Short-to-supply fault not masked |
7.5.22 WRITE_SHORT_MASK1 Register (address = 55h) [reset = 3Fh]
Figure 44. WRITE_SHORT_MASK1, Address 55h
| 7 |
6 |
5 |
4 |
3 |
2 |
1 |
0 |
| RESERVED |
SHORT_MASK_CH11 |
SHORT_MASK_CH10 |
SHORT_MASK_CH9 |
SHORT_MASK_CH8 |
SHORT_MASK_CH7 |
SHORT_MASK_CH6 |
| R |
R/W |
R/W |
R/W |
R/W |
R/W |
R/W |
| LEGEND: R/W = Read/Write; R = Read only; -n = value after reset |
Table 24. WRITE_SHORT_MASK1 Field Descriptions
| Bit |
Field |
Type |
Reset |
Description |
| 7–6 |
RESERVED |
R |
0h |
|
| 5 |
SHORT_MASK_CH11 |
R/W |
1h |
Short-to-supply fault mask register for channel 11. Active-high. HIGH: Short-to-supply fault masked. LOW: Short-to-supply fault not masked |
| 4 |
SHORT_MASK_CH10 |
R/W |
1h |
Short-to-supply fault mask register for channel 10. Active-high. HIGH: Short-to-supply fault masked. LOW: Short-to-supply fault not masked |
| 3 |
SHORT_MASK_CH9 |
R/W |
1h |
Short-to-supply fault mask register for channel 9. Active-high. HIGH: Short-to-supply fault masked. LOW: Short-to-supply fault not masked |
| 2 |
SHORT_MASK_CH8 |
R/W |
1h |
Short-to-supply fault mask register for channel 8. Active-high. HIGH: Short-to-supply fault masked. LOW: Short-to-supply fault not masked |
| 1 |
SHORT_MASK_CH7 |
R/W |
1h |
Short-to-supply fault mask register for channel 7. Active-high. HIGH: Short-to-supply fault masked. LOW: Short-to-supply fault not masked |
| 0 |
SHORT_MASK_CH6 |
R/W |
1h |
Short-to-supply fault mask register for channel 6. Active-high. HIGH: Short-to-supply fault masked. LOW: Short-to-supply fault not masked |
7.5.23 WRITE_SHORT_GND_MASK0 Register (address = 56h) [reset = 3Fh]
Figure 45. WRITE_SHORT_GND_MASK0, Address 56h
| 7 |
6 |
5 |
4 |
3 |
2 |
1 |
0 |
| RESERVED |
SG_MASK_CH5 |
SG_MASK_CH4 |
SG_MASK_CH3 |
SG_MASK_CH2 |
SG_MASK_CH1 |
SG_MASK_CH0 |
| R |
R/W |
R/W |
R/W |
R/W |
R/W |
R/W |
| LEGEND: R/W = Read/Write; R = Read only; -n = value after reset |
Table 25. WRITE_SHORT_GND_MASK0 Field Descriptions
| Bit |
Field |
Type |
Reset |
Description |
| 7–6 |
RESERVED |
R |
0h |
|
| 5 |
SG_MASK_CH5 |
R/W |
1h |
Short-to-GND fault mask register for channel 5. Active-high. HIGH: Short-to-GND fault masked. LOW: Short-to-GND fault not masked |
| 4 |
SG_MASK_CH4 |
R/W |
1h |
Short-to-GND fault mask register for channel 4. Active-high. HIGH: Short-to-GND fault masked. LOW: Short-to-GND fault not masked |
| 3 |
SG_MASK_CH3 |
R/W |
1h |
Short-to-GND fault mask register for channel 3. Active-high. HIGH: Short-to-GND fault masked. LOW: Short-to-GND fault not masked |
| 2 |
SG_MASK_CH2 |
R/W |
1h |
Short-to-GND fault mask register for channel 2. Active-high. HIGH: Short-to-GND fault masked. LOW: Short-to-GND fault not masked |
| 1 |
SG_MASK_CH1 |
R/W |
1h |
Short-to-GND fault mask register for channel 1. Active-high. HIGH: Short-to-GND fault masked. LOW: Short-to-GND fault not masked |
| 0 |
SG_MASK_CH0 |
R/W |
1h |
Short-to-GND fault mask register for channel 0. Active-high. HIGH: Short-to-GND fault masked. LOW: Short-to-GND fault not masked |
7.5.24 WRITE_SHORT_GND_MASK1 Register (address = 57h) [reset = 3Fh]
Figure 46. WRITE_SHORT_GND_MASK1, Address 57h
| 7 |
6 |
5 |
4 |
3 |
2 |
1 |
0 |
| RESERVED |
SG_MASK_CH11 |
SG_MASK_CH10 |
SG_MASK_CH9 |
SG_MASK_CH8 |
SG_MASK_CH7 |
SG_MASK_CH6 |
| R |
R/W |
R/W |
R/W |
R/W |
R/W |
R/W |
| LEGEND: R/W = Read/Write; R = Read only; -n = value after reset |
Table 26. WRITE_SHORT_GND_MASK1 Field Descriptions
| Bit |
Field |
Type |
Reset |
Description |
| 7–6 |
RESERVED |
R |
0h |
|
| 5 |
SG_MASK_CH11 |
R/W |
1h |
Short-to-GND fault mask register for channel 11. Active-high. HIGH: Short-to-GND fault masked. LOW: Short-to-GND fault not masked |
| 4 |
SG_MASK_CH10 |
R/W |
1h |
Short-to-GND fault mask register for channel 10. Active-high. HIGH: Short-to-GND fault masked. LOW: Short-to-GND fault not masked |
| 3 |
SG_MASK_CH9 |
R/W |
1h |
Short-to-GND fault mask register for channel 9. Active-high. HIGH: Short-to-GND fault masked. LOW: Short-to-GND fault not masked |
| 2 |
SG_MASK_CH8 |
R/W |
1h |
Short-to-GND fault mask register for channel 8. Active-high. HIGH: Short-to-GND fault masked. LOW: Short-to-GND fault not masked |
| 1 |
SG_MASK_CH7 |
R/W |
1h |
Short-to-GND fault mask register for channel 7. Active-high. HIGH: Short-to-GND fault masked. LOW: Short-to-GND fault not masked |
| 0 |
SG_MASK_CH6 |
R/W |
1h |
Short-to-GND fault mask register for channel 6. Active-high. HIGH: Short-to-GND fault masked. LOW: Short-to-GND fault not masked |
7.5.25 WRITE_OPEN_MASK0 Register (address = 58h) [reset = 3Fh]
Figure 47. WRITE_OPEN_MASK0, Address 58h
| 7 |
6 |
5 |
4 |
3 |
2 |
1 |
0 |
| RESERVED |
OPEN_MASK_CH5 |
OPEN_MASK_CH4 |
OPEN_MASK_CH3 |
OPEN_MASK_CH2 |
OPEN_MASK_CH1 |
OPEN_MASK_CH0 |
| R |
R/W |
R/W |
R/W |
R/W |
R/W |
R/W |
| LEGEND: R/W = Read/Write; R = Read only; -n = value after reset |
Table 27. WRITE_OPEN_MASK0 Field Descriptions
| Bit |
Field |
Type |
Reset |
Description |
| 7–6 |
RESERVED |
R |
0h |
|
| 5 |
OPEN_MASK_CH5 |
R/W |
1h |
Open-fault mask register for channel 5. Active-high. HIGH: Open fault masked. LOW: Open fault not masked |
| 4 |
OPEN_MASK_CH4 |
R/W |
1h |
Open-fault mask register for channel 4. Active-high. HIGH: Open fault masked. LOW: Open fault not masked |
| 3 |
OPEN_MASK_CH3 |
R/W |
1h |
Open-fault mask register for channel 3. Active-high. HIGH: Open fault masked. LOW: Open fault not masked |
| 2 |
OPEN_MASK_CH2 |
R/W |
1h |
Open-fault mask register for channel 2. Active-high. HIGH: Open fault masked. LOW: Open fault not masked |
| 1 |
OPEN_MASK_CH1 |
R/W |
1h |
Open-fault mask register for channel 1. Active-high. HIGH: Open fault masked. LOW: Open fault not masked |
| 0 |
OPEN_MASK_CH0 |
R/W |
1h |
Open-fault mask register for channel 0. Active-high. HIGH: Open fault masked. LOW: Open fault not masked |
7.5.26 WRITE_OPEN_MASK1 Register (address = 59h) [reset = 3Fh]
Figure 48. WRITE_OPEN_MASK1, Address 59h
| 7 |
6 |
5 |
4 |
3 |
2 |
1 |
0 |
| RESERVED |
OPEN_MASK_CH11 |
OPEN_MASK_CH10 |
OPEN_MASK_CH9 |
OPEN_MASK_CH8 |
OPEN_MASK_CH7 |
OPEN_MASK_CH6 |
| R |
R/W |
R/W |
R/W |
R/W |
R/W |
R/W |
| LEGEND: R/W = Read/Write; R = Read only; -n = value after reset |
Table 28. WRITE_OPEN_MASK1 Field Descriptions
| Bit |
Field |
Type |
Reset |
Description |
| 7–6 |
RESERVED |
R |
0h |
|
| 5 |
OPEN_MASK_CH11 |
R/W |
1h |
Open-fault mask register for channel 11. Active-high. HIGH: Open fault masked. LOW: Open fault not masked |
| 4 |
OPEN_MASK_CH10 |
R/W |
1h |
Open-fault mask register for channel 10. Active-high. HIGH: Open fault masked. LOW: Open fault not masked |
| 3 |
OPEN_MASK_CH9 |
R/W |
1h |
Open-fault mask register for channel 9. Active-high. HIGH: Open fault masked. LOW: Open fault not masked |
| 2 |
OPEN_MASK_CH8 |
R/W |
1h |
Open-fault mask register for channel 8. Active-high. HIGH: Open fault masked. LOW: Open fault not masked |
| 1 |
OPEN_MASK_CH7 |
R/W |
1h |
Open-fault mask register for channel 7. Active-high. HIGH: Open fault masked. LOW: Open fault not masked |
| 0 |
OPEN_MASK_CH6 |
R/W |
1h |
Open-fault mask register for channel 6. Active-high. HIGH: Open fault masked. LOW: Open fault not masked |
7.5.27 WRITE_PWM_FAULT_MASK Register (address = 60h) [reset = 3Fh]
Figure 49. WRITE_PWM_FAULT_MASK Register, Address 60h
| 7 |
6 |
5 |
4 |
3 |
2 |
1 |
0 |
| RESERVED |
PWM_FAULT_MASK5 |
PWM_FAULT_MASK4 |
PWM_FAULT_MASK3 |
PWM_FAULT_MASK2 |
PWM_FAULT_MASK1 |
PWM_FAULT_MASK0 |
| R |
R/W |
R/W |
R/W |
R/W |
R/W |
R/W |
| LEGEND: R/W = Read/Write; R = Read only; -n = value after reset |
Table 29. WRITE_PWM_FAULT_MASK Field Descriptions
| Bit |
Field |
Type |
Reset |
Description |
| 7–6 |
RESERVED |
R |
0h |
|
| 5 |
PWM_FAULT_MASK5 |
R/W |
1h |
PWM-fault mask register for input PWM channel 5. Active-high. HIGH: PWM fault masked. LOW: PWM fault not masked |
| 4 |
PWM_FAULT_MASK4 |
R/W |
1h |
PWM-fault mask register for input PWM channel 4. Active-high. HIGH: PWM fault masked. LOW: PWM fault not masked |
| 3 |
PWM_FAULT_MASK3 |
R/W |
1h |
PWM-fault mask register for input PWM channel 3. Active-high. HIGH: PWM fault masked. LOW: PWM fault not masked |
| 2 |
PWM_FAULT_MASK2 |
R/W |
1h |
PWM-fault mask register for input PWM channel 2. Active-high. HIGH: PWM fault masked. LOW: PWM fault not masked |
| 1 |
PWM_FAULT_MASK1 |
R/W |
1h |
PWM-fault mask register for input PWM channel 1. Active-high. HIGH: PWM fault masked. LOW: PWM fault not masked |
| 0 |
PWM_FAULT_MASK0 |
R/W |
1h |
PWM-fault mask register for input PWM channel 0. Active-high. HIGH: PWM fault masked. LOW: PWM fault not masked |
7.5.28 RESET_POR Register (address = 61h) [reset = 00h]
Figure 50. RESET_POR Register, Address 61h
| 7 |
6 |
5 |
4 |
3 |
2 |
1 |
0 |
| RESET_POR |
| W |
| LEGEND: R/W = Read/Write; R = Read only; W = Write only; -n = value after reset |
Table 30. RESET_POR Field Descriptions
| Bit |
Field |
Type |
Reset |
Description |
| 7–0 |
RESET_POR |
W |
00h |
A RESET_POR command is issued if the register content = 69h. The register content is automatically cleared. |
7.5.29 RESET_STATUS Register (address = 62h) [reset = 00h]
Figure 51. RESET_STATUS Register, Address 62h
| 7 |
6 |
5 |
4 |
3 |
2 |
1 |
0 |
| RESET_STATUS |
| W |
| LEGEND: R/W = Read/Write; R = Read only; W = Write only; -n = value after reset |
Table 31. RESET_STATUS Field Descriptions
| Bit |
Field |
Type |
Reset |
Description |
| 7–0 |
RESET_STATUS |
W |
00h |
A RESET_STATUS command is issued if the register content = 66h. The register content is automatically cleared. |
7.5.30 SOFTWARE_POR Register (address = 63h) [reset = 00h]
Figure 52. SOFTWARE_POR Register, Address 63h
| 7 |
6 |
5 |
4 |
3 |
2 |
1 |
0 |
| SOFTWARE_POR |
| W |
| LEGEND: R/W = Read/Write; R = Read only; W = Write only; -n = value after reset |
Table 32. SOFTWARE_POR Field Descriptions
| Bit |
Field |
Type |
Reset |
Description |
| 7–0 |
SOFTWARE_POR |
W |
00h |
A SOFTWARE_POR command is issued if the register content = 99h. The register content is automatically cleared. |
7.5.31 WRITE_DIS_PULL_UP_0 Register (address = 64h) [reset = 00h]
Figure 53. WRITE_DIS_PULL_UP_0 Register, Address 64h
| 7 |
6 |
5 |
4 |
3 |
2 |
1 |
0 |
| RESERVED |
DIS_PULL_UP_CH5 |
DIS_PULL_UP_CH4 |
DIS_PULL_UP_CH3 |
DIS_PULL_UP_CH2 |
DIS_PULL_UP_CH1 |
DIS_PULL_UP_CH0 |
| R |
R/W |
R/W |
R/W |
R/W |
R/W |
R/W |
| LEGEND: R/W = Read/Write; R = Read only; -n = value after reset |
Table 33. WRITE_DIS_PULL_UP_0 Field Descriptions
| Bit |
Field |
Type |
Reset |
Description |
| 7–6 |
RESERVED |
R |
0h |
|
| 5 |
DIS_PULL_UP_CH5 |
R/W |
0h |
Disable deactivated-channel internal pullup register for channel 5. Active-high. HIGH: internal pullup disabled; LOW: internal pullup enabled. |
| 4 |
DIS_PULL_UP_CH4 |
R/W |
0h |
Disable deactivated-channel internal pullup register for channel 4. Active-high. HIGH: internal pullup disabled; LOW: internal pullup enabled. |
| 3 |
DIS_PULL_UP_CH3 |
R/W |
0h |
Disable deactivated-channel internal pullup register for channel 3. Active-high. HIGH: internal pullup disabled; LOW: internal pullup enabled. |
| 2 |
DIS_PULL_UP_CH2 |
R/W |
0h |
Disable deactivated-channel internal pullup register for channel 2. Active-high. HIGH: internal pullup disabled; LOW: internal pullup enabled. |
| 1 |
DIS_PULL_UP_CH1 |
R/W |
0h |
Disable deactivated-channel internal pullup register for channel 1. Active-high. HIGH: internal pullup disabled; LOW: internal pullup enabled. |
| 0 |
DIS_PULL_UP_CH0 |
R/W |
0h |
Disable deactivated-channel internal pullup register for channel 0. Active-high. HIGH: internal pullup disabled; LOW: internal pullup enabled. |
7.5.32 WRITE_DIS_PULL_UP_1 Register (address = 65h) [reset = 00h]
Figure 54. WRITE_DIS_PULL_UP_1 Register, Address 65h
| 7 |
6 |
5 |
4 |
3 |
2 |
1 |
0 |
| RESERVED |
DIS_PULL_UP_CH11 |
DIS_PULL_UP_CH10 |
DIS_PULL_UP_CH9 |
DIS_PULL_UP_CH8 |
DIS_PULL_UP_CH7 |
DIS_PULL_UP_CH6 |
| R |
R/W |
R/W |
R/W |
R/W |
R/W |
R/W |
| LEGEND: R/W = Read/Write; R = Read only; -n = value after reset |
Table 34. WRITE_DIS_PULL_UP_1 Field Descriptions
| Bit |
Field |
Type |
Reset |
Description |
| 7–6 |
RESERVED |
R |
0h |
|
| 5 |
DIS_PULL_UP_CH11 |
R/W |
0h |
Disable deactivated-channel internal pullup register for channel 11. Active-high. HIGH: internal pullup disabled; LOW: internal pullup enabled. |
| 4 |
DIS_PULL_UP_CH10 |
R/W |
0h |
Disable deactivated-channel internal pullup register for channel 10. Active-high. HIGH: internal pullup disabled; LOW: internal pullup enabled. |
| 3 |
DIS_PULL_UP_CH9 |
R/W |
0h |
Disable deactivated-channel internal pullup register for channel 9. Active-high. HIGH: internal pullup disabled; LOW: internal pullup enabled. |
| 2 |
DIS_PULL_UP_CH8 |
R/W |
0h |
Disable deactivated-channel internal pullup register for channel 8. Active-high. HIGH: internal pullup disabled; LOW: internal pullup enabled. |
| 1 |
DIS_PULL_UP_CH7 |
R/W |
0h |
Disable deactivated-channel internal pullup register for channel 7. Active-high. HIGH: internal pullup disabled; LOW: internal pullup enabled. |
| 0 |
DIS_PULL_UP_CH6 |
R/W |
0h |
Disable deactivated-channel internal pullup register for channel 6. Active-high. HIGH: internal pullup disabled; LOW: internal pullup enabled. |
7.5.33 WRITE_ERROR_MASK Register (address = 66h) [reset = 00h]
Figure 55. WRITE_ERROR_MASK Register, Address 66h
| 7 |
6 |
5 |
4 |
3 |
2 |
1 |
0 |
| REF_MASK |
POR_MASK |
OPEN_MASK |
SHORT_MASK |
PWM_MASK |
WLS_MASK |
PRE_TSD_ MASK |
TSD_MASK |
| R/W |
R/W |
R/W |
R/W |
R/W |
R/W |
R/W |
R/W |
| LEGEND: R/W = Read/Write; R = Read only; -n = value after reset |
Table 35. WRITE_ERROR_MASK Field Descriptions
| Bit |
Field |
Type |
Reset |
Description |
| 7 |
REF_MASK |
R/W |
0h |
Reference fault mask bit. Active-high. HIGH: Reference fault is masked; LOW: Reference fault is not masked. |
| 6 |
POR_MASK |
R/W |
0h |
Power-on-reset fault mask bit Active-high. HIGH: POR fault is masked; LOW: POR fault is not masked. |
| 5 |
OPEN_MASK |
R/W |
0h |
Open fault mask bit. Active-high. HIGH: Open fault is masked; LOW: Open fault is not masked. |
| 4 |
SHORT_MASK |
R/W |
0h |
Short fault mask bit. Active-high. HIGH: Short fault is masked; LOW: Short fault is not masked. |
| 3 |
PWM_MASK |
R/W |
0h |
PWM fault mask bit. Active-high. HIGH: PWM fault is masked; LOW: PWM fault is not masked. |
| 2 |
WLS_MASK |
R/W |
0h |
Weak-LED-supply (WLS) fault mask bit. Active-high. HIGH: WLS fault is masked; LOW: WLS fault is not masked. |
| 1 |
PRE_TSD_MASK |
R/W |
0h |
Pre-thermal-warning fault mask bit. Active-high. HIGH: PRE_TSD fault is masked; LOW: PRE_TSD fault is not masked. |
| 0 |
TSD_MASK |
R/W |
0h |
Thermal-shutdown fault mask bit. Active-high. HIGH: TSD fault is masked; LOW: TSD fault is not masked. |
7.5.34 WRITE_MISC_CMD Register (address = 67h) [reset = 00h]
Figure 56. WRITE_MISC_CMD Register, Address 67h
| 7 |
6 |
5 |
4 |
3 |
2 |
1 |
0 |
| RESERVED |
DIS_OFF_ FAULT_DIAG |
ADJ_DIAG_ START |
SLOW_SLEW_RATE |
FORCE_ERR |
WLS_TH |
| R |
R/W |
R/W |
R/W |
R/W |
R/W |
| LEGEND: R/W = Read/Write; R = Read only; -n = value after reset |
Table 36. WRITE_MISC_CMD Field Descriptions
| Bit |
Field |
Type |
Reset |
Description |
| 7–5 |
RESERVED |
R |
0h |
|
| 4 |
DIS_OFF_FAULT_DIAG |
R/W |
0h |
Off-state output fault diagnostics control bit. Active-high. HIGH: Off-state fault diagnostics disabled; LOW: Off-state fault diagnostics enabled |
| 3 |
ADJ_DIAG_START |
R/W |
0h |
Adjacent-pin diagnostics start control bit. Active-high, returns low when adjacent-pin diagnostic procedure is concluded. HIGH: Start adjacent-pin diagnostics or adjacent-pin diagnostics are ongoing; LOW: Adjacent-pin diagnostics are not running. |
| 2 |
SLOW_SLEW_RATE |
R/W |
0h |
Slow slew rate control bit. Active-high. HIGH: Output-current slew rate is in slow mode. LOW: Output-current slew rate is in normal mode. |
| 1 |
FORCE_ERR |
R/W |
0h |
Force error control bit. Active-high. HIGH: ERR output is forced low. LOW: ERR output is not forced low. |
| 0 |
WLS_TH |
R/W |
0h |
Weak-LED-supply threshold-control bit. Active-high. HIGH: WLS threshold is set to 3.3-V mode. LOW: WLS threshold is set to 5-V mode. |
7.5.35 LOCK_MAP Register (address = 68h) [reset = 00h]
Figure 57. LOCK_MAP Register, Address 68h
| 7 |
6 |
5 |
4 |
3 |
2 |
1 |
0 |
| LOCK_MAP |
| W |
| LEGEND: R/W = Read/Write; R = Read only; W = Write only; -n = value after reset |
Table 37. LOCK_MAP Field Descriptions
| Bit |
Field |
Type |
Reset |
Description |
| 7–0 |
LOCK_MAP |
W |
00h |
A LOCK_MAP command is issued if the register content = A5h. The register content is automatically cleared. |
7.5.36 LOCK_CORR Register (address = 69h) [reset = 00h]
Figure 58. LOCK_CORR Register, Address 69h
| 7 |
6 |
5 |
4 |
3 |
2 |
1 |
0 |
| LOCK_CORR |
| W |
| LEGEND: R/W = Read/Write; R = Read only; W = Write only; -n = value after reset |
Table 38. LOCK_CORR Field Descriptions
| Bit |
Field |
Type |
Reset |
Description |
| 7–0 |
LOCK_CORR |
W |
00h |
A LOCK_CORR command is issued if the register content = 55h. The register content is automatically cleared. |
7.5.37 LOCK_MASK Register (address = 6Ah) [reset = 00h]
Figure 59. LOCK_MASK Register, Address 6Ah
| 7 |
6 |
5 |
4 |
3 |
2 |
1 |
0 |
| LOCK_MASK |
| W |
| LEGEND: R/W = Read/Write; R = Read only; W = Write only; -n = value after reset |
Table 39. LOCK_MASK Field Descriptions
| Bit |
Field |
Type |
Reset |
Description |
| 7–0 |
LOCK_MASK |
W |
00h |
A LOCK_MASK command is issued if the register content = AAh. The register content is automatically cleared. |
7.5.38 LOCK_MISC Register (address = 6Bh) [reset = 00h]
Figure 60. LOCK_MISC Register, Address 6Bh
| 7 |
6 |
5 |
4 |
3 |
2 |
1 |
0 |
| LOCK_MISC |
| W |
| LEGEND: R/W = Read/Write; R = Read only; W = Write only; -n = value after reset |
Table 40. LOCK_MISC Field Descriptions
| Bit |
Field |
Type |
Reset |
Description |
| 7–0 |
LOCK_MISC |
W |
00h |
A LOCK_MISC command is issued if the register content = 5Ah. The register content is automatically cleared. |
7.5.39 UNLOCK_MAP Register (address = 6Ch) [reset = 00h]
Figure 61. UNLOCK_MAP Register, Address 6Ch
| 7 |
6 |
5 |
4 |
3 |
2 |
1 |
0 |
| UNLOCK_MAP |
| W |
| LEGEND: R/W = Read/Write; R = Read only; W = Write only; -n = value after reset |
Table 41. UNLOCK_MAP Field Descriptions
| Bit |
Field |
Type |
Reset |
Description |
| 7–0 |
UNLOCK_MAP |
W |
00h |
An UNLOCK_MAP command is issued if the register content = CCh. The register content is automatically cleared. |
7.5.40 UNLOCK_CORR Register (address = 6Dh) [reset = 00h]
Figure 62. UNLOCK_CORR Register, Address 6Dh
| 7 |
6 |
5 |
4 |
3 |
2 |
1 |
0 |
| UNLOCK_CORR |
| W |
| LEGEND: R/W = Read/Write; R = Read only; W = Write only; -n = value after reset |
Table 42. UNLOCK_CORR Field Descriptions
| Bit |
Field |
Type |
Reset |
Description |
| 7–0 |
UNLOCK_CORR |
W |
00h |
An UNLOCK_CORR command is issued if the register content = 33h. The register content is automatically cleared. |
7.5.41 UNLOCK_MASK Register (address = 6Eh) [reset = 00h]
Figure 63. UNLOCK_MASK Register, Address 6Eh
| 7 |
6 |
5 |
4 |
3 |
2 |
1 |
0 |
| UNLOCK_MASK |
| W |
| LEGEND: R/W = Read/Write; R = Read only; W = Write only; -n = value after reset |
Table 43. UNLOCK_MASK Field Descriptions
| Bit |
Field |
Type |
Reset |
Description |
| 7–0 |
UNLOCK_MASK |
W |
00h |
An UNLOCK_MASK command is issued if the register content = 3Ch. The register content is automatically cleared. |
7.5.42 UNLOCK_MISC Register (address = 6Fh) [reset = 00h]
Figure 64. UNLOCK_MISC Register, Address 6Fh
| 7 |
6 |
5 |
4 |
3 |
2 |
1 |
0 |
| UNLOCK_MISC |
| W |
| LEGEND: R/W = Read/Write; R = Read only; W = Write only; -n = value after reset |
Table 44. UNLOCK_MISC Field Descriptions
| Bit |
Field |
Type |
Reset |
Description |
| 7–0 |
UNLOCK_MISC |
W |
00h |
An UNLOCK_MISC command is issued if the register content = C3h. The register content is automatically cleared. |
7.5.43 READ_MAP0 Register (address = 80h) [reset = 00h]
Address 40h is used for writing the MAP0 data using the register pseudonym WRITE_MAP0, and address 80h is used for reading the MAP0 data using the register pseudonym READ_MAP0. See the WRITE_MAP0 Register (address = 40h) [reset = 00h] section for a description of the register contents.
Figure 65. READ_MAP0 Register, Address 80h
| 7 |
6 |
5 |
4 |
3 |
2 |
1 |
0 |
| RESERVED |
PWM_MAP_CH1[2:0] |
PWM_MAP_CH0[2:0] |
| R |
R/W |
R/W |
| LEGEND: R/W = Read/Write; R = Read only; -n = value after reset |
7.5.44 READ_MAP1 Register (address = 81h) [reset = 00h]
Address 41h is used for writing the MAP1 data using the register pseudonym WRITE_MAP1, and address 81h is used for reading the MAP1 data using the register pseudonym READ_MAP1. See the WRITE_MAP1 Register (address = 41h) [reset = 00h] section for a description of the register contents.
Figure 66. READ_MAP1 Register, Address 81h
| 7 |
6 |
5 |
4 |
3 |
2 |
1 |
0 |
| RESERVED |
PWM_MAP_CH3[2:0] |
PWM_MAP_CH2[2:0] |
| R |
R/W |
R/W |
| LEGEND: R/W = Read/Write; R = Read only; -n = value after reset |
7.5.45 READ_MAP2 Register (address = 82h) [reset = 00h]
Address 42h is used for writing the MAP2 data using the register pseudonym WRITE_MAP2, and address 82h is used for reading the MAP2 data using the register pseudonym READ_MAP2. See the WRITE_MAP2 Register (address = 42h) [reset = 00h] section for a description of the register contents.
Figure 67. READ_MAP2 Register, Address 82h
| 7 |
6 |
5 |
4 |
3 |
2 |
1 |
0 |
| RESERVED |
PWM_MAP_CH5[2:0] |
PWM_MAP_CH4[2:0] |
| R |
R/W |
R/W |
| LEGEND: R/W = Read/Write; R = Read only; -n = value after reset |
7.5.46 READ_MAP3 Register (address = 83h) [reset = 00h]
Address 43h is used for writing the MAP3 data using the register pseudonym WRITE_MAP3, and address 83h is used for reading the MAP3 data using the register pseudonym READ_MAP3. See the WRITE_MAP3 Register (address = 43h) [reset = 00h] section for a description of the register contents.
Figure 68. READ_MAP3 Register, Address 83h
| 7 |
6 |
5 |
4 |
3 |
2 |
1 |
0 |
| RESERVED |
PWM_MAP_CH7[2:0] |
PWM_MAP_CH6[2:0] |
| R |
R/W |
R/W |
| LEGEND: R/W = Read/Write; R = Read only; -n = value after reset |
7.5.47 READ_MAP4 Register (address = 84h) [reset = 00h]
Address 44h is used for writing the MAP4 data using the register pseudonym WRITE_MAP4, and address 84h is used for reading the MAP4 data using the register pseudonym READ_MAP4. See the WRITE_MAP4 Register (address = 44h) [reset = 00h] section for a description of the register contents.
Figure 69. READ_MAP4 Register, Address 84h
| 7 |
6 |
5 |
4 |
3 |
2 |
1 |
0 |
| RESERVED |
PWM_MAP_CH9[2:0] |
PWM_MAP_CH8[2:0] |
| R |
R/W |
R/W |
| LEGEND: R/W = Read/Write; R = Read only; -n = value after reset |
7.5.48 READ_MAP5 Register (address = 85h) [reset = 00h]
Address 45h is used for writing the MAP5 data using the register pseudonym WRITE_MAP5, and address 85h is used for reading the MAP5 data using the register pseudonym READ_MAP5. See the WRITE_MAP5 Register (address = 45h) [reset = 00h] section for a description of the register contents.
Figure 70. READ_MAP5 Register, Address 85h
| 7 |
6 |
5 |
4 |
3 |
2 |
1 |
0 |
| RESERVED |
PWM_MAP_CH11[2:0] |
PWM_MAP_CH10[2:0] |
| R |
R/W |
R/W |
| LEGEND: R/W = Read/Write; R = Read only; -n = value after reset |
7.5.49 READ_CORR0 Register (address = 86h) [reset = 00h]
Address 46h is used for writing the CORR0 data using the register pseudonym WRITE_CORR0, and address 86h is used for reading the CORR0 data using the register pseudonym READ_CORR0. See the WRITE_CORR0 Register (address = 46h) [reset = 00h] section for a description of the register contents.
Figure 71. READ_CORR0 Register, Address 86h
| 7 |
6 |
5 |
4 |
3 |
2 |
1 |
0 |
| OUTPUT_DC_CH0[7:0] |
| R/W |
| LEGEND: R/W = Read/Write; R = Read only; -n = value after reset |
7.5.50 READ_CORR1 Register (address = 87h) [reset = 00h]
Address 47h is used for writing the CORR1 data using the register pseudonym WRITE_CORR1, and address 86h is used for reading the CORR1 data using the register pseudonym READ_CORR1. See the WRITE_CORR1 Register (address = 47h) [reset = 00h] section for a description of the register contents.
Figure 72. READ_CORR1 Register, Address 87h
| 7 |
6 |
5 |
4 |
3 |
2 |
1 |
0 |
| OUTPUT_DC_CH1[7:0] |
| R/W |
| LEGEND: R/W = Read/Write; R = Read only; -n = value after reset |
7.5.51 READ_CORR2 Register (address = 88h) [reset = 00h]
Address 48h is used for writing the CORR2 data using the register pseudonym WRITE_CORR2, and address 88h is used for reading the CORR2 data using the register pseudonym READ_CORR2. See the WRITE_CORR2 Register (address = 48h) [reset = 00h] section for a description of the register contents.
Figure 73. READ_CORR2 Register, Address 88h
| 7 |
6 |
5 |
4 |
3 |
2 |
1 |
0 |
| OUTPUT_DC_CH2[7:0] |
| R/W |
| LEGEND: R/W = Read/Write; R = Read only; -n = value after reset |
7.5.52 READ_CORR3 Register (address = 89h) [reset = 00h]
Address 49h is used for writing the CORR3 data using the register pseudonym WRITE_CORR3, and address 89h is used for reading the CORR3 data using the register pseudonym READ_CORR3. See the WRITE_CORR3 Register (address = 49h) [reset = 00h] section for a description of the register contents.
Figure 74. READ_CORR3 Register, Address 89h
| 7 |
6 |
5 |
4 |
3 |
2 |
1 |
0 |
| OUTPUT_DC_CH3[7:0] |
| R/W |
| LEGEND: R/W = Read/Write; R = Read only; -n = value after reset |
7.5.53 READ_CORR4 Register (address = 8Ah) [reset = 00h]
Address 4Ah is used for writing the CORR4 data using the register pseudonym WRITE_CORR4, and address 8Ah is used for reading the CORR4 data using the register pseudonym READ_CORR4. See the WRITE_CORR4 Register (address = 4Ah) [reset = 00h] section for a description of the register contents.
Figure 75. READ_CORR4 Register, Address 8Ah
| 7 |
6 |
5 |
4 |
3 |
2 |
1 |
0 |
| OUTPUT_DC_CH4[7:0] |
| R/W |
| LEGEND: R/W = Read/Write; R = Read only; -n = value after reset |
7.5.54 READ_CORR5 Register (address = 8Bh) [reset = 00h]
Address 4Bh is used for writing the CORR5 data using the register pseudonym WRITE_CORR5, and address 8Bh is used for reading the CORR5 data using the register pseudonym READ_CORR5. See the WRITE_CORR5 Register (address = 4Bh) [reset = 00h] section for a description of the register contents.
Figure 76. READ_CORR5 Register, Address 8Bh
| 7 |
6 |
5 |
4 |
3 |
2 |
1 |
0 |
| OUTPUT_DC_CH5[7:0] |
| R/W |
| LEGEND: R/W = Read/Write; R = Read only; -n = value after reset |
7.5.55 READ_CORR6 Register (address = 8Ch) [reset = 00h]
Address 4Ch is used for writing the CORR6 data using the register pseudonym WRITE_CORR6, and address 8Ch is used for reading the CORR6 data using the register pseudonym READ_CORR6. See the WRITE_CORR6 Register (address = 4Ch) [reset = 00h] section for a description of the register contents.
Figure 77. READ_CORR6 Register, Address 8Ch
| 7 |
6 |
5 |
4 |
3 |
2 |
1 |
0 |
| OUTPUT_DC_CH6[7:0] |
| R/W |
| LEGEND: R/W = Read/Write; R = Read only; -n = value after reset |
7.5.56 READ_CORR7 Register (address = 8Dh) [reset = 00h]
Address 4Dh is used for writing the CORR7 data using the register pseudonym WRITE_CORR7, and address 8Dh is used for reading the CORR7 data using the register pseudonym READ_CORR7. See the WRITE_CORR7 Register (address = 4Dh) [reset = 00h] section for a description of the register contents.
Figure 78. READ_CORR7 Register, Address 8Dh
| 7 |
6 |
5 |
4 |
3 |
2 |
1 |
0 |
| OUTPUT_DC_CH7[7:0] |
| R/W |
| LEGEND: R/W = Read/Write; R = Read only; -n = value after reset |
7.5.57 READ_CORR8 Register (address = 8Eh) [reset = 00h]
Address 4Eh is used for writing the CORR8 data using the register pseudonym WRITE_CORR8, and address 8Eh is used for reading the CORR8 data using the register pseudonym READ_CORR8. See the WRITE_CORR8 Register (address = 4Eh) [reset = 00h] section for a description of the register contents.
Figure 79. READ_CORR8 Register, Address 8Eh
| 7 |
6 |
5 |
4 |
3 |
2 |
1 |
0 |
| OUTPUT_DC_CH8[7:0] |
| R/W |
| LEGEND: R/W = Read/Write; R = Read only; -n = value after reset |
7.5.58 READ_CORR9 Register (address = 8Fh) [reset = 00h]
Address 4Fh is used for writing the CORR9 data using the register pseudonym WRITE_CORR9, and address 8Fh is used for reading the CORR9 data using the register pseudonym READ_CORR9. See the WRITE_CORR9 Register (address = 4Fh) [reset = 00h] section for a description of the register contents.
Figure 80. READ_CORR9 Register, Address 8Fh
| 7 |
6 |
5 |
4 |
3 |
2 |
1 |
0 |
| OUTPUT_DC_CH9[7:0] |
| R/W |
| LEGEND: R/W = Read/Write; R = Read only; -n = value after reset |
7.5.59 READ_CORR10 Register (address = 90h) [reset = 00h]
Address 50h is used for writing the CORR10 data using the register pseudonym WRITE_CORR10, and address 90h is used for reading the CORR10 data using the register pseudonym READ_CORR10. See the WRITE_CORR10 Register (address = 50h) [reset = 00h] section for a description of the register contents.
Figure 81. READ_CORR10 Register, Address 90h
| 7 |
6 |
5 |
4 |
3 |
2 |
1 |
0 |
| OUTPUT_DC_CH10[7:0] |
| R/W |
| LEGEND: R/W = Read/Write; R = Read only; -n = value after reset |
7.5.60 READ_CORR11 Register (address = 91h) [reset = 00h]
Address 51h is used for writing the CORR11 data using the register pseudonym WRITE_CORR11, and address 91h is used for reading the CORR11 data using the register pseudonym READ_CORR11. See the WRITE_CORR11 Register (address = 51h) [reset = 00h] section for a description of the register contents.
Figure 82. READ_CORR11 Register, Address 91h
| 7 |
6 |
5 |
4 |
3 |
2 |
1 |
0 |
| OUTPUT_DC_CH11[7:0] |
| R/W |
| LEGEND: R/W = Read/Write; R = Read only; -n = value after reset |
7.5.61 READ_CH_ON_MASK0 Register (address = 92h) [reset = 3Fh]
Address 52h is used for writing the CH_ON_MASK0 data using the register pseudonym WRITE_CH_ON_MASK0, and address 92h is used for reading the CH_ON_MASK0 data using the register pseudonym READ_CH_ON_MASK0. See the WRITE_CH_ON_MASK0 Register (address = 52h) [reset = 3Fh] section for a description of the register contents.
Figure 83. READ_CH_ON_MASK0, Address 92h
| 7 |
6 |
5 |
4 |
3 |
2 |
1 |
0 |
| RESERVED |
CH_ON_MASK5 |
CH_ON_MASK4 |
CH_ON_MASK3 |
CH_ON_MASK2 |
CH_ON_MASK1 |
CH_ON_MASK0 |
| R |
R/W |
R/W |
R/W |
R/W |
R/W |
R/W |
| LEGEND: R/W = Read/Write; R = Read only; -n = value after reset |
7.5.62 READ_CH_ON_MASK1 Register (address = 93h) [reset = 3Fh]
Address 53h is used for writing the CH_ON_MASK1 data using the register pseudonym WRITE_CH_ON_MASK1, and address 93h is used for reading the CH_ON_MASK1 data using the register pseudonym READ_CH_ON_MASK1. See the WRITE_CH_ON_MASK1 Register (address = 53h) [reset = 3Fh] section for a description of the register contents.
Figure 84. READ_CH_ON_MASK1, Address 93h
| 7 |
6 |
5 |
4 |
3 |
2 |
1 |
0 |
| RESERVED |
CH_ON_MASK11 |
CH_ON_MASK10 |
CH_ON_MASK9 |
CH_ON_MASK8 |
CH_ON_MASK7 |
CH_ON_MASK6 |
| R |
R/W |
R/W |
R/W |
R/W |
R/W |
R/W |
| LEGEND: R/W = Read/Write; R = Read only; -n = value after reset |
7.5.63 READ_SHORT_MASK0 Register (address = 94h) [reset = 3Fh]
Address 54h is used for writing the SHORT_MASK0 data using the register pseudonym WRITE_SHORT_MASK0, and address 94h is used for reading the SHORT_MASK0 data using the register pseudonym READ_SHORT_MASK0. See the WRITE_SHORT_MASK0 Register (address = 54h) [reset = 3Fh] section for a description of the register contents.
Figure 85. READ_SHORT_MASK0, Address 94h
| 7 |
6 |
5 |
4 |
3 |
2 |
1 |
0 |
| RESERVED |
SHORT_MASK_CH5 |
SHORT_MASK_CH4 |
SHORT_MASK_CH3 |
SHORT_MASK_CH2 |
SHORT_MASK_CH1 |
SHORT_MASK_CH0 |
| R |
R/W |
R/W |
R/W |
R/W |
R/W |
R/W |
| LEGEND: R/W = Read/Write; R = Read only; -n = value after reset |
7.5.64 READ_SHORT_MASK1 Register (address = 95h) [reset = 3Fh]
Address 55h is used for writing the SHORT_MASK1 data using the register pseudonym WRITE_SHORT_MASK1, and address 95h is used for reading the SHORT_MASK1 data using the register pseudonym READ_SHORT_MASK1. See the WRITE_SHORT_MASK1 Register (address = 55h) [reset = 3Fh] section for a description of the register contents.
Figure 86. READ_SHORT_MASK1, Address 95h
| 7 |
6 |
5 |
4 |
3 |
2 |
1 |
0 |
| RESERVED |
SHORT_MASK_CH11 |
SHORT_MASK_CH10 |
SHORT_MASK_CH9 |
SHORT_MASK_CH8 |
SHORT_MASK_CH7 |
SHORT_MASK_CH6 |
| R |
R/W |
R/W |
R/W |
R/W |
R/W |
R/W |
| LEGEND: R/W = Read/Write; R = Read only; -n = value after reset |
7.5.65 READ_SHORT_GND_MASK0 Register (address = 96h) [reset = 3Fh]
Address 56h is used for writing the SHORT_GND_MASK0 data using the register pseudonym WRITE_SHORT_GND_MASK0, and address 96h is used for reading the SHORT_GND_MASK0 data using the register pseudonym READ_SHORT_GND_MASK0. See the WRITE_SHORT_GND_MASK0 Register (address = 56h) [reset = 3Fh] section for a description of the register contents.
Figure 87. READ_SHORT_GND_MASK0, Address 96h
| 7 |
6 |
5 |
4 |
3 |
2 |
1 |
0 |
| RESERVED |
SG_MASK_CH5 |
SG_MASK_CH4 |
SG_MASK_CH3 |
SG_MASK_CH2 |
SG_MASK_CH1 |
SG_MASK_CH0 |
| R |
R/W |
R/W |
R/W |
R/W |
R/W |
R/W |
| LEGEND: R/W = Read/Write; R = Read only; -n = value after reset |
7.5.66 READ_SHORT_GND_MASK1 Register (address = 97h) [reset = 3Fh]
Address 57h is used for writing the SHORT_GND_MASK1 data using the register pseudonym WRITE_SHORT_GND_MASK1, and address 97h is used for reading the SHORT_GND_MASK1 data using the register pseudonym READ_SHORT_GND_MASK1. See the WRITE_SHORT_GND_MASK1 Register (address = 57h) [reset = 3Fh] section for a description of the register contents.
Figure 88. READ_SHORT_GND_MASK1, Address 97h
| 7 |
6 |
5 |
4 |
3 |
2 |
1 |
0 |
| RESERVED |
SG_MASK_CH11 |
SG_MASK_CH10 |
SG_MASK_CH9 |
SG_MASK_CH8 |
SG_MASK_CH7 |
SG_MASK_CH6 |
| R |
R/W |
R/W |
R/W |
R/W |
R/W |
R/W |
| LEGEND: R/W = Read/Write; R = Read only; -n = value after reset |
7.5.67 READ_OPEN_MASK0 Register (address = 98h) [reset = 3Fh]
Address 58h is used for writing the OPEN_MASK0 data using the register pseudonym WRITE_OPEN_MASK0, and address 98h is used for reading the OPEN_MASK0 data using the register pseudonym READ_OPEN_MASK0. See the WRITE_OPEN_MASK0 Register (address = 58h) [reset = 3Fh] section for a description of the register contents.
Figure 89. READ_OPEN_MASK0, Address 98h
| 7 |
6 |
5 |
4 |
3 |
2 |
1 |
0 |
| RESERVED |
OPEN_MASK_CH5 |
OPEN_MASK_CH4 |
OPEN_MASK_CH3 |
OPEN_MASK_CH2 |
OPEN_MASK_CH1 |
OPEN_MASK_CH0 |
| R |
R/W |
R/W |
R/W |
R/W |
R/W |
R/W |
| LEGEND: R/W = Read/Write; R = Read only; -n = value after reset |
7.5.68 READ_OPEN_MASK1 Register (address = 99h) [reset = 3Fh]
Address 59h is used for writing the OPEN_MASK1 data using the register pseudonym WRITE_OPEN_MASK1, and address 99h is used for reading the OPEN_MASK1 data using the register pseudonym READ_OPEN_MASK1. See the WRITE_OPEN_MASK1 Register (address = 59h) [reset = 3Fh] section for a description of the register contents.
Figure 90. READ_OPEN_MASK1, Address 99h
| 7 |
6 |
5 |
4 |
3 |
2 |
1 |
0 |
| RESERVED |
OPEN_MASK_CH11 |
OPEN_MASK_CH10 |
OPEN_MASK_CH9 |
OPEN_MASK_CH8 |
OPEN_MASK_CH7 |
OPEN_MASK_CH6 |
| R |
R/W |
R/W |
R/W |
R/W |
R/W |
R/W |
| LEGEND: R/W = Read/Write; R = Read only; -n = value after reset |
7.5.69 READ_SHORT_FAULT0 (address = 9Ah) [reset = 00h]
Figure 91. READ_SHORT_FAULT0, Address 9Ah
| 7 |
6 |
5 |
4 |
3 |
2 |
1 |
0 |
| RESERVED |
SHORT_ FAULT5 |
SHORT_ FAULT4 |
SHORT_ FAULT3 |
SHORT_ FAULT2 |
SHORT_ FAULT1 |
SHORT_ FAULT0 |
| R |
R |
R |
R |
R |
R |
R |
| LEGEND: R/W = Read/Write; R = Read only; -n = value after reset |
Table 45. READ_SHORT_FAULT0 Register Field Descriptions
| Bit |
Field |
Type |
Reset |
Description |
| 7–6 |
RESERVED |
R |
0h |
|
| 5 |
SHORT_FAULT5 |
R |
0h |
Channel 5 LED short-to-supply fault flag. Active-high. HIGH: LED short-to-supply detected; LOW: LED short-to-supply not detected. |
| 4 |
SHORT_FAULT4 |
R |
0h |
Channel 4 LED short-to-supply fault flag. Active-high. HIGH: LED short-to-supply detected; LOW: LED short-to-supply not detected. |
| 3 |
SHORT_FAULT3 |
R |
0h |
Channel 3 LED short-to-supply fault flag. Active-high. HIGH: LED short-to-supply detected; LOW: LED short-to-supply not detected. |
| 2 |
SHORT_FAULT2 |
R |
0h |
Channel 2 LED short-to-supply fault flag. Active-high. HIGH: LED short-to-supply detected; LOW: LED short-to-supply not detected. |
| 1 |
SHORT_FAULT1 |
R |
0h |
Channel 1 LED short-to-supply fault flag. Active-high. HIGH: LED short-to-supply detected; LOW: LED short-to-supply not detected. |
| 0 |
SHORT_FAULT0 |
R |
0h |
Channel 0 LED short-to-supply fault flag. Active-high. HIGH: LED short-to-supply detected; LOW: LED short-to-supply not detected. |
7.5.70 READ_SHORT_FAULT1 (address = 9Bh) [reset = 00h]
Figure 92. READ_SHORT_FAULT1, Address 9Bh
| 7 |
6 |
5 |
4 |
3 |
2 |
1 |
0 |
| RESERVED |
SHORT_ FAULT11 |
SHORT_ FAULT10 |
SHORT_ FAULT9 |
SHORT_ FAULT8 |
SHORT_ FAULT7 |
SHORT_ FAULT6 |
| R |
R |
R |
R |
R |
R |
R |
| LEGEND: R/W = Read/Write; R = Read only; -n = value after reset |
Table 46. READ_SHORT_FAULT1 Register Field Descriptions
| Bit |
Field |
Type |
Reset |
Description |
| 7–6 |
RESERVED |
R |
0h |
|
| 5 |
SHORT_FAULT11 |
R |
0h |
Channel 11 LED short-to-supply fault flag. Active-high. HIGH: LED short-to-supply detected; LOW: LED short-to-supply not detected. |
| 4 |
SHORT_FAULT10 |
R |
0h |
Channel 10 LED short-to-supply fault flag. Active-high. HIGH: LED short-to-supply detected; LOW: LED short-to-supply not detected. |
| 3 |
SHORT_FAULT9 |
R |
0h |
Channel 9 LED short-to-supply fault flag. Active-high. HIGH: LED short-to-supply detected; LOW: LED short-to-supply not detected. |
| 2 |
SHORT_FAULT8 |
R |
0h |
Channel 8 LED short-to-supply fault flag. Active-high. HIGH: LED short-to-supply detected; LOW: LED short-to-supply not detected. |
| 1 |
SHORT_FAULT7 |
R |
0h |
Channel 7 LED short-to-supply fault flag. Active-high. HIGH: LED short-to-supply detected; LOW: LED short-to-supply not detected. |
| 0 |
SHORT_FAULT6 |
R |
0h |
Channel 6 LED short-to-supply fault flag. Active-high. HIGH: LED short-to-supply detected; LOW: LED short-to-supply not detected. |
7.5.71 READ_SHORT_GND_FAULT0 (address = 9Ch) [reset = 00h]
Figure 93. READ_SHORT_GND_FAULT0, Address 9Ch
| 7 |
6 |
5 |
4 |
3 |
2 |
1 |
0 |
| RESERVED |
SG_FAULT5 |
SG_FAULT4 |
SG_FAULT3 |
SG_FAULT2 |
SG_FAULT1 |
SG_FAULT0 |
| R |
R |
R |
R |
R |
R |
R |
| LEGEND: R/W = Read/Write; R = Read only; -n = value after reset |
Table 47. READ_SHORT_GND_FAULT0 Register Field Descriptions
| Bit |
Field |
Type |
Reset |
Description |
| 7–6 |
RESERVED |
R |
0h |
|
| 5 |
SG_FAULT5 |
R |
0h |
Channel 5 LED short-to-GND fault flag. Active-high. HIGH: LED short-to-GND detected; LOW: LED short-to-GND not detected. |
| 4 |
SG_FAULT4 |
R |
0h |
Channel 4 LED short-to-GND fault flag. Active-high. HIGH: LED short-to-GND detected; LOW: LED short-to-GND not detected. |
| 3 |
SG_FAULT3 |
R |
0h |
Channel 3 LED short-to-GND fault flag. Active-high. HIGH: LED short-to-GND detected; LOW: LED short-to-GND not detected. |
| 2 |
SG_FAULT2 |
R |
0h |
Channel 2 LED short-to-GND fault flag. Active-high. HIGH: LED short-to-GND detected; LOW: LED short-to-GND not detected. |
| 1 |
SG_FAULT1 |
R |
0h |
Channel 1 LED short-to-GND fault flag. Active-high. HIGH: LED short-to-GND detected; LOW: LED short-to-GND not detected. |
| 0 |
SG_FAULT0 |
R |
0h |
Channel 0 LED short-to-GND fault flag. Active-high. HIGH: LED short-to-GND detected; LOW: LED short-to-GND not detected. |
7.5.72 READ_SHORT_GND_FAULT1 (address = 9Dh) [reset = 00h]
Figure 94. READ_SHORT_GND_FAULT1, Address 9Dh
| 7 |
6 |
5 |
4 |
3 |
2 |
1 |
0 |
| RESERVED |
SG_FAULT11 |
SG_FAULT10 |
SG_FAULT9 |
SG_FAULT8 |
SG_FAULT7 |
SG_FAULT6 |
| R |
R |
R |
R |
R |
R |
R |
| LEGEND: R/W = Read/Write; R = Read only; -n = value after reset |
Table 48. READ_SHORT_GND_FAULT1 Register Field Descriptions
| Bit |
Field |
Type |
Reset |
Description |
| 7–6 |
RESERVED |
R |
0h |
|
| 5 |
SG_FAULT11 |
R |
0h |
Channel 11 LED short-to-GND fault flag. Active-high. HIGH: LED short-to-GND detected; LOW: LED short-to-GND not detected. |
| 4 |
SG_FAULT10 |
R |
0h |
Channel 10 LED short-to-GND fault flag. Active-high. HIGH: LED short-to-GND detected; LOW: LED short-to-GND not detected. |
| 3 |
SG_FAULT9 |
R |
0h |
Channel 9 LED short-to-GND fault flag. Active-high. HIGH: LED short-to-GND detected; LOW: LED short-to-GND not detected. |
| 2 |
SG_FAULT8 |
R |
0h |
Channel 8 LED short-to-GND fault flag. Active-high. HIGH: LED short-to-GND detected; LOW: LED short-to-GND not detected. |
| 1 |
SG_FAULT7 |
R |
0h |
Channel 7 LED short-to-GND fault flag. Active-high. HIGH: LED short-to-GND detected; LOW: LED short-to-GND not detected. |
| 0 |
SG_FAULT6 |
R |
0h |
Channel 6 LED short-to-GND fault flag. Active-high. HIGH: LED short-to-GND detected; LOW: LED short-to-GND not detected. |
7.5.73 READ_OPEN_FAULT0 (address = 9Eh) [reset = 00h]
Figure 95. READ_OPEN_FAULT0, Address 9Eh
| 7 |
6 |
5 |
4 |
3 |
2 |
1 |
0 |
| RESERVED |
OPEN_FAULT_CH5 |
OPEN_FAULT_CH4 |
OPEN_FAULT_CH3 |
OPEN_FAULT_CH2 |
OPEN_FAULT_CH1 |
OPEN_FAULT_CH0 |
| R |
R |
R |
R |
R |
R |
R |
| LEGEND: R/W = Read/Write; R = Read only; -n = value after reset |
Table 49. READ_OPEN_FAULT0 Register Field Descriptions
| Bit |
Field |
Type |
Reset |
Description |
| 7–6 |
RESERVED |
R |
0h |
|
| 5 |
OPEN_FAULT_CH5 |
R |
0h |
Channel 5 LED-open fault flag. Active-high. HIGH: LED open detected; LOW: LED open not detected. |
| 4 |
OPEN_FAULT_CH4 |
R |
0h |
Channel 4 LEDopen fault flag. Active-high. HIGH: LED open detected; LOW: LED open not detected. |
| 3 |
OPEN_FAULT_CH3 |
R |
0h |
Channel 3 LED-open fault flag. Active-high. HIGH: LED open detected; LOW: LED open not detected. |
| 2 |
OPEN_FAULT_CH2 |
R |
0h |
Channel 2 LED-open fault flag. Active-high. HIGH: LED open detected; LOW: LED open not detected. |
| 1 |
OPEN_FAULT_CH1 |
R |
0h |
Channel 1 LED-open fault flag. Active-high. HIGH: LED open detected; LOW: LED open not detected. |
| 0 |
OPEN_FAULT_CH0 |
R |
0h |
Channel 0 LED-open fault flag. Active-high. HIGH: LED open detected; LOW: LED open not detected. |
7.5.74 READ_OPEN_FAULT1 (address = 9Fh) [reset = 00h]
Figure 96. READ_OPEN_FAULT1, Address 9Fh
| 7 |
6 |
5 |
4 |
3 |
2 |
1 |
0 |
| RESERVED |
OPEN_FAULT_CH11 |
OPEN_FAULT_CH10 |
OPEN_FAULT_CH9 |
OPEN_FAULT_CH8 |
OPEN_FAULT_CH7 |
OPEN_FAULT_CH6 |
| R |
R |
R |
R |
R |
R |
R |
| LEGEND: R/W = Read/Write; R = Read only; -n = value after reset |
Table 50. READ_OPEN_FAULT1 Register Field Descriptions
| Bit |
Field |
Type |
Reset |
Description |
| 7–6 |
RESERVED |
R |
0h |
|
| 5 |
OPEN_FAULT_CH11 |
R |
0h |
Channel 11 LED open fault flag. Active-high. HIGH: LED open detected; LOW: LED open not detected. |
| 4 |
OPEN_FAULT_CH10 |
R |
0h |
Channel 10 LED open fault flag. Active-high. HIGH: LED open detected; LOW: LED open not detected. |
| 3 |
OPEN_FAULT_CH9 |
R |
0h |
Channel 9 LED open fault flag. Active-high. HIGH: LED open detected; LOW: LED open not detected. |
| 2 |
OPEN_FAULT_CH8 |
R |
0h |
Channel 8 LED open fault flag. Active-high. HIGH: LED open detected; LOW: LED open not detected. |
| 1 |
OPEN_FAULT_CH7 |
R |
0h |
Channel 7 LED open fault flag. Active-high. HIGH: LED open detected; LOW: LED open not detected. |
| 0 |
OPEN_FAULT_CH6 |
R |
0h |
Channel 6 LED open fault flag. Active-high. HIGH: LED open detected; LOW: LED open not detected. |
7.5.75 READ_PWM_FAULT_MASK Register (address = A1h) [reset = 3Fh]
Address 60h is used for writing the PWM_FAULT_MASK data using the register pseudonym WRITE_PWM_FAULT_MASK, and address A0h is used for reading the PWM_FAULT_MASK data using the register pseudonym READ_PWM_FAULT_MASK. See the WRITE_PWM_FAULT_MASK Register (address = 60h) [reset = 3Fh] section for a description of the register contents.
Figure 97. READ_PWM_FAULT_MASK, Address A1h
| 7 |
6 |
5 |
4 |
3 |
2 |
1 |
0 |
| RESERVED |
PWM_FAULT_MASK5 |
PWM_FAULT_MASK4 |
PWM_FAULT_MASK3 |
PWM_FAULT_MASK2 |
PWM_FAULT_MASK1 |
SG_MASK_CH0 |
| R |
R/W |
R/W |
R/W |
R/W |
R/W |
R/W |
| LEGEND: R/W = Read/Write; R = Read only; -n = value after reset |
7.5.76 READ_STATUS0 (address = A2h) [reset = 40h]
Figure 98. READ_STATUS0, Address A2h
| 7 |
6 |
5 |
4 |
3 |
2 |
1 |
0 |
REF_FAULT_ FLAG |
POR_ERR_ FLAG |
ANY_OPEN_ FLAG |
ANY_SHORT_FLAG |
ANY_PWM_ FAULT_FLAG |
WLS_FAULT_ FLAG |
PRE_TSD_ FLAG |
TSD_FLAG |
| R |
R |
R |
R |
R |
R |
R |
R |
| LEGEND: R/W = Read/Write; R = Read only; -n = value after reset |
Table 51. READ_STATUS0 Register Field Descriptions
| Bit |
Field |
Type |
Reset |
Description |
| 7 |
REF_FAULT_FLAG |
R |
0h |
Reference-resistor fault flag. Active-high. HIGH: Reference fault detected; LOW: Reference fault not detected. |
| 6 |
POR_ERR_FLAG |
R |
1h |
Power-on-reset error flag. Active-high. HIGH: POR error detected; LOW: POR error not detected. |
| 5 |
ANY_OPEN_FLAG |
R |
0h |
Any-channel-open fault flag. Active-high. HIGH: One or more channels has an open fault; LOW: an open fault is not detected or an open fault is masked. |
| 4 |
ANY_SHORT_FLAG |
R |
0h |
Any channel short-to-supply fault flag. Active-high. HIGH: One or more channels has a short-to-supply fault; LOW: a short-to-supply fault is not detected or a short-to-supply fault is masked. |
| 3 |
ANY_PWM_FAULT_FLAG |
R |
0h |
Any-input PWM-fault flag. Active-high. HIGH: One or more PWM channels has a fault; LOW: a PWM fault is not detected or a PWM fault is masked. |
| 2 |
WLS_FAULT_FLAG |
R |
0h |
Weak-LED-supply fault flag. Active-high. HIGH: WLS fault detected; LOW: a WLS fault is not detected or a WLS fault is masked. |
| 1 |
PRE_TSD_FLAG |
R |
0h |
PRE-TSD warning flag. Active-high. HIGH: a PRE TSD warning is detected; LOW: a PRE-TSD warning is not detected or a PRE_TSD warning is masked. |
| 0 |
TSD_FLAG |
R |
0h |
Thermal shutdown flag. Active-high. HIGH: a thermal shutdown has been triggered; LOW: a thermal shutdown is not triggered or it is masked. |
7.5.77 READ_STATUS1 (address = A3h) [reset = 00h]
See the PWM MAP Register Lock section for a list of miscellaneous (MISC), mapping (MAP), masking (MASK), and correction (CORR) registers.
Figure 99. READ_STATUS1, Address A3h
| 7 |
6 |
5 |
4 |
3 |
2 |
1 |
0 |
| RESERVED |
DIS_PULL_ UP_FLAG |
LOCK_MISC_ FLAG |
LOCK_MAP_ FLAG |
LOCK_MASK_FLAG |
LOCK_CORR_FLAG |
| R |
R |
R |
R |
R |
R |
| LEGEND: R/W = Read/Write; R = Read only; -n = value after reset |
Table 52. READ_STATUS1 Register Field Descriptions
| Bit |
Field |
Type |
Reset |
Description |
| 7–5 |
RESERVED |
R |
0h |
|
| 4 |
DIS_PULL_UP_FLAG |
R |
0h |
Off-state pullup disabled flag. Active-high. HIGH: One or more channels have off-state pullup disabled. LOW: No channel has off-state pullup disabled. |
| 3 |
LOCK_MISC_FLAG |
R |
0h |
LOCK_MISC status flag. Active-high. HIGH: MISC registers are locked. LOW: MISC registers are not locked. |
| 2 |
LOCK_MAP_FLAG |
R |
0h |
LOCK_MAP status flag. Active-high. HIGH: MAP registers are locked. LOW: MAP registers are not locked. |
| 1 |
LOCK_MASK_FLAG |
R |
0h |
LOCK_MASK status flag. Active-high. HIGH: MASK registers are locked. LOW: MASK registers are not locked. |
| 0 |
LOCK_CORR_FLAG |
R |
0h |
LOCK_CORR status flag. Active-high. HIGH: CORR registers are locked. LOW: CORR registers are not locked. |
7.5.78 READ_DIS_PULL_UP_0 Register (address = A4h) [reset = 00h]
Address 64h is used for writing the DIS_PULL_UP_0 data using the register pseudonym WRITE_DIS_PULL_UP_0, and address A4h is used for reading the DIS_PULL_UP_0 data using the register pseudonym READ_DIS_PULL_UP_0. See the WRITE_DIS_PULL_UP_0 Register (address = 64h) [reset = 00h] section for a description of the register contents.
Figure 100. READ_DIS_PULL_UP_0 Register, Address A4h
| 7 |
6 |
5 |
4 |
3 |
2 |
1 |
0 |
| RESERVED |
DIS_PULL_ UP_CH5 |
DIS_PULL_ UP_CH4 |
DIS_PULL_ UP_CH3 |
DIS_PULL_ UP_CH2 |
DIS_PULL_ UP_CH1 |
DIS_PULL_ UP_CH0 |
| R |
R/W |
R/W |
R/W |
R/W |
R/W |
R/W |
| LEGEND: R/W = Read/Write; R = Read only; -n = value after reset |
7.5.79 READ_DIS_PULL_UP_1 Register (address = A5h) [reset = 00h]
Address 65h is used for writing the DIS_PULL_UP_1 data using the register pseudonym WRITE_DIS_PULL_UP_1, and address A5h is used for reading the DIS_PULL_UP_1 data using the register pseudonym READ_DIS_PULL_UP_1. See the WRITE_DIS_PULL_UP_1 Register (address = 65h) [reset = 00h] section for a description of the register contents.
Figure 101. READ_DIS_PULL_UP_1 Register, Address A5h
| 7 |
6 |
5 |
4 |
3 |
2 |
1 |
0 |
| RESERVED |
DIS_PULL_ UP_CH11 |
DIS_PULL_ UP_CH10 |
DIS_PULL_ UP_CH9 |
DIS_PULL_ UP_CH8 |
DIS_PULL_ UP_CH7 |
DIS_PULL_ UP_CH6 |
| R |
R/W |
R/W |
R/W |
R/W |
R/W |
R/W |
| LEGEND: R/W = Read/Write; R = Read only; -n = value after reset |
7.5.80 READ_ERROR_MASK (address = A6h) [reset = 00h]
Address 66h is used for writing the ERROR_MASK data using the register pseudonym WRITE_ERROR_MASK, and address A6h is used for reading the ERROR_MASK data using the register pseudonym READ_ERROR_MASK. See the WRITE_ERROR_MASK Register (address = 66h) [reset = 00h] section for a description of the register contents.
Figure 102. READ_ERROR_MASK, Address A6h
| 7 |
6 |
5 |
4 |
3 |
2 |
1 |
0 |
| REF_MASK |
POR_MASK |
OPEN_MASK |
SHORT_MASK |
PWM_MASK |
WLS_MASK |
PRE_TSD_ MASK |
TSD_MASK |
| R/W |
R/W |
R/W |
R/W |
R/W |
R/W |
R/W |
R/W |
| LEGEND: R/W = Read/Write; R = Read only; -n = value after reset |
7.5.81 READ_MISC_CMD Register (address = A7h) [reset = 00h]
Address 67h is used for writing the MISC_CMD data using the register pseudonym WRITE_MISC_CMD, and address A7h is used for reading the MISC_CMD data using the register pseudonym READ_MISC_CMD. See the WRITE_MISC_CMD Register (address = 67h) [reset = 00h] section for a description of the register contents.
Figure 103. READ_MISC_CMD Register, Address A7h
| 7 |
6 |
5 |
4 |
3 |
2 |
1 |
0 |
| RESERVED |
RESERVED |
DIS_OFF_ FAULT_DIAG |
ADJ_DIAG_ START |
SLOW_SLEW_RATE |
FORCE_ERR |
WLS_TH |
| R |
R |
R/W |
R/W |
R/W |
R/W |
R/W |
| LEGEND: R/W = Read/Write; R = Read only; -n = value after reset |
7.5.82 READ_ADSHORT0 (address = A8h) [reset = 00h]
Figure 104. READ_ADSHORT0, Address A8h
| 7 |
6 |
5 |
4 |
3 |
2 |
1 |
0 |
| RESERVED |
AD_FLAG_ CH11 |
AD_FLAG_ CH10 |
AD_FLAG_CH9 |
AD_FLAG_CH8 |
AD_FLAG_CH7 |
AD_FLAG_CH6 |
| R |
R |
R |
R |
R |
R |
R |
| LEGEND: R/W = Read/Write; R = Read only; -n = value after reset |
Table 53. READ_ADSHORT0 Register Field Descriptions
| Bit |
Field |
Type |
Reset |
Description |
| 7–6 |
RESERVED |
R |
0h |
|
| 5 |
AD_FLAG_CH11 |
R |
0h |
Adjacent-pin short fault flag for channel 11. Active-high. HIGH: Adjacent-pin short detected; LOW: adjacent-pin short not detected. |
| 4 |
AD_FLAG_CH10 |
R |
0h |
Adjacent-pin short fault flag for channel 10. Active-high. HIGH: Adjacent-pin short detected; LOW: adjacent-pin short not detected. |
| 3 |
AD_FLAG_CH9 |
R |
0h |
Adjacent-pin short fault flag for channel 9. Active-high. HIGH: Adjacent-pin short detected; LOW: adjacent-pin short not detected. |
| 2 |
AD_FLAG_CH8 |
R |
0h |
Adjacent-pin short fault flag for channel 8. Active-high. HIGH: Adjacent-pin short detected; LOW: adjacent-pin short not detected. |
| 1 |
AD_FLAG_CH7 |
R |
0h |
Adjacent-pin short fault flag for channel 7. Active-high. HIGH: Adjacent-pin short detected; LOW: adjacent-pin short not detected. |
| 0 |
AD_FLAG_CH6 |
R |
0h |
Adjacent-pin short fault flag for channel 6. Active-high. HIGH: Adjacent-pin short detected; LOW: adjacent-pin short not detected. |
7.5.83 READ_ADSHORT1 (address = A9h) [reset = 00h]
Figure 105. READ_ADSHORT1, Address A9h
| 7 |
6 |
5 |
4 |
3 |
2 |
1 |
0 |
| RESERVED |
AD_FLAG_CH5 |
AD_FLAG_CH4 |
AD_FLAG_CH3 |
AD_FLAG_CH2 |
AD_FLAG_CH1 |
AD_FLAG_CH0 |
| R |
R |
R |
R |
R |
R |
R |
| LEGEND: R/W = Read/Write; R = Read only; -n = value after reset |
Table 54. READ_ADSHORT1 Register Field Descriptions
| Bit |
Field |
Type |
Reset |
Description |
| 7–6 |
RESERVED |
R |
0h |
|
| 5 |
AD_FLAG_CH5 |
R |
0h |
Adjacent-pin short fault flag for channel 5. Active-high. HIGH: Adjacent-pin short detected; LOW: adjacent-pin short not detected. |
| 4 |
AD_FLAG_CH4 |
R |
0h |
Adjacent-pin short fault flag for channel 4. Active-high. HIGH: Adjacent-pin short detected; LOW: adjacent-pin short not detected. |
| 3 |
AD_FLAG_CH3 |
R |
0h |
Adjacent-pin short fault flag for channel 3. Active-high. HIGH: Adjacent-pin short detected; LOW: adjacent-pin short not detected. |
| 2 |
AD_FLAG_CH2 |
R |
0h |
Adjacent-pin short fault flag for channel 2. Active-high. HIGH: Adjacent-pin short detected; LOW: adjacent-pin short not detected. |
| 1 |
AD_FLAG_CH1 |
R |
0h |
Adjacent-pin short fault flag for channel 1. Active-high. HIGH: Adjacent-pin short detected; LOW: adjacent-pin short not detected. |
| 0 |
AD_FLAG_CH0 |
R |
0h |
Adjacent-pin short fault flag for channel 0. Active-high. HIGH: Adjacent-pin short detected; LOW: adjacent-pin short not detected. |