ZHCSCU5A May   2014  – September 2014 TLC5958

PRODUCTION DATA.  

  1. 特性
  2. 应用范围
  3. 说明
  4. 典型应用电路(多个菊花链 TLC5958)
  5. 修订历史记录
  6. 说明(继续)
  7. Pin Configuration and Functions
  8. Specifications
    1. 8.1 Absolute Maximum Ratings
    2. 8.2 Handling Ratings
    3. 8.3 Recommended Operating Conditions
    4. 8.4 Thermal Information
    5. 8.5 Electrical Characteristics
    6. 8.6 Typical Characteristics
  9. Parameter Measurement Information
    1. 9.1 Pin Equivalent Input and Output Schematic Diagrams
      1. 9.1.1 Test Circuits
    2. 9.2 Timing Diagrams
  10. 10Detailed Description
    1. 10.1 Overview
    2. 10.2 Functional Block Diagram
    3. 10.3 Device Functional Modes
      1. 10.3.1  Brightness Control (BC) Function
      2. 10.3.2  Color Brightness Control (CC) Function
      3. 10.3.3  Select RIREF For a Given BC
      4. 10.3.4  Choosing BC/CC For a Different Application
        1. 10.3.4.1 Example 1: Red LED Current is 20mA, Green LED Needs 12mA, Blue LED needs 8mA
        2. 10.3.4.2 Example 2: Red LED Current is 5mA, Green LED Needs 2mA, Blue LED Needs 1mA.
      5. 10.3.5  LED Open Detection (LOD)
      6. 10.3.6  Power Save Mode (PSM)
      7. 10.3.7  Internal Pre-Charge FET
      8. 10.3.8  Thermal Shutdown (TSD)
      9. 10.3.9  IREF Resistor Short Protection (ISP)
      10. 10.3.10 Noise Reduction
  11. 11Application and Implementation
  12. 12Power Supply Recommendations
  13. 13Layout
    1. 13.1 Layout Guidelines
    2. 13.2 Layout Example
  14. 14器件和文档支持
    1. 14.1 商标
    2. 14.2 静电放电警告
    3. 14.3 术语表
  15. 15机械封装和可订购信息

封装选项

机械数据 (封装 | 引脚)
散热焊盘机械数据 (封装 | 引脚)
订购信息

13 Layout

13.1 Layout Guidelines

  1. Place the decoupling capacitor near the VCC pin and GND plane.
  2. Place the current programming resistor Riref close to IREF pin and IREFGND pin.
  3. Route the GND pattern as widely as possible for large GND currents. Maximum GND current is approximately 1.2A
  4. Routing between the LED cathode side and the device OUTXn pin should be as short and straight as possible to reduce wire inductance.
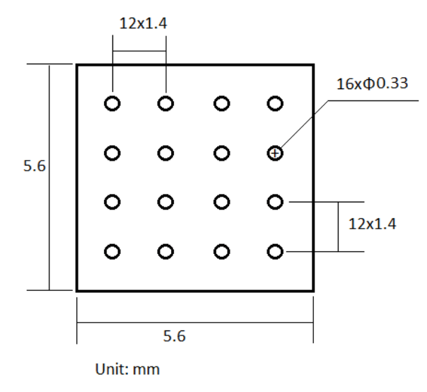
  5. The PowerPAD™ must be connected to GND plane because the pad is used as power ground pin internally, there will be large current flow through this pad when all channels turn on. Furthermore, this pad should be connected to a heat sink layer by thermal via to reduce device temperature. One suggested thermal via pattern is shown as below. For more information about suggested thermal via pattern and via size, see " PowerPAD Thermally Enhanced Package", SLMA002G.

13.2 Layout Example

via_layout_SLVSCE7.gif