SLVS677C July   2008  – October 2015 TLC5926 , TLC5927

PRODUCTION DATA.  

  1. Features
  2. Applications
  3. Description
  4. Revision History
  5. Device Comparison Table
  6. Pin Configuration and Functions
  7. Specifications
    1. 7.1  Absolute Maximum Ratings
    2. 7.2  ESD Ratings
    3. 7.3  Recommended Operating Conditions
    4. 7.4  Thermal Information
    5. 7.5  Electrical Characteristics: VDD = 3 V
    6. 7.6  Electrical Characteristics: VDD = 5.5 V
    7. 7.7  Timing Recommendations
    8. 7.8  Switching Characteristics: VDD = 3 V
    9. 7.9  Switching Characteristics: VDD = 5.5 V
    10. 7.10 Typical Characteristics
  8. Parameter Measurement Information
  9. Detailed Description
    1. 9.1 Overview
    2. 9.2 Functional Block Diagram
    3. 9.3 Feature Description
      1. 9.3.1 Open-Circuit Detection Principle
      2. 9.3.2 Short-Circuit Detection Principle (TLC5927 Only)
      3. 9.3.3 Overtemperature Detection and Shutdown
    4. 9.4 Device Functional Modes
      1. 9.4.1 Operation Mode Switching
      2. 9.4.2 Normal Mode Phase
      3. 9.4.3 Special Mode Phase
        1. 9.4.3.1 Reading Error Status Code in Special Mode
      4. 9.4.4 Writing Configuration Code in Special Mode
  10. 10Application and Implementation
    1. 10.1 Application Information
      1. 10.1.1 Constant Current
      2. 10.1.2 Adjusting Output Current
      3. 10.1.3 16-Bit Configuration Code and Current Gain
    2. 10.2 Typical Application
      1. 10.2.1 Design Requirements
      2. 10.2.2 Detailed Design Procedure
      3. 10.2.3 Application Curve
  11. 11Power Supply Recommendations
  12. 12Layout
    1. 12.1 Layout Guidelines
    2. 12.2 Layout Example
  13. 13Device and Documentation Support
    1. 13.1 Related Links
    2. 13.2 Community Resources
    3. 13.3 Trademarks
    4. 13.4 Electrostatic Discharge Caution
    5. 13.5 Glossary
  14. 14Mechanical, Packaging, and Orderable Information

封装选项

机械数据 (封装 | 引脚)
散热焊盘机械数据 (封装 | 引脚)
订购信息

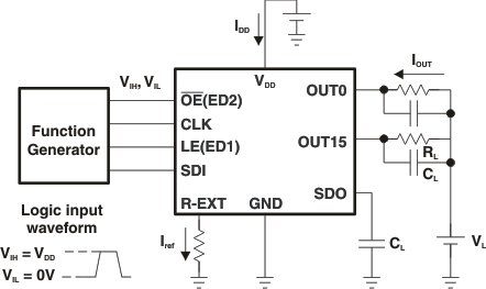
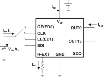
8 Parameter Measurement Information

TLC5926 TLC5927 pmi_elec_char.gif Figure 2. Test Circuit for Electrical Characteristics
TLC5926 TLC5927 pmi_switch_char.gif Figure 3. Test Circuit for Switching Characteristics
TLC5926 TLC5927 pmi_timing_normal.gif Figure 4. Normal Mode Timing Waveforms
TLC5926 TLC5927 pmi_timing_switch_special.gif Figure 5. Switching to Special Mode Timing Waveforms
TLC5926 TLC5927 pmi_timing_read_error.gif Figure 6. Reading Error Status Code Timing Waveforms