SLOS985 June   2017 TLC2274M-MIL

PRODUCTION DATA.  

  1. Features
  2. Applications
  3. Description
  4. Revision History
  5. Pin Configuration and Functions
  6. Specifications
    1. 6.1 Absolute Maximum Ratings
    2. 6.2 ESD Ratings
    3. 6.3 Recommended Operating Conditions
    4. 6.4 Thermal Information
    5. 6.5 TLC2274M-MIL Electrical Characteristics VDD = 5 V
    6. 6.6 TLC2274M-MIL Electrical Characteristics VDD± = ±5 V
    7. 6.7 Typical Characteristics
  7. Detailed Description
    1. 7.1 Overview
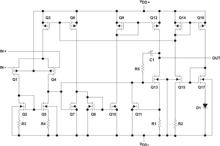
    2. 7.2 Functional Block Diagram
    3. 7.3 Feature Description
    4. 7.4 Device Functional Modes
  8. Application and Implementation
    1. 8.1 Application Information
      1. 8.1.1 Macromodel Information
    2. 8.2 Typical Application
      1. 8.2.1 High-Side Current Monitor
        1. 8.2.1.1 Design Requirements
        2. 8.2.1.2 Detailed Design Procedure
          1. 8.2.1.2.1 Differential Amplifier Equations
        3. 8.2.1.3 Application Curves
  9. Power Supply Recommendations
  10. 10Layout
    1. 10.1 Layout Guidelines
    2. 10.2 Layout Example
  11. 11Device and Documentation Support
    1. 11.1 Receiving Notification of Documentation Updates
    2. 11.2 Community Resources
    3. 11.3 Trademarks
    4. 11.4 Electrostatic Discharge Caution
    5. 11.5 Glossary
  12. 12Mechanical, Packaging, and Orderable Information

封装选项

机械数据 (封装 | 引脚)
散热焊盘机械数据 (封装 | 引脚)
订购信息

Detailed Description

Overview

The TLC2274M-MIL device is a rail-to-rail output operational amplifier. The device operates from a 4.4-V to 16-V single supply or ±2.2-V to ±8-V dual supply, is unity-gain stable, and is suitable for a wide range of general-purpose applications.

Functional Block Diagram

TLC2274M-MIL typapp_slos190.gif

Table 2. Device Component Count(1)

COMPONENT COUNT
Transistors 76
Resistors 52
Diodes 18
Capacitors 6
Includes both amplifiers and all ESD, bias, and trim circuitry.

Feature Description

The TLC2274M-MIL device features 2-MHz bandwidth and voltage noise of 9 nV/√Hz with performance rated from 4.4 V to 16 V across a temperature range (–55°C to 125°C). LinMOS suits a wide range of audio, automotive, industrial, and instrumentation applications.

Device Functional Modes

The TLC2274M-MIL device is powered on when the supply is connected. The device may operate with single or dual supply, depending on the application. The device is in its full-performance mode once the supply is above the recommended value.