SLOS190H February   1997  – March 2016 TLC2272 , TLC2272A , TLC2272AM , TLC2272M , TLC2274 , TLC2274A , TLC2274AM , TLC2274M

PRODUCTION DATA.  

  1. Features
  2. Applications
  3. Description
  4. Revision History
  5. Pin Configuration and Functions
  6. Specifications
    1. 6.1 Absolute Maximum Ratings
    2. 6.2 ESD Ratings
    3. 6.3 Recommended Operating Conditions
    4. 6.4 Thermal Information
    5. 6.5 TLC2272 and TLC2272A Electrical Characteristics VDD = 5 V
    6. 6.6 TLC2272 and TLC2272A Electrical Characteristics VDD± = ±5 V
    7. 6.7 TLC2274 and TLC2274A Electrical Characteristics VDD = 5 V
    8. 6.8 TLC2274 and TLC2274A Electrical Characteristics VDD± = ±5 V
    9. 6.9 Typical Characteristics
  7. Detailed Description
    1. 7.1 Overview
    2. 7.2 Functional Block Diagram
    3. 7.3 Feature Description
    4. 7.4 Device Functional Modes
  8. Application and Implementation
    1. 8.1 Application Information
      1. 8.1.1 Macromodel Information
    2. 8.2 Typical Application
      1. 8.2.1 High-Side Current Monitor
        1. 8.2.1.1 Design Requirements
        2. 8.2.1.2 Detailed Design Procedure
          1. 8.2.1.2.1 Differential Amplifier Equations
        3. 8.2.1.3 Application Curves
  9. Power Supply Recommendations
  10. 10Layout
    1. 10.1 Layout Guidelines
    2. 10.2 Layout Example
  11. 11Device and Documentation Support
    1. 11.1 Related Links
    2. 11.2 Community Resources
    3. 11.3 Trademarks
    4. 11.4 Electrostatic Discharge Caution
    5. 11.5 Glossary
  12. 12Mechanical, Packaging, and Orderable Information

封装选项

机械数据 (封装 | 引脚)
散热焊盘机械数据 (封装 | 引脚)
订购信息

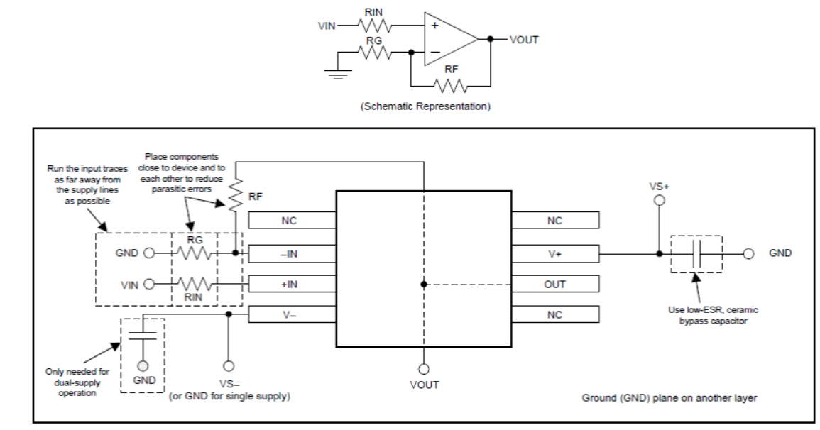
10 Layout

10.1 Layout Guidelines

The TLC227x and TLC227xA families of devices are wideband amplifiers. To realize the full operational performance of the devices, good high-frequency printed-circuit-board (PCB) layout practices are required. Low-loss 0.1-μF bypass capacitors must be connected between each supply pin and ground as close to the device as possible. The bypass capacitor traces should be designed for minimum inductance.

10.2 Layout Example

TLC2272 TLC2272A TLC2272M TLC2272AM TLC2274 TLC2274A TLC2274M TLC2274AM Layout Example.gif Figure 63. Layout Example