SLOS190H February   1997  – March 2016 TLC2272 , TLC2272A , TLC2272AM , TLC2272M , TLC2274 , TLC2274A , TLC2274AM , TLC2274M

PRODUCTION DATA.  

  1. Features
  2. Applications
  3. Description
  4. Revision History
  5. Pin Configuration and Functions
  6. Specifications
    1. 6.1 Absolute Maximum Ratings
    2. 6.2 ESD Ratings
    3. 6.3 Recommended Operating Conditions
    4. 6.4 Thermal Information
    5. 6.5 TLC2272 and TLC2272A Electrical Characteristics VDD = 5 V
    6. 6.6 TLC2272 and TLC2272A Electrical Characteristics VDD± = ±5 V
    7. 6.7 TLC2274 and TLC2274A Electrical Characteristics VDD = 5 V
    8. 6.8 TLC2274 and TLC2274A Electrical Characteristics VDD± = ±5 V
    9. 6.9 Typical Characteristics
  7. Detailed Description
    1. 7.1 Overview
    2. 7.2 Functional Block Diagram
    3. 7.3 Feature Description
    4. 7.4 Device Functional Modes
  8. Application and Implementation
    1. 8.1 Application Information
      1. 8.1.1 Macromodel Information
    2. 8.2 Typical Application
      1. 8.2.1 High-Side Current Monitor
        1. 8.2.1.1 Design Requirements
        2. 8.2.1.2 Detailed Design Procedure
          1. 8.2.1.2.1 Differential Amplifier Equations
        3. 8.2.1.3 Application Curves
  9. Power Supply Recommendations
  10. 10Layout
    1. 10.1 Layout Guidelines
    2. 10.2 Layout Example
  11. 11Device and Documentation Support
    1. 11.1 Related Links
    2. 11.2 Community Resources
    3. 11.3 Trademarks
    4. 11.4 Electrostatic Discharge Caution
    5. 11.5 Glossary
  12. 12Mechanical, Packaging, and Orderable Information

封装选项

机械数据 (封装 | 引脚)
散热焊盘机械数据 (封装 | 引脚)
订购信息

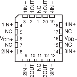
5 Pin Configuration and Functions

TLC2272
D, JG, P, or PW Package
8-Pin SOIC, CDIP, PDIP, or TSSOP
Top View
TLC2272 TLC2272A TLC2272M TLC2272AM TLC2274 TLC2274A TLC2274M TLC2274AM po1_slos190.gif
TLC2272
FK Package
20-Pin LCCC
Top View
TLC2272 TLC2272A TLC2272M TLC2272AM TLC2274 TLC2274A TLC2274M TLC2274AM po4_slos190.gif
TLC2272
U Package
10-Pin CFP
Top View
TLC2272 TLC2272A TLC2272M TLC2272AM TLC2274 TLC2274A TLC2274M TLC2274AM po5_slos190.gif
TLC2274
D, J, N, PW, or W Package
14-Pin SOIC, CDIP, PDIP, TSSOP, or CFP
Top View
TLC2272 TLC2272A TLC2272M TLC2272AM TLC2274 TLC2274A TLC2274M TLC2274AM po2_slos190.gif
TLC2274
FK Package
20-Pin LCCC
Top View
TLC2272 TLC2272A TLC2272M TLC2272AM TLC2274 TLC2274A TLC2274M TLC2274AM po3_slos190.gif

Pin Functions

PIN I/O DESCRIPTION
NAME NO.
TLC2272 TLC2274
D, JG, P, or PW FK U D, J, N, PW, or W FK
1IN+ 3 7 4 3 4 I Non-inverting input, Channel 1
1IN- 2 5 3 2 3 I Inverting input, Channel 1
1OUT 1 2 2 1 2 O Output, Channel 1
2IN+ 5 12 6 5 8 I Non-inverting input, Channel 2
2IN- 6 15 7 6 9 I Inverting input, Channel 2
2OUT 7 17 8 7 10 O Output, Channel 2
3IN+ 10 14 I Non-inverting input, Channel 3
3IN- 9 13 I Inverting input, Channel 3
3OUT 8 12 O Output, Channel 3
4IN+ 12 18 I Non-inverting input, Channel 4
4IN- 13 19 I Inverting input, Channel 4
4OUT 14 20 O Output, Channel 4
VDD+ 8 20 9 4 6 Positive (highest) supply
VDD– 11 16 Negative (lowest) supply
VDD–/GND 4 10 5 Negative (lowest) supply
NC 1, 3, 4, 6, 8, 9, 11, 13, 14, 16, 18, 19 1, 10 1, 5, 7, 11, 15, 17 No Connection