ZHCSJO9A May   2019  – November 2019 TL431LI-Q1 , TL432LI-Q1

PRODUCTION DATA.  

  1. 特性
  2. 应用
  3. 说明
    1.     Device Images
      1.      简化原理图
  4. 修订历史记录
  5. Device Comparison Table
  6. Pin Configuration and Functions
    1.     Pin Functions
  7. Specifications
    1. 7.1 Absolute Maximum Ratings
    2. 7.2 ESD Ratings
    3. 7.3 Recommended Operating Conditions
    4. 7.4 Thermal Information
    5. 7.5 Electrical Characteristics
    6. 7.6 Typical Characteristics
  8. Parameter Measurement Information
    1. 8.1 Temperature Coefficient
    2. 8.2 Dynamic Impedance
  9. Detailed Description
    1. 9.1 Overview
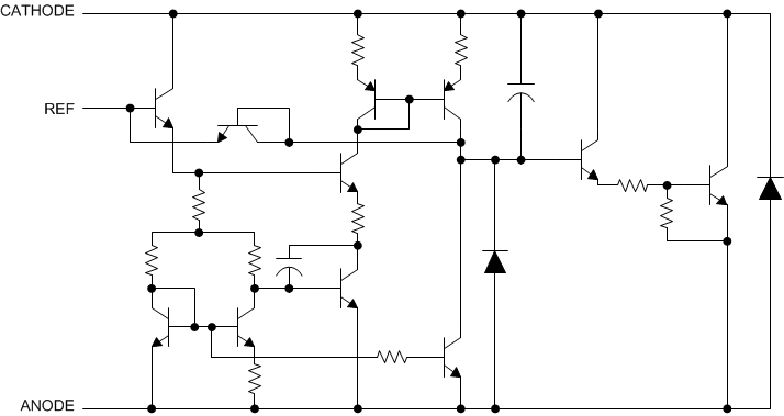
    2. 9.2 Functional Block Diagram
    3. 9.3 Feature Description
    4. 9.4 Device Functional Modes
      1. 9.4.1 Open Loop (Comparator)
      2. 9.4.2 Closed Loop
  10. 10Applications and Implementation
    1. 10.1 Application Information
    2. 10.2 Typical Applications
      1. 10.2.1 Comparator With Integrated Reference
      2. 10.2.2 Design Requirements
      3. 10.2.3 Detailed Design Procedure
        1. 10.2.3.1 Basic Operation
          1. 10.2.3.1.1 Overdrive
        2. 10.2.3.2 Output Voltage and Logic Input Level
          1. 10.2.3.2.1 Input Resistance
      4. 10.2.4 Application Curves
      5. 10.2.5 Precision LED Lighting Current Sink Regulator
        1. 10.2.5.1 Design Requirements
        2. 10.2.5.2 Detailed Design Procedure
          1. 10.2.5.2.1 Basic Operation
            1. 10.2.5.2.1.1 Output Current Range and Accuracy
          2. 10.2.5.2.2 Power Consumption
      6. 10.2.6 Shunt Regulator/Reference
        1. 10.2.6.1 Design Requirements
        2. 10.2.6.2 Detailed Design Procedure
          1. 10.2.6.2.1 Programming Output/Cathode Voltage
          2. 10.2.6.2.2 Total Accuracy
          3. 10.2.6.2.3 Stability
          4. 10.2.6.2.4 Start-up Time
        3. 10.2.6.3 Application Curves
      7. 10.2.7 Isolated Flyback with Optocoupler
        1. 10.2.7.1 Design Requirements
        2. 10.2.7.2 Detailed Design Procedure
          1. 10.2.7.2.1 TL431 Feedback Loop Error Calculation
    3. 10.3 System Examples
  11. 11Power Supply Recommendations
  12. 12Layout
    1. 12.1 Layout Guidelines
    2. 12.2 Layout Example
  13. 13器件和文档支持
    1. 13.1 器件支持
      1. 13.1.1 器件命名规则
    2. 13.2 文档支持
      1. 13.2.1 相关文档
    3. 13.3 相关链接
    4. 13.4 接收文档更新通知
    5. 13.5 支持资源
    6. 13.6 商标
    7. 13.7 静电放电警告
    8. 13.8 Glossary
  14. 14机械、封装和可订购信息

封装选项

机械数据 (封装 | 引脚)
散热焊盘机械数据 (封装 | 引脚)
订购信息

Functional Block Diagram

TL431LI-Q1 TL432LI-Q1 func_block_dgm_lvs543.gifFigure 18. Equivalent Schematic
TL431LI-Q1 TL432LI-Q1 simplified_schematic.gifFigure 19. Detailed Schematic