ZHCSX73C August 2006 – October 2024
PRODUCTION DATA
The error-amplifier configuration circuit is shown in Figure 7-1.

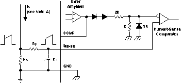
The current-sense circuit is shown in Figure 7-2.

The oscillator frequency is set using the circuit shown in Figure 7-3. The frequency is calculated as:
f = 1 / RTCT
For RT > 5 kΩ:
f ≉ 1.72 / RTCT
Figure 7-3 Oscillator Section