ZHCSKF1 October   2019 THVD1520

PRODUCTION DATA.  

  1. 特性
  2. 应用
  3. 说明
    1.     Device Images
      1.      简化原理图
  4. 修订历史记录
  5. Pin Configuration and Functions
    1.     Pin Functions
  6. Specifications
    1. 6.1 Absolute Maximum Ratings
    2. 6.2 ESD Ratings
    3. 6.3 ESD Ratings [IEC]
    4. 6.4 Recommended Operating Conditions
    5. 6.5 Thermal Information
    6. 6.6 Electrical Characteristics
    7. 6.7 Power Dissipation Characteristics
    8. 6.8 Switching Characteristics
    9. 6.9 Typical Characteristics
  7. Parameter Measurement Information
  8. Detailed Description
    1. 8.1 Overview
    2. 8.2 Functional Block Diagrams
    3. 8.3 Feature Description
    4. 8.4 Device Functional Modes
  9. Application and Implementation
    1. 9.1 Application Information
    2. 9.2 Typical Application
      1. 9.2.1 Design Requirements
        1. 9.2.1.1 Data Rate and Bus Length
        2. 9.2.1.2 Stub Length
        3. 9.2.1.3 Bus Loading
        4. 9.2.1.4 Receiver Failsafe
        5. 9.2.1.5 Transient Protection
      2. 9.2.2 Detailed Design Procedure
      3. 9.2.3 Application Curves
  10. 10Power Supply Recommendations
  11. 11Layout
    1. 11.1 Layout Guidelines
    2. 11.2 Layout Example
  12. 12器件和文档支持
    1. 12.1 器件支持
    2. 12.2 第三方产品免责声明
    3. 12.3 接收文档更新通知
    4. 12.4 社区资源
    5. 12.5 商标
    6. 12.6 静电放电警告
    7. 12.7 Glossary
  13. 13机械、封装和可订购信息

封装选项

机械数据 (封装 | 引脚)
散热焊盘机械数据 (封装 | 引脚)
订购信息

Parameter Measurement Information

THVD1520 figure_1_SLLSEV1.gifFigure 7. Measurement of Driver Differential Output Voltage With Common-Mode Load
THVD1520 figure_2_SLLSEV1.gifFigure 8. Measurement of Driver Differential and Common-Mode Output With RS-485 Load
THVD1520 figure_3_SLLSEV1.gifFigure 9. Measurement of Driver Differential Output Rise and Fall Times and Propagation Delays
THVD1520 figure_4_SLLSEV1.gifFigure 10. Measurement of Driver Enable and Disable Times With Active High Output and Pull-Down Load
THVD1520 figure_5_SLLSEV1.gifFigure 11. Measurement of Driver Enable and Disable Times With Active Low Output and Pull-up Load
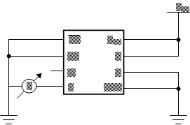
THVD1520 rx_impedance.gifFigure 12. Measurement of Bus Impedance
THVD1520 bus_impedance.gifFigure 13. Measurement of Receiver Output Short Circuit Current
THVD1520 figure_6_SLLSEV1.gifFigure 14. Measurement of Receiver Output Rise and Fall Times and Propagation Delays
THVD1520 figure_7_SLLSEV1.gifFigure 15. Measurement of Receiver Enable/Disable Times With Driver Enabled
THVD1520 figure_8_SLLSEV1.gifFigure 16. Measurement of Receiver Enable Times With Driver Disabled