ZHCSGQ1C September   2017  – December 2018 THVD1510 , THVD1512 , THVD1550 , THVD1551 , THVD1552

PRODUCTION DATA.  

  1. 特性
  2. 应用
  3. 说明
    1.     Device Images
      1.      THVD1510 和 THVD1550 简化原理图
      2.      THVD1551 简化原理图
      3.      THVD1512 和 THVD1552 简化原理图
  4. 修订历史记录
  5. Device Comparison Table
  6. Pin Configuration and Functions
    1.     Pin Functions
    2.     Pin Functions
    3.     Pin Functions
  7. Specifications
    1. 7.1 Absolute Maximum Ratings
    2. 7.2 ESD Ratings
    3. 7.3 Recommended Operating Conditions
    4. 7.4 Thermal Information
    5. 7.5 Power Dissipation
    6. 7.6 Electrical Characteristics
    7. 7.7 Switching Characteristics
    8. 7.8 Switching Characteristics
    9. 7.9 Typical Characteristics
  8. Parameter Measurement Information
  9. Detailed Description
    1. 9.1 Overview
    2. 9.2 Functional Block Diagrams
    3. 9.3 Feature Description
    4. 9.4 Device Functional Modes
      1. 9.4.1 Device Functional Modes for THVD1510 and THVD1550
      2. 9.4.2 Device Functional Modes for THVD1551
      3. 9.4.3 Device Functional Modes for THVD1512 and THVD1552
  10. 10Application and Implementation
    1. 10.1 Application Information
    2. 10.2 Typical Application
      1. 10.2.1 Design Requirements
        1. 10.2.1.1 Data Rate and Bus Length
        2. 10.2.1.2 Stub Length
        3. 10.2.1.3 Bus Loading
        4. 10.2.1.4 Receiver Failsafe
        5. 10.2.1.5 Transient Protection
      2. 10.2.2 Detailed Design Procedure
      3. 10.2.3 Application Curves
  11. 11Power Supply Recommendations
  12. 12Layout
    1. 12.1 Layout Guidelines
    2. 12.2 Layout Example
  13. 13器件和文档支持
    1. 13.1 器件支持
    2. 13.2 第三方产品免责声明
    3. 13.3 相关链接
    4. 13.4 接收文档更新通知
    5. 13.5 社区资源
    6. 13.6 商标
    7. 13.7 静电放电警告
    8. 13.8 术语表
  14. 14机械、封装和可订购信息

封装选项

请参考 PDF 数据表获取器件具体的封装图。

机械数据 (封装 | 引脚)
  • D|8
  • DGK|8
散热焊盘机械数据 (封装 | 引脚)
订购信息

Functional Block Diagrams

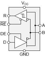
THVD1510 THVD1512 THVD1550 THVD1551 THVD1552 fbd_THVD1500_sllsev1.gifFigure 19. THVD1510 and THVD1550
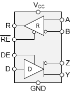
THVD1510 THVD1512 THVD1550 THVD1551 THVD1552 fbd_THVD1501_sllsev1.gifFigure 20. THVD1551
THVD1510 THVD1512 THVD1550 THVD1551 THVD1552 fbd_THVD1502_sllsev1.gifFigure 21. THVD1512 and THVD1552