SLOS547A November   2008  – November 2015 THS4509-Q1

PRODUCTION DATA.  

  1. Features
  2. Applications
  3. Description
  4. Revision History
  5. Pin Configuration and Functions
  6. Specifications
    1. 6.1 Absolute Maximum Ratings
    2. 6.2 ESD Ratings
    3. 6.3 Recommended Operating Conditions
    4. 6.4 Thermal Information
    5. 6.5 Electrical Characteristics: VS+ - VS- = 5 V
    6. 6.6 Electrical Characteristics: VS+ - VS- = 3 V
    7. 6.7 Typical Characteristics
      1. 6.7.1 Typical Characteristics: VS+ - VS- = 5 V
      2. 6.7.2 Typical Characteristics: VS+ - VS- = 3 V
  7. Detailed Description
    1. 7.1 Overview
    2. 7.2 Functional Block Diagram
    3. 7.3 Feature Description
    4. 7.4 Device Functional Modes
  8. Application and Implementation
    1. 8.1 Application Information
      1. 8.1.1 Test Circuits
        1. 8.1.1.1 Frequency Response
        2. 8.1.1.2 Distortion and 1-dB Compression
        3. 8.1.1.3 S-Parameter, Slew Rate, Transient Response, Settling Time, Output Impedance, Overdrive, Output Voltage, and Turn-On and Turn-Off Time
        4. 8.1.1.4 CM Input
        5. 8.1.1.5 CMRR and PSRR
      2. 8.1.2 Differential Input to Differential Output Amplifier
      3. 8.1.3 Single-Ended Input to Differential Output Amplifier
      4. 8.1.4 Input Common-Mode Voltage Range
      5. 8.1.5 Setting the Output Common-Mode Voltage
      6. 8.1.6 Single-Supply Operation (3 V to 5 V)
    2. 8.2 Typical Applications
      1. 8.2.1 THS4509-Q1 + ADS5500-EP Combined Performance
        1. 8.2.1.1 Design Requirements
        2. 8.2.1.2 Detailed Design Procedure
        3. 8.2.1.3 Application Curves
      2. 8.2.2 THS4509-Q1 + ADS5424-SP Combined Performance
        1. 8.2.2.1 Detailed Design Procedure
        2. 8.2.2.2 Application Curve
  9. Power Supply Recommendations
  10. 10Layout
    1. 10.1 Layout Guidelines
      1. 10.1.1 THS4509-Q1 EVM
      2. 10.1.2 EVM Warnings and Restrictions
    2. 10.2 Layout Example
  11. 11Device and Documentation Support
    1. 11.1 Documentation Support
      1. 11.1.1 Related Documentation
    2. 11.2 Community Resources
    3. 11.3 Trademarks
    4. 11.4 Electrostatic Discharge Caution
    5. 11.5 Glossary
  12. 12Mechanical, Packaging, and Orderable Information

封装选项

机械数据 (封装 | 引脚)
散热焊盘机械数据 (封装 | 引脚)
订购信息

10 Layout

10.1 Layout Guidelines

TI recommends following the layout of the external components near the amplifier, ground plane construction, and power routing of the EVM as closely as possible. General guidelines are:

  1. Signal routing should be direct and as short as possible into and out of the op amp circuit.
  2. The feedback path should be short and direct avoiding vias.
  3. Ground or power planes should be removed from directly under the amplifier’s input and output pins.
  4. An output resistor is recommended on each output, as near to the output pin as possible.
  5. Two 10-μF and two 0.1-μF power-supply decoupling capacitors should be placed as near to the power-supply pins as possible.
  6. Two 0.1-μF capacitors should be placed between the CM input pins and ground. This limits noise coupled into the pins. One each should be placed to ground near pin 4 and pin 9.
  7. It is recommended to split the ground pane on layer 2 (L2) and to use a solid ground on layer 3 (L3). A single-point connection should be used between each split section on L2 and L3.
  8. A single-point connection to ground on L2 is recommended for the input termination resistors R1 and R2. This should be applied to the input gain resistors if termination is not used.
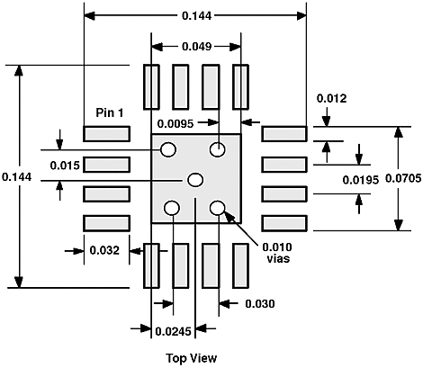
  9. The THS4509-Q1 recommended PCB footprint is shown in Figure 94.
THS4509-Q1 p_pad_pat_los547.gif Figure 94. QFN Etch and Via Pattern

10.1.1 THS4509-Q1 EVM

Figure 95 is the THS4509-Q1 EVAL1 EVM schematic, layers 1 through 4 of the PCB are shown in Figure 96, and Table 6 is the bill of material for the EVM as supplied from TI.

THS4509-Q1 evl1_sch_los547.gif Figure 95. THS4509-Q1 EVAL1 EVM Schematic

Table 6. THS4509-Q1 EVAL1 EVM Bill Of Materials

ITEM DESCRIPTION SMD
SIZE
REFERENCE
DESIGNATOR
PCB
QTY
MANUFACTURER'S
PART NUMBER
1 CAPACITOR, 10 µF, ceramic, X5R, 6.3 V 0805 C3, C4, C5, C6 4 (AVX) 08056D106KAT2A
2 CAPACITOR, 0.1 µF, ceramic, X5R, 10 V 0402 C9, C10, C11, C12, C13, C14 6 (AVX) 0402ZD104KAT2A
3 CAPACITOR, 0.22 µF, ceramic, X5R, 6.3 V 0402 C15 1 (AVX) 04026D224KAT2A
4 OPEN 0402 C1, C2, C7, C8 4
5 OPEN 0402 R9, R10 2
6 Resistor, 49.9 Ω, 1/16 W, 1% 0402 R12 1 (KOA) RK73H1ETTP49R9F
8 Resistor, 69.8 Ω, 1/16 W, 1% 0402 R1, R2, R11 3 (KOA) RK73H1ETTP69R8F
9 Resistor, 86.6 Ω, 1/16 W, 1% 0402 R7, R8 2 (KOA) RK73H1ETTP86R6F
10 Resistor, 100 Ω, 1/16 W, 1% 0402 R3, R4 2 (KOA) RK73H1ETTP1000F
11 Resistor, 348 Ω, 1/16 W, 1% 0402 R5, R6 2 (KOA) RK73H1ETTP3480F
12 Transformer, RF T1 1 (MINI-CIRCUITS) ADT1-1WT
13 Jack, banana receptacle,
0.25" diameter hole
J4, J5, J6 3 (HH SMITH) 101
14 OPEN J1, J7, J8 3
15 Connector, edge, SMA PCB jack J2, J3 2 (JOHNSON) 142-0701-801
16 Test point, red TP1, TP2, TP3 3 (KEYSTONE) 5000
17 IC, THS4509 U1 1 (TI) THS4509RGT
18 Standoff, 4-40 HEX, 0.625" length 4 (KEYSTONE) 1808
19 Screw, phillips, 4-40, 0.250" 4 SHR-0440-016-SN
20 Printed-circuit-board 1 (TI) EDGE# 6468901

10.1.2 EVM Warnings and Restrictions

It is important to operate this EVM within the input and output voltage ranges below:

  • Input Range, VI: 3 V to 6 V not to exceed VS+ or VS-
  • Output range, VO: 3 V to 6 V not to exceed VS+ or VS-

Exceeding the specified input range may cause unexpected operation and/or irreversible damage to the EVM. If there are questions concerning the input range, please contact a TI field representative prior to connecting the input power.

Applying loads outside of the specified output range may result in unintended operation and/or possible permanent damage to the EVM. Please consult the product data sheet or EVM user's guide (if user's guide is available) prior to connecting any load to the EVM output. If there is uncertainty as to the load specification, please contact a TI field representative.

During normal operation, some circuit components may have case temperatures greater than 30°C. The EVM is designed to operate properly with certain components above 50°C as long as the input and output ranges are maintained. These components include but are not limited to linear regulators, switching transistors, pass transistors, and current sense resistors. These types of devices can be identified using the EVM schematic located in the material provided. When placing measurement probes near these devices during operation, please be aware that these devices may be very warm to the touch.

10.2 Layout Example

THS4509-Q1 lay1_4_los547.png Figure 96. THS4509-Q1 EVAL1 EVM Layer 1 Through 4