ZHCSJB8 February   2019 TAS6424M-Q1

PRODUCTION DATA.  

  1. 特性
  2. 应用
  3. 说明
    1.     PCB 区域
  4. 修订历史记录
  5. 说明(续)
  6. Device Options
  7. Pin Configuration and Functions
    1.     Pin Functions
  8. Specifications
    1. 8.1 Absolute Maximum Ratings
    2. 8.2 ESD Ratings
    3. 8.3 Recommended Operating Conditions
    4. 8.4 Thermal Information
    5. 8.5 Electrical Characteristics
    6. 8.6 Timing Requirements
    7. 8.7 Typical Characteristics
  9. Parameter Measurement Information
  10. 10Detailed Description
    1. 10.1 Overview
    2. 10.2 Functional Block Diagram
    3. 10.3 Feature Description
      1. 10.3.1  Serial Audio Port
        1. 10.3.1.1 I2S Mode
        2. 10.3.1.2 Left-Justified Timing
        3. 10.3.1.3 Right-Justified Timing
        4. 10.3.1.4 TDM Mode
        5. 10.3.1.5 Supported Clock Rates
        6. 10.3.1.6 Audio-Clock Error Handling
      2. 10.3.2  High-Pass Filter
      3. 10.3.3  Volume Control and Gain
      4. 10.3.4  High-Frequency Pulse-Width Modulator (PWM)
      5. 10.3.5  Gate Drive
      6. 10.3.6  Power FETs
      7. 10.3.7  Load Diagnostics
        1. 10.3.7.1 DC Load Diagnostics
        2. 10.3.7.2 Line Output Diagnostics
        3. 10.3.7.3 AC Load Diagnostics
          1. 10.3.7.3.1 Impedance Magnitude Measurement
          2. 10.3.7.3.2 Impedance Phase Reference Measurement
          3. 10.3.7.3.3 Impedance Phase Measurement
      8. 10.3.8  Protection and Monitoring
        1. 10.3.8.1 Overcurrent Limit (ILIMIT)
        2. 10.3.8.2 Overcurrent Shutdown (ISD)
        3. 10.3.8.3 DC Detect
        4. 10.3.8.4 Clip Detect
        5. 10.3.8.5 Global Overtemperature Warning (OTW), Overtemperature Shutdown (OTSD)
        6. 10.3.8.6 Channel Overtemperature Warning [OTW(i)] and Shutdown [OTSD(i)]
        7. 10.3.8.7 Undervoltage (UV) and Power-On-Reset (POR)
        8. 10.3.8.8 Overvoltage (OV) and Load Dump
      9. 10.3.9  Power Supply
        1. 10.3.9.1 Vehicle-Battery Power-Supply Sequence
        2. 10.3.9.2 Boosted Power-Supply Sequence
      10. 10.3.10 Hardware Control Pins
        1. 10.3.10.1 FAULT
        2. 10.3.10.2 WARN
        3. 10.3.10.3 MUTE
        4. 10.3.10.4 STANDBY
    4. 10.4 Device Functional Modes
      1. 10.4.1 Operating Modes and Faults
    5. 10.5 Programming
      1. 10.5.1 I2C Serial Communication Bus
      2. 10.5.2 I2C Bus Protocol
      3. 10.5.3 Random Write
      4. 10.5.4 Sequential Write
      5. 10.5.5 Random Read
      6. 10.5.6 Sequential Read
    6. 10.6 Register Maps
      1. 10.6.1  Mode Control Register (address = 0x00) [default = 0x00]
        1. Table 10. Mode Control Field Descriptions
      2. 10.6.2  Miscellaneous Control 1 Register (address = 0x01) [default = 0x32]
        1. Table 11. Misc Control 1 Field Descriptions
      3. 10.6.3  Miscellaneous Control 2 Register (address = 0x02) [default = 0x62]
        1. Table 12. Misc Control 2 Field Descriptions
      4. 10.6.4  SAP Control (Serial Audio-Port Control) Register (address = 0x03) [default = 0x04]
        1. Table 13. SAP Control Field Descriptions
      5. 10.6.5  Channel State Control Register (address = 0x04) [default = 0x55]
        1. Table 14. Channel State Control Field Descriptions
      6. 10.6.6  Channel 1 Through 4 Volume Control Registers (address = 0x05–0x08) [default = 0xCF]
        1. Table 15. Ch x Volume Control Field Descriptions
      7. 10.6.7  DC Load Diagnostic Control 1 Register (address = 0x09) [default = 0x00]
        1. Table 16. DC Load Diagnostics Control 1 Field Descriptions
      8. 10.6.8  DC Load Diagnostic Control 2 Register (address = 0x0A) [default = 0x11]
        1. Table 17. DC Load Diagnostics Control 2 Field Descriptions
      9. 10.6.9  DC Load Diagnostic Control 3 Register (address = 0x0B) [default = 0x11]
        1. Table 18. DC Load Diagnostics Control 3 Field Descriptions
      10. 10.6.10 DC Load Diagnostic Report 1 Register (address = 0x0C) [default = 0x00]
        1. Table 19. DC Load Diagnostics Report 1 Field Descriptions
      11. 10.6.11 DC Load Diagnostic Report 2 Register (address = 0x0D) [default = 0x00]
        1. Table 20. DC Load Diagnostics Report 2 Field Descriptions
      12. 10.6.12 DC Load Diagnostics Report 3 Line Output Register (address = 0x0E) [default = 0x00]
        1. Table 21. DC Load Diagnostics Report 3 Line Output Field Descriptions
      13. 10.6.13 Channel State Reporting Register (address = 0x0F) [default = 0x55]
        1. Table 22. State-Reporting Field Descriptions
      14. 10.6.14 Channel Faults (Overcurrent, DC Detection) Register (address = 0x10) [default = 0x00]
        1. Table 23. Channel Faults Field Descriptions
      15. 10.6.15 Global Faults 1 Register (address = 0x11) [default = 0x00]
        1. Table 24. Global Faults 1 Field Descriptions
      16. 10.6.16 Global Faults 2 Register (address = 0x12) [default = 0x00]
        1. Table 25. Global Faults 2 Field Descriptions
      17. 10.6.17 Warnings Register (address = 0x13) [default = 0x20]
        1. Table 26. Warnings Field Descriptions
      18. 10.6.18 Pin Control Register (address = 0x14) [default = 0x00]
        1. Table 27. Pin Control Field Descriptions
      19. 10.6.19 AC Load Diagnostic Control 1 Register (address = 0x15) [default = 0x00]
        1. Table 28. AC Load Diagnostic Control 1 Field Descriptions
      20. 10.6.20 AC Load Diagnostic Control 2 Register (address = 0x16) [default = 0x00]
        1. Table 29. AC Load Diagnostic Control 2 Field Descriptions
      21. 10.6.21 AC Load Diagnostic Impedance Report Ch1 through CH4 Registers (address = 0x17–0x1A) [default = 0x00]
        1. Table 30. Chx AC LDG Impedance Report Field Descriptions
      22. 10.6.22 AC Load Diagnostic Phase Report High Register (address = 0x1B) [default = 0x00]
        1. Table 31. AC LDG Phase High Report Field Descriptions
      23. 10.6.23 AC Load Diagnostic Phase Report Low Register (address = 0x1C) [default = 0x00]
        1. Table 32. AC LDG Phase Low Report Field Descriptions
      24. 10.6.24 AC Load Diagnostic STI Report High Register (address = 0x1D) [default = 0x00]
        1. Table 33. AC LDG STI High Report Field Descriptions
      25. 10.6.25 AC Load Diagnostic STI Report Low Register (address = 0x1E) [default = 0x00]
        1. Table 34. Chx AC LDG STI Low Report Field Descriptions
      26. 10.6.26 Miscellaneous Control 3 Register (address = 0x21) [default = 0x00]
        1. Table 35. Misc Control 3 Field Descriptions
      27. 10.6.27 Clip Control Register (address = 0x22) [default = 0x01]
        1. Table 36. Clip Control Field Descriptions
      28. 10.6.28 Clip Window Register (address = 0x23) [default = 0x14]
        1. Table 37. Clip Window Field Descriptions
      29. 10.6.29 Clip Warning Register (address = 0x24) [default = 0x00]
        1. Table 38. Clip Warning Field Descriptions
      30. 10.6.30 ILIMIT Status Register (address = 0x25) [default = 0x00]
        1. Table 39. ILIMIT Status Field Descriptions
      31. 10.6.31 Miscellaneous Control 4 Register (address = 0x26) [default = 0x40]
        1. Table 40. Misc Control 4 Field Descriptions
  11. 11Application and Implementation
    1. 11.1 Application Information
      1. 11.1.1 AM-Radio Band Avoidance
      2. 11.1.2 Parallel BTL Operation (PBTL)
      3. 11.1.3 Demodulation Filter Design
      4. 11.1.4 Line Driver Applications
    2. 11.2 Typical Applications
      1. 11.2.1 BTL Application
        1. 11.2.1.1 Design Requirements
        2. 11.2.1.2 Communication
        3. 11.2.1.3 Detailed Design Procedure
          1. 11.2.1.3.1 Hardware Design
          2. 11.2.1.3.2 Digital Input and the Serial Audio Port
          3. 11.2.1.3.3 Bootstrap Capacitors
          4. 11.2.1.3.4 Output Reconstruction Filter
        4. 11.2.1.4 Application Curves
      2. 11.2.2 PBTL Application
        1. 11.2.2.1 Design Requirements
          1. 11.2.2.1.1 Detailed Design Procedure
        2. 11.2.2.2 Application Curves
  12. 12Power Supply Recommendations
  13. 13Layout
    1. 13.1 Layout Guidelines
      1. 13.1.1 Electrical Connection of Thermal pad and Heat Sink
      2. 13.1.2 EMI Considerations
      3. 13.1.3 General Guidelines
    2. 13.2 Layout Example
    3. 13.3 Thermal Considerations
  14. 14器件和文档支持
    1. 14.1 文档支持
      1. 14.1.1 相关文档
    2. 14.2 接收文档更新通知
    3. 14.3 社区资源
    4. 14.4 商标
    5. 14.5 静电放电警告
    6. 14.6 术语表
  15. 15机械、封装和可订购信息

封装选项

机械数据 (封装 | 引脚)
散热焊盘机械数据 (封装 | 引脚)
订购信息

Audio-Clock Error Handling

When any kind of clock error, MCLK-FSYNC or SCLK-FSYNC ratio, or clock halt is detected, the device puts all channels into the Hi-Z state. When all audio clocks are within the expected range, the device automatically returns to the state it was in. See the Timing Requirements table for timing requirements.

TAS6424M-Q1 td_serial-audio_slos870.gifFigure 32. Serial Audio Timing
TAS6424M-Q1 aud_data_format_lj_slos870.gifFigure 33. Left-Justified Audio Data Format
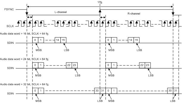
TAS6424M-Q1 aud_data_format_i2s_slos870.gifFigure 34. I2S Audio Data Format
TAS6424M-Q1 aud_data_format_TDM_S_slos870.gifFigure 35. TDM8 Audio Data Format