ZHCSB67B April   2013  – April 2015 TAS5558

PRODUCTION DATA.  

  1. 特性
  2. 应用
  3. 说明
  4. 修订历史记录
  5. Pin Configuration and Functions
  6. Specifications
    1. 6.1  Absolute Maximum Ratings
    2. 6.2  ESD Ratings
    3. 6.3  Recommended Operating Conditions
    4. 6.4  Thermal Information
    5. 6.5  Electrical Characteristics
    6. 6.6  Dynamic Performance
    7. 6.7  SRC Performance
    8. 6.8  Timing I2C Serial Control Port Operation
    9. 6.9  Reset Timing (RESET)
    10. 6.10 Power-Down (PDN) Timing
    11. 6.11 Back-End Error (BKND_ERR)
    12. 6.12 Mute Timing (MUTE)
    13. 6.13 Headphone Select (HP_SEL)
    14. 6.14 Switching Characteristics - Clock Signals
    15. 6.15 Switching Characteristics - Serial Audio Port
    16. 6.16 Volume Control
    17. 6.17 Typical Characteristics
  7. Detailed Description
    1. 7.1 Overview
    2. 7.2 Functional Block Diagram
    3. 7.3 Feature Description
      1. 7.3.1 Serial Audio Interface Control and Timing
        1. 7.3.1.1 Input I2S Timing
        2. 7.3.1.2 Left-Justified Timing
        3. 7.3.1.3 Right-Justified Timing
      2. 7.3.2 OUTPUT Serial Audio Output
      3. 7.3.3 I2S Master Mode
      4. 7.3.4 LRCKO and SCLKO
      5. 7.3.5 PWM Features
        1. 7.3.5.1 DC Blocking (High-Pass Filter Enable/Disable)
        2. 7.3.5.2 AM Interference Avoidance
      6. 7.3.6 TAS5558 Controls and Status
        1. 7.3.6.1 I2C Status Registers
          1. 7.3.6.1.1 General Status Register (0x01)
          2. 7.3.6.1.2 Error Status Register (0x02)
        2. 7.3.6.2 TAS5558 Pin Controls
          1. 7.3.6.2.1 Reset (RESET)
          2. 7.3.6.2.2 Power Down (PDN)
          3. 7.3.6.2.3 Back-End Error (BKND_ERR)
            1. 7.3.6.2.3.1 BKND_ERR and VALID
          4. 7.3.6.2.4 Speaker/Headphone Selector (HP_SEL)
          5. 7.3.6.2.5 Mute (MUTE)
          6. 7.3.6.2.6 Power-Supply Volume Control (PSVC)
    4. 7.4 Device Functional Modes
      1. 7.4.1  Power Supply
      2. 7.4.2  Clock, PLL, and Serial Data Interface
      3. 7.4.3  Serial Audio Interface
      4. 7.4.4  I 2C Serial-Control Interface
      5. 7.4.5  Device Control
      6. 7.4.6  Energy Manager
      7. 7.4.7  Digital Audio Processor (DAP)
        1. 7.4.7.1 TAS5558 Audio-Processing Configurations
        2. 7.4.7.2 TAS5558 Audio-Processing Feature Sets
      8. 7.4.8  Pulse Width Modulation Schemes
      9. 7.4.9  TAS5558 DAP Architecture Diagrams
      10. 7.4.10 I 2C Coefficient Number Formats
        1. 7.4.10.1 Digital Audio Processor (DAP) Arithmetic Unit
        2. 7.4.10.2 28-Bit 5.23 Number Format
        3. 7.4.10.3 TAS5558 Audio Processing
      11. 7.4.11 Input Crossbar Mixer
      12. 7.4.12 Biquad Filters
      13. 7.4.13 Bass and Treble Controls
      14. 7.4.14 Volume, Automute, and Mute
      15. 7.4.15 Loudness Compensation
        1. 7.4.15.1 Loudness Example
      16. 7.4.16 Dynamic Range Control (DRC)
        1. 7.4.16.1 DRC Implementation
        2. 7.4.16.2 Compression/Expansion Coefficient Computation Engine Parameters
          1. 7.4.16.2.1 Threshold Parameter Computation
          2. 7.4.16.2.2 Offset Parameter Computation
          3. 7.4.16.2.3 Slope Parameter Computation
      17. 7.4.17 THD Manager
      18. 7.4.18 Downmix Algorithm and I2S Out
      19. 7.4.19 Stereo Downmixes/(or Fold-Downs)
        1. 7.4.19.1 Left Total/Right Total (Lt/Rt)
        2. 7.4.19.2 Left Only/Right Only (Lo/Ro)
      20. 7.4.20 Output Mixer
      21. 7.4.21 Device Configuration Controls
        1. 7.4.21.1 Channel Configuration
        2. 7.4.21.2 Headphone Configuration Registers
        3. 7.4.21.3 Audio System Configurations
          1. 7.4.21.3.1 Using Line Outputs in 6-Channel Configurations
        4. 7.4.21.4 Recovery from Clock Error
        5. 7.4.21.5 Power-Supply Volume-Control Enable
        6. 7.4.21.6 Volume and Mute Update Rate
        7. 7.4.21.7 Modulation Index Limit
      22. 7.4.22 Master Clock and Serial Data Rate Controls
        1. 7.4.22.1 192kHz Native Processing Mode
        2. 7.4.22.2 Supported MCLK Frequencies on the TAS5558
        3. 7.4.22.3 PLL Operation
        4. 7.4.22.4 MCLK Ratio Auto Detection
      23. 7.4.23 Bank Controls (ASRC Bypass only)
        1. 7.4.23.1 Manual Bank Selection
        2. 7.4.23.2 Automatic Bank Selection
          1. 7.4.23.2.1 Coefficient Write Operations While Automatic Bank Switch Is Enabled
        3. 7.4.23.3 Bank Set
        4. 7.4.23.4 Bank-Switch Timeline
        5. 7.4.23.5 Bank-Switching Example 1
    5. 7.5 Programming
      1. 7.5.1 I2C Serial-Control Interface (Slave Addresses 0x36)
        1. 7.5.1.1 General I2C Operation
        2. 7.5.1.2 Single- and Multiple-Byte Transfers
        3. 7.5.1.3 Single-Byte Write
        4. 7.5.1.4 Multiple-Byte Write
        5. 7.5.1.5 Incremental Multiple-Byte Write
        6. 7.5.1.6 Single-Byte Read
        7. 7.5.1.7 Multiple-Byte Read
    6. 7.6 Register Maps
      1. 7.6.1 Serial-Control I2C Register Summary
      2. 7.6.2 Serial-Control Interface Register Definitions
        1. 7.6.2.1  Clock Control Register (0x00)
        2. 7.6.2.2  General Status Register 0 (0x01)
        3. 7.6.2.3  Error Status Register (0x02)
        4. 7.6.2.4  System Control Register 1 (0x03)
        5. 7.6.2.5  System Control Register 2 (0x04)
        6. 7.6.2.6  Channel Configuration Control Registers (0x05-0x0C)
        7. 7.6.2.7  Headphone Configuration Control Register (0x0D)
        8. 7.6.2.8  Serial Data Interface Control Register (0x0E)
        9. 7.6.2.9  Soft Mute Register (0x0F)
        10. 7.6.2.10 Energy Manager Status Register (0x10)
        11. 7.6.2.11 Automute Control Register (0x14)
        12. 7.6.2.12 Output Automute PWM Threshold and Back-End Reset Period Register (0x15)
        13. 7.6.2.13 Modulation Index Limit Register (0x16, 0x17, 0x18, 0x19)
        14. 7.6.2.14 AD Mode - 8 Interchannel Channel Delay and Global Offset Registers (0x1B to 0x23)
        15. 7.6.2.15 Special Low Z and Mid Z Ramp/Stop Period (0x24)
        16. 7.6.2.16 PWM and EMO Control Register (0x25)
        17. 7.6.2.17 Individual Channel Shutdown (0x27)
        18. 7.6.2.18 Input Mux Registers (0x30, 0x31, 0x32, 0x33)
        19. 7.6.2.19 PWM Mux Registers (0x34, 0x35, 0x36, 0x37)
        20. 7.6.2.20 BD Mode and Ternary - 8 Interchannel Channel Delay (0x38 to 0x3F)
        21. 7.6.2.21 Bank-Switching Command Register (0x40) (TAS5558 + ASRC Bypass)
        22. 7.6.2.22 Input Mixer Registers, Channels 1-8 (0x41-0x48)
        23. 7.6.2.23 Bass Mixer Registers (0x49-0x50)
        24. 7.6.2.24 Biquad Filter Register (0x51-0x88)
        25. 7.6.2.25 Bass and Treble Register, Channels 1-8 (0x89-0x90)
        26. 7.6.2.26 Loudness Registers (0x91-0x95)
        27. 7.6.2.27 DRC1 Control Register CH1-7 (0x96) - Write
        28. 7.6.2.28 DRC2 Control Register CH8 (0x97) - Write Register
        29. 7.6.2.29 DRC1 Data Registers (0x98-0x9C)
        30. 7.6.2.30 DRC2 Data Registers (0x9D-0xA1)
        31. 7.6.2.31 DRC Bypass Registers (0xA2-0xA9)
        32. 7.6.2.32 Output Select and Mix Registers 8x2 (0x-0xAF)
        33. 7.6.2.33 8×3 Output Mixer Registers (0xB0-0xB1)
        34. 7.6.2.34 ASRC Registers (0xC3-C5)
        35. 7.6.2.35 Auto Mute Behavior (0xCC)
        36. 7.6.2.36 PSVC Volume Biquad Register (0xCF)
        37. 7.6.2.37 Volume, Treble, and Bass Slew Rates Register (0xD0)
        38. 7.6.2.38 Volume Registers (0xD1-0xD9)
        39. 7.6.2.39 Bass Filter Set Register (0xDA)
        40. 7.6.2.40 Bass Filter Index Register (0xDB)
        41. 7.6.2.41 Treble Filter Set Register (0xDC)
        42. 7.6.2.42 Treble Filter Index (0xDD)
        43. 7.6.2.43 AM Mode Register (0xDE)
        44. 7.6.2.44 PSVC Range Register (0xDF)
        45. 7.6.2.45 General Control Register (0xE0)
        46. 7.6.2.46 96kHz Dolby Downmix Coefficients (0xE3 to 0xE8)
        47. 7.6.2.47 THD Manager Configuration (0xE9 and 0xEA)
        48. 7.6.2.48 SDIN5 Input Mixer (0xEC-0xF3)
        49. 7.6.2.49 192kHZ Process Flow Output Mixer (0xF4-0xF7)
        50. 7.6.2.50 192kHz Dolby Downmix Coefficients (0xFB and 0xFC)
  8. Application and Implementation
    1. 8.1 Application Information
    2. 8.2 Typical Applications
      1. 8.2.1 TAS5558 DVD Receiver Application
        1. 8.2.1.1 Design Requirements
        2. 8.2.1.2 Detailed Design Procedure
        3. 8.2.1.3 Application Curves
      2. 8.2.2 Serial Port Master/Slave Configurations
        1. 8.2.2.1 Design Requirements
        2. 8.2.2.2 Detailed Design Procedure
        3. 8.2.2.3 Application Curves
      3. 8.2.3 Device System Diagrams
        1. 8.2.3.1 Design Requirements
        2. 8.2.3.2 Detailed Design Procedure
        3. 8.2.3.3 Application Curves
    3. 8.3 Do’s and Don’ts
      1. 8.3.1 Frequency Scaling AM Avoidance
    4. 8.4 Initialization Set Up
      1. 8.4.1 Startup Register Writes to get Audio Functioning
  9. Power Supply Recommendations
    1. 9.1 Power Supply
    2. 9.2 Energy Manager
    3. 9.3 Programming Energy Manager
  10. 10Layout
    1. 10.1 Layout Guidelines
    2. 10.2 Layout Example
  11. 11器件和文档支持
    1. 11.1 文档支持
      1. 11.1.1 相关文档
    2. 11.2 商标
    3. 11.3 静电放电警告
    4. 11.4 术语表
  12. 12机械封装和可订购信息

封装选项

机械数据 (封装 | 引脚)
散热焊盘机械数据 (封装 | 引脚)
订购信息

10 Layout

10.1 Layout Guidelines

  • The TAS5558 uses the PCB as a heat sink; therefore, the PowerPAD must be soldered to the PCB, and adequate copper areas and copper vias connecting the top, bottom, and internal layers should be used.
  • Decoupling capacitors should be placed as close to the DVDD1_CORE, DVDD2_CORE, VR_DIG, AVDD_PWM and AVDD as possible. These decoupling capacitors should also have a path through the GND plane back to the power pad, as shown by the blue area in the layout example in Figure 53.
  • A single common GND plane between AGND and DGND is recommended to avoid a potential voltage difference between them. Multiple vias from the TAS5558 PowerPAD should be connected to GND with a large copper pad as well as vias to all GND planes.
  • Further guidelines can be found on the layout example in Figure 53.
  • A more detailed example of the PCB layout can be found in the TAS5548EVM User's Guide (SLOU351).

10.2 Layout Example

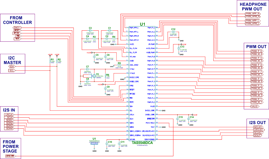
TAS5558 TAS5558_layout.gifFigure 53. TAS5558 Layout Example
TAS5558 5548refsch_les270.gifFigure 54. Recommended External Components