ZHCSEH3B December   2015  – September 2018 TAS5411-Q1

PRODUCTION DATA.  

  1. 特性
  2. 应用
  3. 说明
    1.     Device Images
      1.      简化框图
      2.      效率
  4. 修订历史记录
  5. Device Comparison Table
  6. Pin Configuration and Functions
    1.     Pin Functions
  7. Specifications
    1. 7.1 Absolute Maximum Ratings
    2. 7.2 ESD Ratings
    3. 7.3 Recommended Operating Conditions
    4. 7.4 Thermal Information
    5. 7.5 Electrical Characteristics
    6. 7.6 Timing Requirements for I2C Interface Signals
    7. 7.7 Typical Characteristics
  8. Parameter Measurement Information
  9. Detailed Description
    1. 9.1 Overview
    2. 9.2 Functional Block Diagram
    3. 9.3 Feature Description
      1. 9.3.1 Analog Audio Input and Preamplifier
      2. 9.3.2 Pulse-Width Modulator (PWM)
      3. 9.3.3 Gate Drive
      4. 9.3.4 Power FETs
      5. 9.3.5 Load Diagnostics
        1. 9.3.5.1 Load Diagnostics Sequence
        2. 9.3.5.2 Faults During Load Diagnostics
      6. 9.3.6 Protection and Monitoring
      7. 9.3.7 I2C Serial Communication Bus
        1. 9.3.7.1 I2C Bus Protocol
        2. 9.3.7.2 Random Write
        3. 9.3.7.3 Random Read
        4. 9.3.7.4 Sequential Read
    4. 9.4 Device Functional Modes
      1. 9.4.1 Hardware Control Pins
      2. 9.4.2 EMI Considerations
      3. 9.4.3 Operating Modes and Faults
    5. 9.5 Register Maps
  10. 10Application and Implementation
    1. 10.1 Application Information
    2. 10.2 Typical Application
      1. 10.2.1 Design Requirements
        1. 10.2.1.1 Amplifier Output Filtering
        2. 10.2.1.2 Amplifier Output Snubbers
        3. 10.2.1.3 Bootstrap Capacitors
        4. 10.2.1.4 Analog Audio Input Filter
      2. 10.2.2 Detailed Design Procedure
        1. 10.2.2.1 Unused Pin Connections
          1. 10.2.2.1.1 MUTE Pin
          2. 10.2.2.1.2 STANDBY Pin
          3. 10.2.2.1.3 I2C Pins (SDA and SCL)
          4. 10.2.2.1.4 Terminating Unused Outputs
          5. 10.2.2.1.5 Using a Single-Ended Audio Input
      3. 10.2.3 Application Curves
  11. 11Power Supply Recommendations
  12. 12Layout
    1. 12.1 Layout Guidelines
    2. 12.2 Layout Examples
      1. 12.2.1 Top Layer
      2. 12.2.2 Second Layer – Signal Layer
      3. 12.2.3 Third Layer – Power Layer
      4. 12.2.4 Bottom Layer – Ground Layer
  13. 13器件和文档支持
    1. 13.1 器件支持
      1. 13.1.1 第三方产品免责声明
    2. 13.2 文档支持
      1. 13.2.1 相关文档
    3. 13.3 接收文档更新通知
    4. 13.4 社区资源
    5. 13.5 商标
    6. 13.6 静电放电警告
    7. 13.7 术语表
  14. 14机械、封装和可订购信息

封装选项

机械数据 (封装 | 引脚)
散热焊盘机械数据 (封装 | 引脚)
订购信息

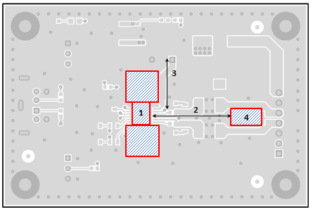
Top Layer

The red boxes around number 1 are the copper ground on the top layer. Soldered directly to the thermal pad, this ground is the first significant thermal dissipation needed. There are vias that go to the other layers for further thermal relief, but vias have high thermal resistance. TI recommends that use of this top layer be mostly for thermal dissipation. A further recommendation is short routes from output pins to the second-order LC filter for EMC suppression. The number 2 arrow indicates these short routes. The shorter the distance, the less EMC radiates. A short route from the PVDD pin to the LC filter from the battery or power source, as indicated by the number 3 arrow, also improves EMC suppression. The red box around number 4 indicates the ground plane that is common to both OUTP and OUTN. Place the capacitors of the LC filter in this common ground plane to help with common-mode noise and short ground loops.

TAS5411-Q1 Layer1_SLOS814.pngFigure 18. Top Layer