ZHCSE15F July   2015  – May 2018 SN65DP159 , SN75DP159

PRODUCTION DATA.  

  1. 特性
  2. 应用
  3. 说明
    1.     Device Images
      1.      DP159 母板应用结构
      2.      DP159 软件狗应用结构
  4. 修订历史记录
  5. 说明 (续)
  6. Pin Configuration and Functions
    1.     Pin Functions
  7. Specifications
    1. 7.1  Absolute Maximum Ratings
    2. 7.2  ESD Ratings
    3. 7.3  Recommended Operating Conditions
    4. 7.4  Thermal Information
    5. 7.5  Power Supply Electrical Characteristics
    6. 7.6  Differential Input Electrical Characteristics
    7. 7.7  HDMI and DVI TMDS Output Electrical Characteristics
    8. 7.8  AUX, DDC, and I2C Electrical Characteristics
    9. 7.9  HPD Electrical Characteristics
    10. 7.10 HDMI and DVI Main Link Switching Characteristics
    11. 7.11 AUX Switching Characteristics (Only for RGZ Package)
    12. 7.12 HPD Switching Characteristics
    13. 7.13 DDC and I2C Switching Characteristics
    14. 7.14 Typical Characteristics
  8. Parameter Measurement Information
  9. Detailed Description
    1. 9.1 Overview
    2. 9.2 Functional Block Diagram
    3. 9.3 Feature Description
      1. 9.3.1 Reset Implementation
      2. 9.3.2 Operation Timing
      3. 9.3.3 I2C-over-AUX to DDC Bridge (SNx5DP159 48-Pin Package Version Only)
      4. 9.3.4 Input Lane Swap and Polarity Working
      5. 9.3.5 Main Link Inputs
      6. 9.3.6 Main Link Inputs Debug Tools
      7. 9.3.7 Receiver Equalizer
      8. 9.3.8 Termination Impedance Control
      9. 9.3.9 TMDS Outputs
        1. 9.3.9.1 Pre-Emphasis/De-Emphasis
    4. 9.4 Device Functional Modes
      1. 9.4.1 Retimer Mode
      2. 9.4.2 Redriver Mode
      3. 9.4.3 DDC Training for HDMI2.0 Data Rate Monitor
      4. 9.4.4 DDC Functional Description
    5. 9.5 Register Maps
      1. 9.5.1 DP-HDMI Adaptor ID Buffer
      2. 9.5.2 Local I2C Interface Overview
      3. 9.5.3 I2C Control Behavior
      4. 9.5.4 I2C Control and Status Registers
        1. 9.5.4.1 Bit Access Tag Conventions
        2. 9.5.4.2 CSR Bit Field Definitions
          1. 9.5.4.2.1 ID Registers
          2. 9.5.4.2.2 Misc Control
          3. 9.5.4.2.3 HDMI Control
          4. 9.5.4.2.4 Equalization Control Register
          5. 9.5.4.2.5 EyeScan Control Register
  10. 10Application and Implementation
    1. 10.1 Application Information
      1. 10.1.1 Use Case of SNx5DP159
      2. 10.1.2 DDC Pullup Resistors
    2. 10.2 Typical Application
      1. 10.2.1 Design Requirements
      2. 10.2.2 Detailed Design Procedure
      3. 10.2.3 Application Curve
    3. 10.3 System Example
      1. 10.3.1 Compliance Testing
  11. 11Power Supply Recommendations
    1. 11.1 Power Management
  12. 12Layout
    1. 12.1 Layout Guidelines
    2. 12.2 Layout Examples
    3. 12.3 Thermal Considerations
  13. 13器件和文档支持
    1. 13.1 相关链接
    2. 13.2 文档支持
      1. 13.2.1 相关文档
    3. 13.3 接收文档更新通知
    4. 13.4 社区资源
    5. 13.5 商标
    6. 13.6 静电放电警告
    7. 13.7 术语表
  14. 14机械、封装和可订购信息

封装选项

机械数据 (封装 | 引脚)
散热焊盘机械数据 (封装 | 引脚)
订购信息

Use Case of SNx5DP159

SNx5DP159 can be used on the motherboard and dongle applications. The following use case diagrams show the connection of AUX and DDC between source side and sink side. The control pin pull up and pull down resistors are shown from reference. If a high is needed only use the pull up. If a low is needed only use the pull down. If mid level is to be selected do not use either resistors and leave the pin floating/No connect. The 6.5-KΩ Vsadj resistor value shown is explained further in the compliance section, for the RSB package.

The DP159 was defined to work in mainly in source applications such as gaming systems, Blu-Ray DVD player, Desktop, Notebook or VR. The following sections provide design consideration for various types of applications.

Figure 30 shows the original connection of SNx5DP159 on motherboard through the DDC channel. The DDC DR default is 100-kHz and is capable to adjust to 400-kHz.

SN65DP159 SN75DP159 sllsej2_figure30.gifFigure 30. Implementation for Motherboard 1

Figure 31 shows the connection for both DDC and AUX GPU connections with the SNx5DP159RGZ. Only one can be implemented at a time. Only the RGZ package supports the I2C-over-AUX implementation. The control pin pull up and pull down resistors are shown for reference. If a high is needed only use the pull up. If a low is needed only use the pull down. If mid level is to be selected do not use either resistors and leave the pin floating/No connect.

SN65DP159 SN75DP159 sllsej2_figure31.gif
Note 1: For applications where the GPU or Sink does not support clock stretching the DDC lines from the GPU/DP TX should bypass the SCL_SRC and SDA_SRC but still connect to the SCL_SNK and SDA_SNK pins on the DP159. The SCL_SRC and SDA_SRC pins must be pulled to ground. Note that if the GPU/DP TX cannot support the 5V DDC lines from the connector, a level shifter is needed to step down the 5V signals to the voltage level the GPU/DP TX can support.
Figure 31. Implementation for Motherboard 2

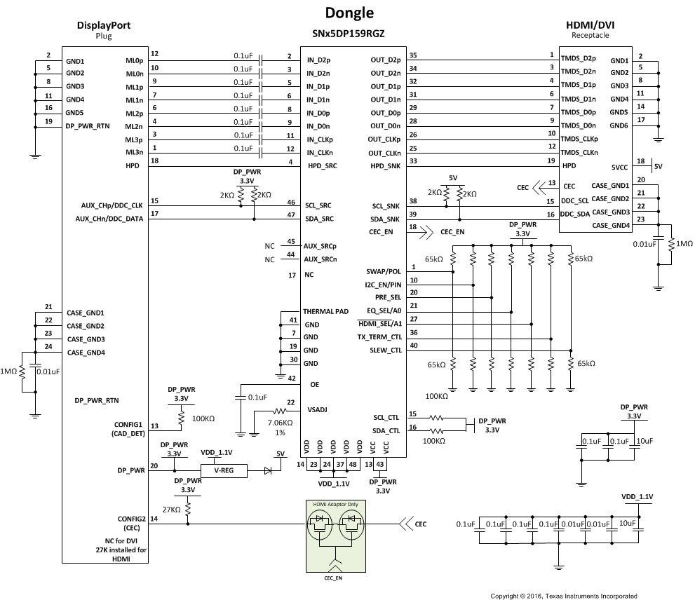
Figure 32 shows the SNx5DP159 in the dongle application. It uses the unified structure on DisplayPort connector. SNx5DP159 has to identify if the signal comes from DDC or from AUX in I2C-over-AUX format. Due to the AUX channel needed, use only the RGZ package for this application.

SN65DP159 SN75DP159 sllsej2_figure32.gifFigure 32. SNx5DP159 in Dongle Application