SDLS144D April   1985  – October 2016 SN54LS240 , SN54LS241 , SN54LS244 , SN54S240 , SN54S241 , SN54S244 , SN74LS240 , SN74LS241 , SN74LS244 , SN74S240 , SN74S241 , SN74S244

 

  1. Features
  2. Applications
  3. Description
  4. Revision History
  5. Pin Configuration and Functions
  6. Specifications
    1. 6.1 Absolute Maximum Ratings
    2. 6.2 ESD Ratings
    3. 6.3 Recommended Operating Conditions
    4. 6.4 Thermal Information
    5. 6.5 Electrical Characteristics - SNx4LS24x
    6. 6.6 Electrical Characteristics - SNx4S24x
    7. 6.7 Switching Characteristics - SNx4LS24x
    8. 6.8 Switching Characteristics - SNx4S24x
    9. 6.9 Typical Characteristics
  7. Parameter Measurement Information
    1. 7.1 SN54LS24x and SN74LS24x Devices
    2. 7.2 SN54S24x and SN74S24x Devices
  8. Detailed Description
    1. 8.1 Overview
    2. 8.2 Functional Block Diagrams
    3. 8.3 Feature Description
      1. 8.3.1 3-State Outputs
      2. 8.3.2 PNP Inputs
      3. 8.3.3 Hysteresis on Bus Inputs
    4. 8.4 Device Functional Modes
  9. Application and Implementation
    1. 9.1 Application Information
    2. 9.2 Typical Application
      1. 9.2.1 Design Requirements
      2. 9.2.2 Detailed Design Procedure
      3. 9.2.3 Application Curve
    3. 9.3 System Examples
  10. 10Power Supply Recommendations
  11. 11Layout
    1. 11.1 Layout Guidelines
    2. 11.2 Layout Example
  12. 12Device and Documentation Support
    1. 12.1 Related Links
    2. 12.2 Receiving Notification of Documentation Updates
    3. 12.3 Community Resource
    4. 12.4 Trademarks
    5. 12.5 Electrostatic Discharge Caution
    6. 12.6 Glossary
  13. 13Mechanical, Packaging, and Orderable Information

封装选项

机械数据 (封装 | 引脚)
散热焊盘机械数据 (封装 | 引脚)
订购信息

8 Detailed Description

8.1 Overview

This device is organized as two 4-bit buffers and drivers with separate output-enable (G) inputs. When G is low, the device passes data from the A inputs to the Y outputs. When G is high, the outputs are in the high impedance state. Inputs can be driven from either 3.3-V or 5-V devices. This feature allows the use of this device as a translator in a mixed 3.3-V and 5-V system environment. To ensure the high-impedance state during power up or power down, G must be tied to VCC through a pullup resistor; the minimum value of the resistor is determined by the current-sinking capability of the driver.

8.2 Functional Block Diagrams

SN54LS240 SN54LS241 SN54LS244 SN54S240 SN54S241 SN54S244 SN74LS240 SN74LS241 SN74LS244 SN74S240 SN74S241 SN74S244 logic_01_sdls144.gif
Pin numbers shown are for DB, DW, J, N, NS, and W packages
Figure 16. SNx4LS240 and SNx4S240
Logic Diagram
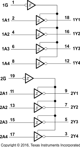
SN54LS240 SN54LS241 SN54LS244 SN54S240 SN54S241 SN54S244 SN74LS240 SN74LS241 SN74LS244 SN74S240 SN74S241 SN74S244 logic_02_sdls144.gif
Pin numbers shown are for DB, DW, J, N, NS, and W packages
Figure 17. SNx4LS241 and SNx4S241
Logic Diagram
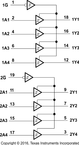
SN54LS240 SN54LS241 SN54LS244 SN54S240 SN54S241 SN54S244 SN74LS240 SN74LS241 SN74LS244 SN74S240 SN74S241 SN74S244 logic_03_sdls144.gif
Pin numbers shown are for DB, DW, J, N, NS, and W packages
Figure 18. SNx4LS244 and SNx4S244
Logic Diagram

8.3 Feature Description

8.3.1 3-State Outputs

The 3-state outputs can drive bus lines directly. All outputs can be put into high impedance mode through the G pin.

8.3.2 PNP Inputs

This device has PNP inputs which reduce dc loading on bus lines.

8.3.3 Hysteresis on Bus Inputs

The bus inputs have built-in hysteresis that improves noise margins.

8.4 Device Functional Modes

The SNx4LS24x and SNx4S24x devices can be used as inverting and non-inverting bus buffers for data line transmission and can isolate input to output by setting the G pin HIGH. Table 1, Table 2, and Table 3 list the function tables for all devices.

Table 1. SNx4LS240 and SNx4S240
Function Table

INPUTS OUTPUTS
G A Y
L L H
L H L
H X Z

Table 2. SNx4LS241 and SNx4S241
Function Table

CHANNEL 1 CHANNEL 2
INPUTS OUTPUT INPUTS OUTPUT
1G 1A 1Y 2G 2A 2Y
L L L H L L
L H H H H H
H X Z L X Z

Table 3. SNx4LS244 and SNx4S244
Function Table

INPUTS OUTPUTS
G A Y
L L L
L H H
H X Z
SN54LS240 SN54LS241 SN54LS244 SN54S240 SN54S241 SN54S244 SN74LS240 SN74LS241 SN74LS244 SN74S240 SN74S241 SN74S244 schematics_01_sdls144.gif Figure 19. SNx4LS240, SNx4LS241, SNx4LS244
Equivalent of Each Input
SN54LS240 SN54LS241 SN54LS244 SN54S240 SN54S241 SN54S244 SN74LS240 SN74LS241 SN74LS244 SN74S240 SN74S241 SN74S244 schematics_02_sdls144.gif
G and G inputs: Req = 2 kΩ NOM
A inputs: Req = 2.8 kΩ NOM
Figure 20. SNx4S240, SNx4S241, SNx4S244
Equivalent of Each Input
SN54LS240 SN54LS241 SN54LS244 SN54S240 SN54S241 SN54S244 SN74LS240 SN74LS241 SN74LS244 SN74S240 SN74S241 SN74S244 schematics_03_sdls144.gif
SNx4LS240, SNx4LS241, SNx4LS244:
R = 50 Ω NOM
SNx4S240, SNx4S241, SNx4S244:
R = 25 Ω NOM
Figure 21. Typical of All Outputs