SCES274I May   1999  – October 2014 SN74LVCZ244A

PRODUCTION DATA.  

  1. Features
  2. Applications
  3. Description
  4. Simplified Schematic
  5. Revision History
  6. Pin Configuration and Functions
  7. Specifications
    1. 7.1 Absolute Maximum Ratings
    2. 7.2 Handling Ratings
    3. 7.3 Recommended Operating Conditions
    4. 7.4 Thermal Information
    5. 7.5 Electrical Characteristics
    6. 7.6 Switching Characteristics, -40°C to 85°C
    7. 7.7 Switching Characteristics, -40°C to 125°C
    8. 7.8 Operating Characteristics
    9. 7.9 Typical Characteristics
  8. Parameter Measurement Information
    1. 8.1 VCC = 2.7 V and 3.3 V ± 0.3 V
  9. Detailed Description
    1. 9.1 Overview
    2. 9.2 Functional Block Diagram
    3. 9.3 Feature Description
    4. 9.4 Device Functional Modes
  10. 10Application and Implementation
    1. 10.1 Application Information
    2. 10.2 Typical Application
      1. 10.2.1 Design Requirements
      2. 10.2.2 Detailed Design Procedure
      3. 10.2.3 Application Curves
  11. 11Power Supply Recommendations
  12. 12Layout
    1. 12.1 Layout Guidelines
    2. 12.2 Layout Example
  13. 13Device and Documentation Support
    1. 13.1 Trademarks
    2. 13.2 Electrostatic Discharge Caution
    3. 13.3 Glossary
  14. 14Mechanical, Packaging, and Orderable Information

封装选项

请参考 PDF 数据表获取器件具体的封装图。

机械数据 (封装 | 引脚)
  • DB|20
  • NS|20
  • PW|20
  • DW|20
  • DGS|20
散热焊盘机械数据 (封装 | 引脚)
订购信息

10 Application and Implementation

NOTE

Information in the following applications sections is not part of the TI component specification, and TI does not warrant its accuracy or completeness. TI’s customers are responsible for determining suitability of components for their purposes. Customers should validate and test their design implementation to confirm system functionality.

10.1 Application Information

Inputs can be driven from either 3.3-V or 5-V devices. This feature allows the use of this device as a translator in a mixed 3.3-V/5-V system environment.

The SN74LVCZ244A device is fully specified for partial-power-down applications using Ioff. The Ioff circuitry disables the outputs, preventing damaging current backflow through the device when it is powered down. This device is fully specified for hot-insertion applications using Ioff and power-up 3-state. The Ioff circuitry disables the outputs, preventing damaging current backflow through the device when it is powered down.

The power-up 3-state circuitry places the outputs in the high-impedance state during power up and power down, which prevents driver conflict. To ensure the high-impedance state during power up or power down, OE should be tied to VCC through a pullup resistor; the minimum value of the resistor is determined by the current-sinking capability of the driver.

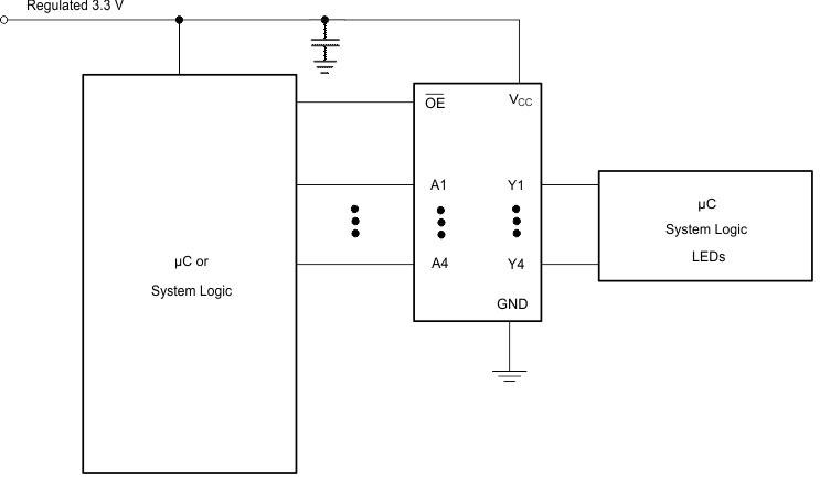
10.2 Typical Application

app_sche_ces274.gifFigure 4. Typical Application Schematic

10.2.1 Design Requirements

This device uses CMOS technology and has balanced output drive. Care should be taken to avoid bus contention, because it can drive currents that would exceed maximum limits. The high drive will also create fast edges into light loads; therefore, routing and load conditions should be considered to prevent ringing.

10.2.2 Detailed Design Procedure

  1. Recommended Input Conditions:
  2. Recommend Output Conditions:
    • Load currents should not exceed 50 mA per output and 100 mA total for the part.
    • Outputs should not be pulled above VCC.

10.2.3 Application Curves

D003_SCES274.gifFigure 5. ICC vs Frequency