SCES274I May 1999 – October 2014 SN74LVCZ244A
PRODUCTION DATA.
请参考 PDF 数据表获取器件具体的封装图。
This octal buffer/line driver is designed for 2.7-V to 3.6-V VCC operation.
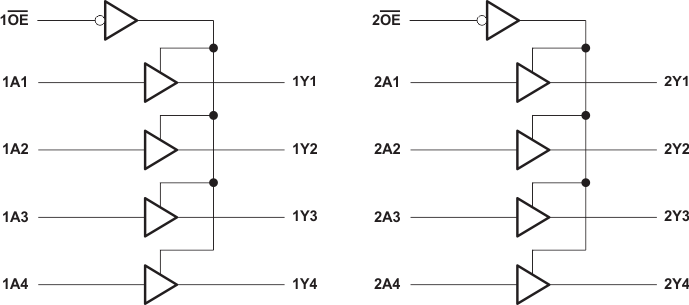
The SN74LVCZ244A device is organized as two 4-bit line drivers with separate output-enable (OE) inputs. When OE is low, the device passes data from the A inputs to the Y outputs. When OE is high, the outputs are in the high-impedance state.
| PART NUMBER | PACKAGE | BODY SIZE (NOM) |
|---|---|---|
| SN74LVCZ244A | SSOP (20) | 7.50 mm x 5.30 mm |
| SOP (20) | 12.60 mm x 5.30 mm | |
| TSSOP (20) | 6.50 mm x 4.40 mm | |
| SOIC (20) | 12.80 mm x 7.50 mm |
