SCAS319J November 1993 – December 2014 SN74LVCH16652A
PRODUCTION DATA.
请参考 PDF 数据表获取器件具体的封装图。
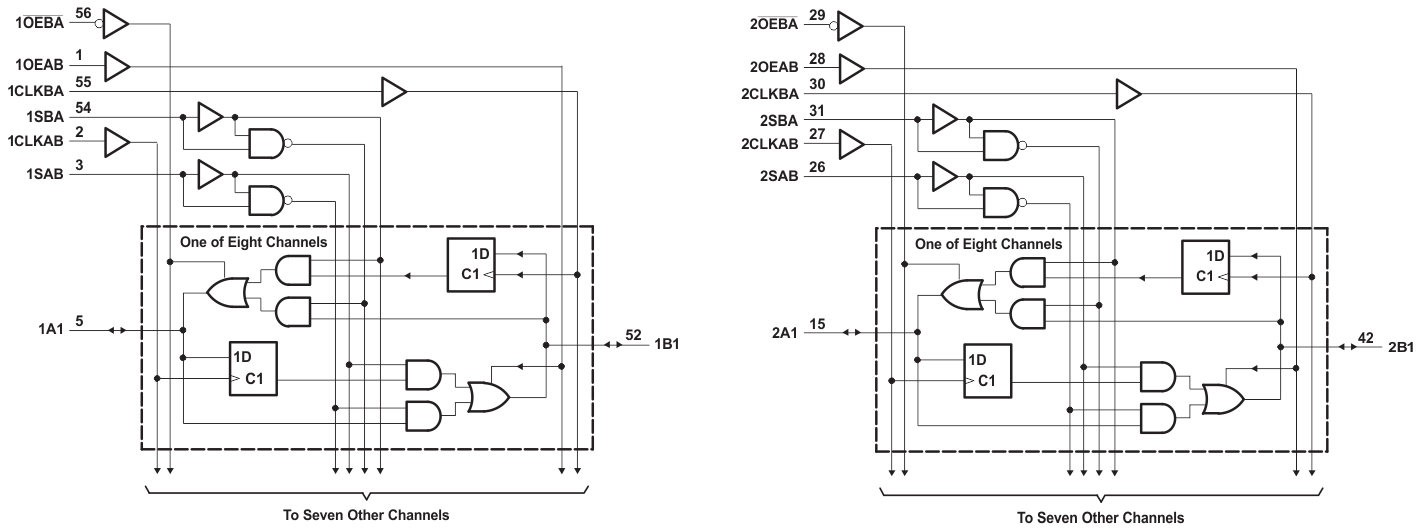
This 16-bit bus transceiver and register is designed for 1.65-V to 3.6-V VCC operation.
| PART NUMBER | PACKAGE | BODY SIZE (NOM) |
|---|---|---|
| SN74LVCH16652A | SSOP (56) | 18.40 mm x 7.50 mm |
| TSSOP (56) | 14.00 mm x 6.10 mm | |
| TVSOP (56) | 11.30 mm x 4.40 mm |
