SCES495C October 2003 – June 2014 SN74LVCH16245A
PRODUCTION DATA.
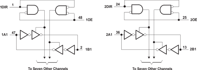
This 16-bit (dual-octal) noninverting bus transceiver is designed for 1.65-V to 3.6-V VCC operation. The SN74LVCH16245A device is designed for asynchronous communication between data buses.
This device can be used as two 8-bit transceivers or one 16-bit transceiver. Active bus-hold circuitry holds unused or undriven data inputs at a valid logic state.
| PART NUMBER | PACKAGE | BODY SIZE (NOM) |
|---|---|---|
| SN74LVCH16245A | TSSOP (48) | 12.50 mm × 6.10 mm |
| TVSOP (48) | 9.70 mm × 4.40 mm | |
| SSOP (48) | 15.88 mm × 7.49 mm |
