SCAS297N JANUARY   1993  – June 2014 SN74LVC540A

PRODUCTION DATA.  

  1. Features
  2. Applications
  3. Description
  4. Simplified Schematic
  5. Revision History
  6. Pin Configuration and Functions
  7. Specifications
    1. 7.1 Absolute Maximum Ratings
    2. 7.2 Handling Ratings
    3. 7.3 Recommended Operating Conditions
    4. 7.4 Thermal Information
    5. 7.5 Electrical Characteristics
    6. 7.6 Switching Characteristics, SN54LVC540A
    7. 7.7 Switching Characteristics, SN74LVC540A
    8. 7.8 Operating Characteristics
    9. 7.9 Typical Characteristics
  8. Parameter Measurement Information
  9. Detailed Description
    1. 9.1 Overview
    2. 9.2 Functional Block Diagram
    3. 9.3 Feature Description
    4. 9.4 Device Functional Modes
  10. 10Application and Implementation
    1. 10.1 Application Information
    2. 10.2 Typical Application
      1. 10.2.1 Design Requirements
      2. 10.2.2 Detailed Design Procedure
      3. 10.2.3 Application Curves
  11. 11Power Supply Recommendations
  12. 12Layout
    1. 12.1 Layout Guidelines
    2. 12.2 Layout Example
  13. 13Device and Documentation Support
    1. 13.1 Related Links
    2. 13.2 Trademarks
    3. 13.3 Electrostatic Discharge Caution
    4. 13.4 Glossary
  14. 14Mechanical, Packaging, and Orderable Information

封装选项

请参考 PDF 数据表获取器件具体的封装图。

机械数据 (封装 | 引脚)
  • DGV|20
  • DB|20
  • NS|20
  • DW|20
  • PW|20
  • DGS|20
散热焊盘机械数据 (封装 | 引脚)
订购信息

10 Application and Implementation

10.1 Application Information

The SN74LVC540A is a high drive CMOS device that can be used for a multitude of bus interface type applications where the data needs to be retained or latched . It can produce 24 mA of drive current at 3.3 V making it ideal for driving multiple outputs and good for high speed applications up to 100 MHz. The inputs are 5.5 V tolerant allowing it to translate down to VCC.

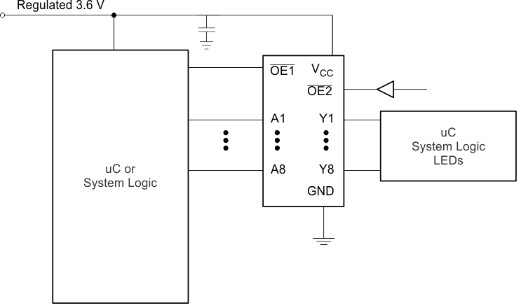
10.2 Typical Application

app_sche_scas297.gifFigure 5. Typical Application Diagram

10.2.1 Design Requirements

This device uses CMOS technology and has balanced output drive. Care should be taken to avoid bus contention because it can drive currents that would exceed maximum limits. The high drive will also create fast edges into light loads so routing and load conditions should be considered to prevent ringing.

10.2.2 Detailed Design Procedure

  1. Recommended Input Conditions
  2. Recommend Output Conditions
    • Load currents should not exceed 25 mA per output and 50 mA total for the part.
    • Outputs should not be pulled above VCC.

10.2.3 Application Curves

D003_SCES062.gifFigure 6. ICC vs Frequency at 3.3 V