SCES193N April 1999 – January 2015 SN74LVC2G00
PRODUCTION DATA.
请参考 PDF 数据表获取器件具体的封装图。
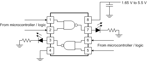
SN74LVC2G00 is a high-drive CMOS device that can be used for implementing NAND logic with a high output drive, such as an LED application. It can produce 24 mA of drive current at 3.3 V, making it Ideal for driving multiple outputs and good for high speed applications up to 100 MHz. The inputs are 5.5-V tolerant, allowing it to translate down to VCC.

This device uses CMOS technology and has balanced output drive. Care should be taken to avoid bus contention because it can drive currents that would exceed maximum limits. The high drive will also create fast edges into light loads so routing and load conditions should be considered to prevent ringing.
Figure 4. ICC vs Frequency (Each Gate)