SCES416N December   2002  – January 2017 SN74LVC1G97

PRODUCTION DATA.  

  1. Features
  2. Applications
  3. Description
  4. Revision History
  5. Pin Configuration and Functions
  6. Specifications
    1. 6.1 Absolute Maximum Ratings
    2. 6.2 ESD Ratings
    3. 6.3 Recommended Operating Conditions
    4. 6.4 Thermal Information
    5. 6.5 Electrical Characteristics
    6. 6.6 Switching Characteristics
    7. 6.7 Switching Characteristics
    8. 6.8 Operating Characteristics
    9. 6.9 Typical Characteristics
  7. Parameter Measurement Information
  8. Detailed Description
    1. 8.1 Overview
    2. 8.2 Functional Block Diagram
    3. 8.3 Feature Description
    4. 8.4 Device Functional Modes
  9. Application and Implementation
    1. 9.1 Application Information
    2. 9.2 Typical Application
      1. 9.2.1 Design Requirements
      2. 9.2.2 Detailed Design Procedure
      3. 9.2.3 Application Curve
  10. 10Power Supply Recommendations
  11. 11Layout
    1. 11.1 Layout Guidelines
    2. 11.2 Layout Example
  12. 12Device and Documentation Support
    1. 12.1 Documentation Support
      1. 12.1.1 Related Documentation
    2. 12.2 Receiving Notification of Documentation Updates
    3. 12.3 Community Resources
    4. 12.4 Trademarks
    5. 12.5 Electrostatic Discharge Caution
  13. 13Mechanical, Packaging, and Orderable Information

封装选项

机械数据 (封装 | 引脚)
散热焊盘机械数据 (封装 | 引脚)
订购信息

Detailed Description

Overview

This configurable multiple-function gate is designed for 1.65-V to 5.5-V VCC operation.

The SN74LVC1G97 device features configurable multiple functions. The output state is determined by eight patterns of 3-bit input. The user can choose variations of common logic functions, like AND, OR, and NOT. All inputs can be connected to VCC or GND.

This device functions as an independent gate, but because of Schmitt action, it may have different input threshold levels for positive-going (VT+) and negative-going (VT–) signals.

This device is fully-specified for partial-power-down applications using Ioff. The Ioff circuitry disables the outputs, preventing damaging current backflow through the device when it is powered down.

Functional Block Diagram

SN74LVC1G97 ld_ces416.gif

Feature Description

The SN74LVC1G97 device has a wide operating VCC range of 1.65 V to 5.5 V, which allows use in a broad range of systems. The 5.5-V I/Os allow down translation and also allow voltages at the inputs when VCC = 0 V.

Device Functional Modes

Table 1 shows the functional modes of SN74LVC1G97.

Table 1. Function Table

INPUTS OUTPUT
In2 In1 In0 Y
L L L L
L L H L
L H L H
L H H H
H L L L
H L H H
H H L L
H H H H

Table 2. Function Selection Table

LOGIC FUNCTION FIGURE NUMBER
2-to-1 data selector Figure 3
2-input AND gate Figure 4
2-input OR gate with one inverted input Figure 5
2-input NAND gate with one inverted input Figure 5
2-input AND gate with one inverted input Figure 6
2-input NOR gate with one inverted input Figure 6
2-input OR gate Figure 7
Inverter Figure 8
Noninverted buffer Figure 9
SN74LVC1G97 lc1_ces416.gif Figure 3. 2-to-1 Data Selector
SN74LVC1G97 lc2_ces416.gif Figure 4. 2-Input AND Gate
SN74LVC1G97 lc3_ces416.gif Figure 5. 2-Input OR Gate With One Inverted Input
2-Input NAND Gate With One Inverted Input
SN74LVC1G97 lc4_ces416.gif Figure 6. 2-Input AND Gate With One Inverted Input
2-Input NOR Gate With One Inverted Input
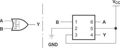
SN74LVC1G97 lc5_ces416.gif Figure 7. 2-Input OR Gate
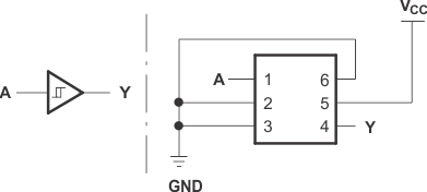
SN74LVC1G97 lc6_ces416.gif Figure 8. Inverter
SN74LVC1G97 lc7_ces416.gif Figure 9. Noninverted Buffer