SCES062Q December   1995  – June 2014 SN74LVC16245A

PRODUCTION DATA.  

  1. Features
  2. Applications
  3. Description
  4. Simplified Schematic
  5. Revision History
  6. Pin Configuration and Functions
  7. Specifications
    1. 7.1 Absolute Maximum Ratings
    2. 7.2 Handling Ratings
    3. 7.3 Recommended Operating Conditions
    4. 7.4 Thermal Information
    5. 7.5 Electrical Characteristics—DC Limit Changes
    6. 7.6 Switching Characteristics, -40°C TO 85°C
    7. 7.7 Switching Characteristics, -40°C TO 125°C
    8. 7.8 Operating Characteristics
    9. 7.9 Typical Characteristics
  8. Parameter Measurement Information
  9. Detailed Description
    1. 9.1 Overview
    2. 9.2 Functional Block Diagram
    3. 9.3 Feature Description
    4. 9.4 Device Functional Modes
  10. 10Application and Implementation
    1. 10.1 Application Information
    2. 10.2 Typical Application
      1. 10.2.1 Design Requirements
      2. 10.2.2 Detailed Design Procedure
      3. 10.2.3 Application Curves
  11. 11Power Supply Recommendations
  12. 12Layout
    1. 12.1 Layout Guidelines
    2. 12.2 Layout Example
  13. 13Device and Documentation Support
    1. 13.1 Trademarks
    2. 13.2 Electrostatic Discharge Caution
    3. 13.3 Glossary
  14. 14Mechanical, Packaging, and Orderable Information

封装选项

请参考 PDF 数据表获取器件具体的封装图。

机械数据 (封装 | 引脚)
  • DGG|48
  • DL|48
  • DGV|48
散热焊盘机械数据 (封装 | 引脚)
订购信息

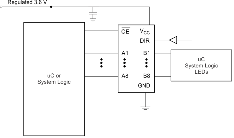
10 Application and Implementation

10.1 Application Information

The SN74LVC16245A device is a 16-bit bidirectional transceiver. This device can be used as two 8-bit transceivers or one 16-bit transceiver. It allows data transmission from the A bus to the B bus or from the B bus to the A bus, depending on the logic level at the direction-control (DIR) input. The output-enable (OE) input can be used to disable the device so that the buses are effectively isolated. The device has 5.5 V tolerant inputs at any valid VCC. This allows it to be used in multi-power systems and for down translation as well.

10.2 Typical Application

app_sche_ces062.gifFigure 4. Typical Application Schematic

10.2.1 Design Requirements

This device uses CMOS technology and has balanced output drive. Care should be taken to avoid bus contention because it can drive currents that would exceed maximum limits. The high drive will also create fast edges into light loads; therefore, routing and load conditions should be considered to prevent ringing.

10.2.2 Detailed Design Procedure

  1. Recommended Input Conditions
  2. Recommend Output Conditions
    • Load currents should not exceed 25 mA per output and 50 mA total for the part.
    • Outputs should not be pulled above VCC.

10.2.3 Application Curves

D003_SCES062.gifFigure 5. ICC vs Frequency