ZHCSPK1A July   2022  – December 2022 SN74LV165A-Q1

PRODUCTION DATA  

  1. 特性
  2. 应用
  3. 说明
  4. Revision History
  5. Pin Configuration and Functions
  6. Specifications
    1. 6.1  Absolute Maximum Ratings
    2. 6.2  ESD Ratings
    3. 6.3  Recommended Operating Conditions
    4. 6.4  Thermal Information
    5. 6.5  Electrical Characteristics
    6. 6.6  Timing Requirements, VCC = 2.5 V ± 0.2 V
    7. 6.7  Timing Requirements, VCC = 3.3 V ± 0.3 V
    8. 6.8  Timing Requirements, VCC = 5 V ± 0.5 V
    9. 6.9  Switching Characteristics, VCC = 2.5 V ± 0.2 V
    10. 6.10 Switching Characteristics, VCC = 3.3 V ± 0.3 V
    11. 6.11 Switching Characteristics, VCC = 5 V ± 0.5 V
    12. 6.12 Operating Characteristics
    13. 6.13 Typical Characteristics
  7. Parameter Measurement Information
  8. Detailed Description
    1. 8.1 Overview
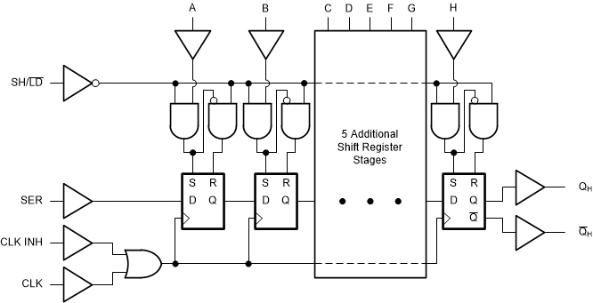
    2. 8.2 Functional Block Diagram
    3. 8.3 Feature Description
      1. 8.3.1 Balanced CMOS Push-Pull Outputs
      2. 8.3.2 Latching Logic
      3. 8.3.3 Partial Power Down (Ioff)
      4. 8.3.4 Wettable Flanks
      5. 8.3.5 Clamp Diode Structure
    4. 8.4 Device Functional Modes
  9. Application and Implementation
    1. 9.1 Application Information
    2. 9.2 Typical Application
      1. 9.2.1 Power Considerations
      2. 9.2.2 Input Considerations
      3. 9.2.3 Output Considerations
      4. 9.2.4 Detailed Design Procedure
      5. 9.2.5 Application Curves
  10. 10Power Supply Recommendations
  11. 11布局
    1. 11.1 Layout Guidelines
    2. 11.2 Layout Example
  12. 12Device and Documentation Support
    1. 12.1 Related Documentation
    2. 12.2 Receiving Notification of Documentation Updates
    3. 12.3 支持资源
    4. 12.4 Trademarks
    5. 12.5 Electrostatic Discharge Caution
    6. 12.6 术语表
  13. 13Mechanical, Packaging, and Orderable Information

封装选项

机械数据 (封装 | 引脚)
散热焊盘机械数据 (封装 | 引脚)
订购信息

说明

SN74LV165A-Q1 器件是 8 位并行负载移位寄存器,旨在于 2V 至 5.5V VCC 下运行。

器件计时时,数据通过串行输出 QH 传输。当移位/负载 (SH/LD) 输入为低电平时,可支持八个单独的直接数据输入,从而实现在每个级的并行输入。SN74LV165A-Q1 器件具有时钟抑制功能和补充串行输出 QH

该器件专用于使用 Ioff 的局部断电应用。Ioff 电路会禁用输出,从而在器件断电时防止电流回流损坏器件。

器件信息(1)
器件型号 封装 封装尺寸(标称值)
SN74LV165A-Q1 WBQB(WQFN、16) 3.60 × 2.60mm
如需了解所有可用封装,请参阅数据表末尾的可订购产品附录。
GUID-20210218-CA0I-X1MX-NFLV-2M5MCVCRVZZD-low.gif逻辑图(正逻辑)