SDLS153A January   1981  – January 2016 SN74LS292 , SN74LS294

PRODUCTION DATA.  

  1. Features
  2. Applications
  3. Description
  4. Revision History
  5. Pin Configuration and Functions
  6. Specifications
    1. 6.1 Absolute Maximum Ratings
    2. 6.2 Recommended Operating Conditions
    3. 6.3 Thermal Information
    4. 6.4 Electrical Characteristics
    5. 6.5 Switching Characteristics
    6. 6.6 Typical Characteristics
  7. Parameter Measurement Information
    1. 7.1 Logic Diagrams
  8. Detailed Description
    1. 8.1 Overview
    2. 8.2 Functional Block Diagram
    3. 8.3 Feature Description
    4. 8.4 Device Functional Modes
  9. Application and Implementation
    1. 9.1 Application Information
    2. 9.2 Typical Application
      1. 9.2.1 Design Requirements
      2. 9.2.2 Detailed Design Procedure
      3. 9.2.3 Application Curve
  10. 10Power Supply Recommendations
  11. 11Layout
    1. 11.1 Layout Guidelines
    2. 11.2 Layout Example
  12. 12Device and Documentation Support
    1. 12.1 Documentation Support
      1. 12.1.1 Related Documentation
    2. 12.2 Related Links
    3. 12.3 Community Resources
    4. 12.4 Trademarks
    5. 12.5 Electrostatic Discharge Caution
    6. 12.6 Glossary
  13. 13Mechanical, Packaging, and Orderable Information

封装选项

机械数据 (封装 | 引脚)
散热焊盘机械数据 (封装 | 引脚)
订购信息

8 Detailed Description

8.1 Overview

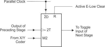
Functional Block Diagram shows that the count modulo is controlled by an X/Y decoder connected to the mode control inputs of several flip-flops. These flip-flops with mode controls each have a D input connected to the parallel clock line, and a T input driven by the preceding stage. The parallel clock frequency is always the input frequency divided by four.

The X/Y decoder output selected by the programming inputs goes low. While a mode control is slow, the D input of that flip-flop is enabled, and the signal from the parallel clock line (fin ÷ 4) is passed to the T input of the following stage. All the other mode controls are high, enabling the T inputs and causing each flip-flop in turn to divide by two.

8.2 Functional Block Diagram

SN74LS292 SN74LS294 operation_SDLS153.gif

8.3 Feature Description

This SN74LS29x device can be used to digitally program from 22 to 2n (n = 31 for SN74LS292, n = 15 for SN74LS294) divider chain. This has a useable frequency range up to 30 MHz. The flexibility is offered when the devices are cascaded to have desired timing delay.

8.4 Device Functional Modes

Table 1, Table 2, and Table 3 list the functional modes of the SN74LS292.

Table 1. Function Table

CLEAR CLK1 CLK2 Q OUTPUT MODE
L X X Cleared to L
H L Count
H L Count
H H X Inhibit
H X H Inhibit

Table 2. SN74LS292 Function Table

PROGRAMMING INPUTS FREQUENCY DIVISION
Q TP1 TP2 TP3
E D C B A BINARY DECIMAL BINARY DECIMAL BINARY DECIMAL BINARY DECIMAL
L L L L L Inhibit Inhibit Inhibit Inhibit Inhibit Inhibit Inhibit Inhibit
L L L L H Inhibit Inhibit Inhibit Inhibit Inhibit Inhibit Inhibit Inhibit
L L L H L 22 4 29 512 217 131072 224 16777216
L L L H H 23 8 29 512 217 131072 224 16777216
L L H L L 24 16 29 512 217 131072 224 16777216
L L H L H 25 32 29 512 217 131072 224 16777216
L L H H L 26 64 29 512 217 131072 224 16777216
L L H H H 27 128 29 512 217 131072 224 16777216
L H L L L 28 256 29 512 217 131072 22 4
L H L L H 29 512 29 512 217 131072 22 4
L H L H L 210 1024 29 512 217 131072 24 16
L H L H H 211 2048 29 512 217 131072 24 16
L H H L L 212 4096 29 512 217 131072 26 64
L H H L H 213 8192 29 512 217 131072 26 64
L H H H L 214 16384 29 512 Disabled low Disabled low 28 256
L H H H H 215 32768 29 512 Disabled low Disabled low 28 256
H L L L L 216 65536 29 512 23 8 210 1024
H L L L H 217 131072 29 512 23 8 210 1024
H L L H L 218 262144 29 512 25 32 212 4096
H L L H H 219 524288 29 512 25 32 212 4096
H L H L L 220 1048576 29 512 27 128 214 16384
H L H L H 221 2097152 29 512 27 128 214 16384
H L H H L 222 4194304 Disabled low Disabled low 29 512 216 65536
H L H H H 223 8388608 Disabled low Disabled low 29 512 216 65536
H H L L L 224 16777216 23 8 211 2048 218 262144
H H L L H 225 33554432 23 8 211 2048 218 262144
H H L H L 226 67108864 25 32 213 8192 220 1048576
H H L H H 227 134217728 25 32 213 8192 220 1048576
H H H L L 228 268435456 27 128 215 32768 222 4194304
H H H L H 229 536870912 27 128 215 32768 222 4194304
H H H H L 230 1073741824 29 512 217 131072 224 16777216
H H H H H 231 2147483648 29 512 217 131072 224 16777216

Table 3. SN74LS294 Function Table

PROGRAMMING INPUTS FREQUENCY DIVISION
Q TP
D C B A BINARY DECIMAL BINARY DECIMAL
L L L L Inhibit Inhibit Inhibit Inhibit
L L L H Inhibit Inhibit Inhibit Inhibit
L L H L 22 4 29 512
L L H H 23 8 29 512
L H L L 24 16 29 512
L H L H 25 32 29 512
L H H L 26 64 29 512
L H H H 27 128 Disabled Low
H L L L 28 256 22 4
H L L H 29 512 23 8
H L H L 210 1024 24 16
H L H H 211 2048 25 32
H H L L 212 4096 26 64
H H L H 213 8192 27 128
H H H L 214 16384 28 256
H H H H 215 32768 29 512

Figure 7, Figure 9, and Figure 9 show the schematics of inputs and outputs of the SN74LS292.

SN74LS292 SN74LS294 schem_sdls153_3.gif Figure 7. Equivalent of Each Input
SN74LS292 SN74LS294 schem_sdls153_2.gif Figure 8. Typical of Q Outputs
SN74LS292 SN74LS294 schem_sdls153_1.gif Figure 9. Typical of TP Outputs